ИНТЕГРИРОВАННОЕ РЕЛЕ ПРОВЕРКА


  1. ПРОВЕРЬТЕ ИНТЕГРИРОВАННОЕ РЕЛЕ


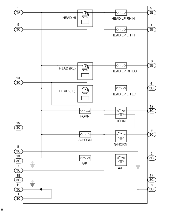
    1. Внутренняя цепь

      A019LU6E02

      1. для реле A/F


        1. A019LOXE05
          Обозначения на рисунке
          *1

          Устройство с неподсоединенным жгутом проводов

          (интегрированное реле)

          Измерьте сопротивление в соответствии со значениями, приведенными в таблице ниже.

          Номинальное сопротивление
          Контакты для подключения диагностического прибора Условие Заданные условия
          3A-1 - 3C-2 Всегда 10 кОм или более
          3A-1 - 3C-2

          Положительный (+) вывод аккумуляторной батареи - 3C-7

          Отрицательный (-) вывод аккумуляторной батареи - 3C-17

          Менее 1 Ом

          Tech Tips

          Если результат не соответствует требованиям, замените интегрированное реле.

      2. для реле S-HORN


        1. A019LOXE06
          Обозначения на рисунке
          *1

          Устройство с неподсоединенным жгутом проводов

          (интегрированное реле)

          Измерьте сопротивление в соответствии со значениями, приведенными в таблице ниже.

          Номинальное сопротивление
          Контакты для подключения диагностического прибора Условие Заданные условия
          3C-9 - масса Всегда 10 кОм или более
          3C-9 - масса

          Положительный (+) вывод аккумуляторной батареи - 3A-1

          Отрицательный (-) вывод аккумуляторной батареи - 3C-8

          Менее 1 Ом

          Tech Tips

          Если результат не соответствует требованиям, замените интегрированное реле.

      3. для реле HORN


        1. A019LOXE07
          Обозначения на рисунке
          *1

          Устройство с неподсоединенным жгутом проводов

          (интегрированное реле)

          Измерьте сопротивление в соответствии со значениями, приведенными в таблице ниже.

          Номинальное сопротивление
          Контакты для подключения диагностического прибора Условие Заданные условия
          3C-12 - масса Всегда 10 кОм или более
          3C-12 - масса

          Положительный (+) вывод аккумуляторной батареи - 3A-1

          Отрицательный (-) вывод аккумуляторной батареи - 3C-15

          Менее 1 Ом

          Tech Tips

          Если результат не соответствует требованиям, замените интегрированное реле.

      4. для реле HEAD (RL)


        1. A019LOXE08
          Обозначения на рисунке
          *1

          Устройство с неподсоединенным жгутом проводов

          (интегрированное реле)

          Измерьте сопротивление в соответствии со значениями, приведенными в таблице ниже.

          Номинальное сопротивление
          Контакты для подключения диагностического прибора Условие Заданные условия
          3B-3 - масса Всегда 10 кОм или более
          3B-3 - масса

          Положительный (+) вывод аккумуляторной батареи - 3A-1

          Отрицательный (-) вывод аккумуляторной батареи - 3C-13

          Отрицательный (-) вывод аккумуляторной батареи - 3C-17

          Менее 1 Ом

          Tech Tips

          Если результат не соответствует требованиям, замените интегрированное реле.

      5. для реле HEAD (LL)


        1. A019LOXE09
          Обозначения на рисунке
          *1

          Устройство с неподсоединенным жгутом проводов

          (интегрированное реле)

          Измерьте сопротивление в соответствии со значениями, приведенными в таблице ниже.

          Номинальное сопротивление
          Контакты для подключения диагностического прибора Условие Заданные условия
          3B-4 - масса Всегда 10 кОм или более
          3B-4 - масса

          Положительный (+) вывод аккумуляторной батареи - 3A-1

          Отрицательный (-) вывод аккумуляторной батареи - 3C-13

          Отрицательный (-) вывод аккумуляторной батареи - 3C-17

          Менее 1 Ом

          Tech Tips

          Если результат не соответствует требованиям, замените интегрированное реле.

      6. для реле HEAD HI


        1. A019LOXE10
          Обозначения на рисунке
          *1

          Устройство с неподсоединенным жгутом проводов

          (интегрированное реле)

          Измерьте напряжение в соответствии со значениями, приведенными в таблице.

          Номинальное напряжение
          Контакты для подключения диагностического прибора Условие Заданные условия
          3B-1 - масса

          Положительный (+) вывод аккумуляторной батареи - 3A-1

          Отрицательный (-) вывод аккумуляторной батареи - 3C-17

          Менее 1 В
          3B-1 - масса

          Положительный (+) вывод аккумуляторной батареи - 3A-1

          Отрицательный (-) вывод аккумуляторной батареи - 3C-17

          Отрицательный (-) вывод аккумуляторной батареи - 3C-3

          11–14 В
          3B-1 - масса

          Положительный (+) вывод аккумуляторной батареи - 3A-1

          Отрицательный (-) вывод аккумуляторной батареи - 3C-17

          Отрицательный (-) вывод аккумуляторной батареи - 3C-3

          Формирование импульсов
          3B-1 - масса

          Положительный (+) вывод аккумуляторной батареи - 3A-1

          Отрицательный (-) вывод аккумуляторной батареи - 3C-17

          Отрицательный (-) вывод аккумуляторной батареи - 3C-5

          11–14 В
          3B-5 - масса

          Положительный (+) вывод аккумуляторной батареи - 3A-1

          Отрицательный (-) вывод аккумуляторной батареи - 3C-17

          Менее 1 В
          3B-5 - масса

          Положительный (+) вывод аккумуляторной батареи - 3A-1

          Отрицательный (-) вывод аккумуляторной батареи - 3C-17

          Отрицательный (-) вывод аккумуляторной батареи - 3C-3

          11–14 В
          3B-5 - масса

          Положительный (+) вывод аккумуляторной батареи - 3A-1

          Отрицательный (-) вывод аккумуляторной батареи - 3C-17

          Отрицательный (-) вывод аккумуляторной батареи - 3C-3

          Формирование импульсов
          3B-5 - масса

          Положительный (+) вывод аккумуляторной батареи - 3A-1

          Отрицательный (-) вывод аккумуляторной батареи - 3C-17

          Отрицательный (-) вывод аккумуляторной батареи - 3C-5

          11–14 В
        2. Измерьте сопротивление в соответствии со значениями, приведенными в таблице ниже.

          Номинальное сопротивление
          Контакты для подключения диагностического прибора Условие Заданные условия
          3B-1 - 3C-17 Всегда 10 кОм или более
          3B-1 - 3C-17 Всегда 10 кОм или более

          Tech Tips

          Если результат не соответствует требованиям, замените интегрированное реле.