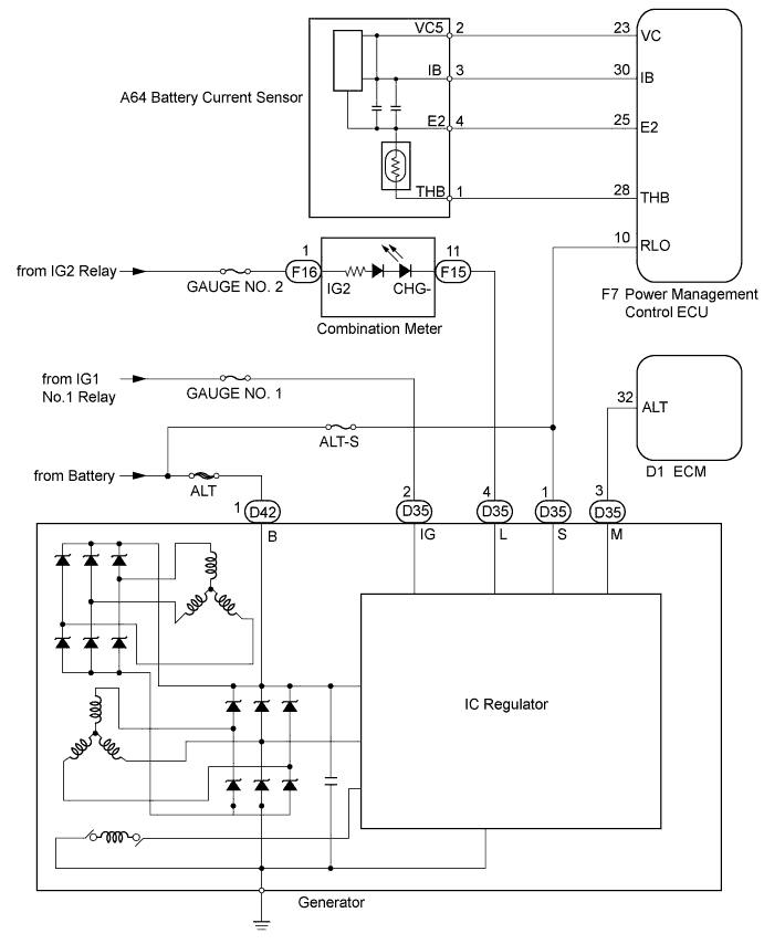
СИСТЕМА ЗАРЯДКИ АККУМУЛЯТОРНОЙ БАТАРЕИ СХЕМА СИСТЕМЫ

A019MHZE03