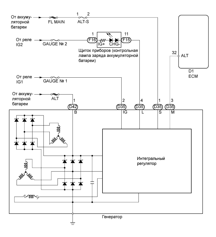
СИСТЕМА ЗАРЯДКИ АККУМУЛЯТОРНОЙ БАТАРЕИ СХЕМА СИСТЕМЫ

A019KE1E01