СИСТЕМА НАКЛОННОЙ ТЕЛЕСКОПИЧЕСКОЙ РУЛЕВОЙ КОЛОНКИ С ЭЛЕКТРОПРИВОДОМ, Diagnostic DTC:B2611

Код DTC Наименование DTC
B2611 Неисправность в цепи датчика телескопической длины или электродвигателя телескопического изменения высоты

ОПИСАНИЕ

Напряжение питания, подаваемое из мультиплексного ЭБУ регулировки наклона и телескопического изменения высоты, приводит в движение электродвигатель телескопического изменения высоты, в результате чего рулевая колонка втягивается или выдвигается. Установленный в электродвигателе телескопического изменения высоты датчик телескопической длины (датчик Холла) определяет степень выдвижения рулевой колонки и передает соответствующий сигнал в мультиплексный ЭБУ регулировки наклона и телескопического изменения высоты.

A019O7OE02

Tech Tips

Крайние положения можно проверить по показаниям на экране портативного диагностического прибора.

№ DTC Неисправность Неисправный участок
B2611 Телескопическое изменение высоты прекращается в пределах рабочего диапазона.
  • Жгут или разъем

  • Датчик телескопической длины или электродвигатель телескопического изменения высоты

  • Мультиплексный ЭБУ регулировки наклона и телескопического изменения высоты

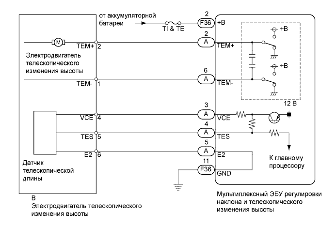
СХЕМА СОЕДИНЕНИЙ

A019MLGE02

ПОСЛЕДОВАТЕЛЬНОСТЬ ПРОВЕРКИ

Note

Перед выполнением следующей процедуры проверки проверьте предохранители цепей, относящихся к данной системе.

Tech Tips

К рулевой колонке подключен жгут проводов, соединяющий мультиплексный ЭБУ регулировки наклона и телескопического изменения высоты с двигателем телескопического изменения высоты.

ПОРЯДОК ВЫПОЛНЕНИЯ


  1. ВЫПОЛНИТЕ ДИАГНОСТИКУ В РЕЖИМЕ ACTIVE TEST С ПОМОЩЬЮ ПОРТАТИВНОГО ДИАГНОСТИЧЕСКОГО ПРИБОРА (УПРАВЛЕНИЕ ТЕЛЕСКОПИЧЕСКИМ ИЗМЕНЕНИЕМ ВЫСОТЫ)


    1. A019MRVE01

      Выключите зажигание.

    2. Подсоедините портативный диагностический прибор к DLC3.

    3. Включите зажигание (IG).

    4. Включите портативный диагностический прибор.

    5. Убедитесь, что рулевая колонка втягивается и выдвигается. Войдите в следующие меню: Chassis / Tilt & Telescopic / Active Test.

      Tilt & Telescopic (регулировка наклона и телескопическое изменение высоты)
      Информация на дисплее прибора Испытываемое устройство Диапазон регулирования Замечание по диагностике
      Telesco Operation Управление механизмом телескопического изменения высоты LONG (ВЫДВИЖЕНИЕ) / SHORT (ВТЯГИВАНИЕ) -
      OK
      Рулевая колонка втягивается и выдвигается.

    NG
    OK
  2. ПРОВЕРЬТЕ ЖГУТ ПРОВОДОВ И РАЗЪЕМ (МУЛЬТИПЛЕКСНЫЙ ЭБУ РЕГУЛИРОВКИ НАКЛОНА И ТЕЛЕСКОПИЧЕСКОГО ИЗМЕНЕНИЯ ВЫСОТЫ – АККУМУЛЯТОРНАЯ БАТАРЕЯ)


    1. A019OVTE08
      Обозначения на рисунке
      *1

      Вид сзади разъема со стороны жгута проводов

      (к мультиплексному ЭБУ регулировки наклона и телескопического изменения высоты)

      Отсоедините разъем F36 мультиплексного ЭБУ регулировки наклона и телескопического изменения высоты.

    2. Измерьте напряжение в соответствии со значениями, приведенными в таблице.

      Номинальное напряжение
      Контакты для подключения диагностического прибора Условие Заданные условия
      F36-2 (+B) - масса Всегда 11-14 В

    NG
    OK
  3. ПРОВЕРЬТЕ ЖГУТ ПРОВОДОВ И РАЗЪЕМ (МУЛЬТИПЛЕКСНЫЙ ЭБУ РЕГУЛИРОВКИ НАКЛОНА И ТЕЛЕСКОПИЧЕСКОГО ИЗМЕНЕНИЯ ВЫСОТЫ – МАССА)


    1. A019OVTE09
      Обозначения на рисунке
      *1

      Вид сзади разъема со стороны жгута проводов

      (к мультиплексному ЭБУ регулировки наклона и телескопического изменения высоты)

      Измерьте сопротивление в соответствии со значениями, приведенными в таблице ниже.

      Номинальное сопротивление
      Контакты для подключения диагностического прибора Условие Заданные условия
      F36-11 (GND) - масса Всегда Менее 1 Ом

    NG
    OK
  4. ПРОВЕРЬТЕ ЖГУТ ПРОВОДОВ И РАЗЪЕМ (МУЛЬТИПЛЕКСНЫЙ ЭБУ РЕГУЛИРОВКИ НАКЛОНА И ТЕЛЕСКОПИЧЕСКОГО ИЗМЕНЕНИЯ ВЫСОТЫ - ЭЛЕКТРОДВИГАТЕЛЬ ТЕЛЕСКОПИЧЕСКОГО ИЗМЕНЕНИЯ ВЫСОТЫ)


    1. A019OW1E03
      Обозначения на рисунке
      *1

      Вид сзади разъема со стороны жгута проводов

      (к мультиплексному ЭБУ регулировки наклона и телескопического изменения высоты)

      *2

      Вид спереди разъема со стороны жгута проводов:

      (к электродвигателю телескопического изменения высоты)

      Отсоедините разъем A мультиплексного ЭБУ регулировки наклона и телескопического изменения высоты.

    2. Отсоедините разъем B электродвигателя телескопического изменения высоты.

    3. Измерьте сопротивление в соответствии со значениями, приведенными в таблице ниже.

      Номинальное сопротивление
      Контакты для подключения диагностического прибора Условие Заданные условия
      A-2 (TEM+) - B-2 (TEM+) Всегда Менее 1 Ом
      A-6 (TEM-) - B-1 (TEM-)
      A-2 (TEM+) - масса Всегда 10 кОм или более
      A-6 (TEM-) - масса

    NG
    OK
  5. ПРОВЕРЬТЕ ДВИГАТЕЛЬ ТЕЛЕСКОПИЧЕСКОГО ИЗМЕНЕНИЯ ВЫСОТЫ


    1. A019MGLE03
      Обозначения на рисунке
      *1

      Устройство с неподсоединенным жгутом проводов

      (электродвигатель телескопического изменения высоты)

      Подайте напряжение аккумуляторной батареи 12 В на разъем электродвигателя телескопического изменения высоты. Затем проверьте работу телескопического механизма рулевой колонки.

      OK
      Условия измерений Заданные условия

      Положительный (+) вывод аккумуляторной батареи 12 В → контакт B-2 (TEM+)

      Отрицательный (-) вывод аккумуляторной батареи 12 В → контакт B-1 (TEM-)

      Рулевая колонка втягивается.

      Положительный (+) вывод аккумуляторной батареи 12 В → контакт B-1 (TEM-)

      Отрицательный (-) вывод аккумуляторной батареи 12 В → контакт B-2 (TEM+)

      Рулевая колонка выдвигается.
      Результат
      Результат Следующий шаг
      NG А
      OK (для моделей с левосторонним рулевым управлением) B
      OK (для моделей с правосторонним рулевым управлением) C

    B
    C
    А
  6. ПРОВЕРЬТЕ ЖГУТ ПРОВОДОВ И РАЗЪЕМ (МУЛЬТИПЛЕКСНЫЙ ЭБУ РЕГУЛИРОВКИ НАКЛОНА И ТЕЛЕСКОПИЧЕСКОГО ИЗМЕНЕНИЯ ВЫСОТЫ - ДАТЧИК ТЕЛЕСКОПИЧЕСКОЙ ДЛИНЫ)


    1. A019OW1E04
      Обозначения на рисунке
      *1

      Вид сзади разъема со стороны жгута проводов

      (к мультиплексному ЭБУ регулировки наклона и телескопического изменения высоты)

      *2

      Вид спереди разъема со стороны жгута проводов:

      (к электродвигателю телескопического изменения высоты)

      Отсоедините разъем A мультиплексного ЭБУ регулировки наклона и телескопического изменения высоты.

    2. Отсоедините разъем B электродвигателя телескопического изменения высоты.

    3. Измерьте сопротивление в соответствии со значениями, приведенными в таблице ниже.

      Номинальное сопротивление
      Контакты для подключения диагностического прибора Условие Заданные условия
      A-3 (VCE) - B-4 (VCE) Всегда Менее 1 Ом
      A-4 (TES) - B-5 (TES)
      A-5 (E2) - B-6 (E2)
      A-3 (VCE) - масса Всегда Всегда 10 кОм или более
      A-4 (TES) - масса
      A-5 (E2) - масса

    NG
    OK
  7. ПРОВЕРЬТЕ ЖГУТ ПРОВОДОВ И РАЗЪЕМ (МУЛЬТИПЛЕКСНЫЙ ЭБУ РЕГУЛИРОВКИ НАКЛОНА И ТЕЛЕСКОПИЧЕСКОГО ИЗМЕНЕНИЯ ВЫСОТЫ – МАССА)


    1. A019OVTE09
      Обозначения на рисунке
      *1

      Вид сзади разъема со стороны жгута проводов

      (к мультиплексному ЭБУ регулировки наклона и телескопического изменения высоты)

      Измерьте сопротивление в соответствии со значениями, приведенными в таблице ниже.

      Номинальное сопротивление
      Контакты для подключения диагностического прибора Условие Заданные условия
      F36-11 (GND) - масса Всегда Менее 1 Ом

    NG
    OK
  8. ПРОВЕРЬТЕ ЖГУТ ПРОВОДОВ И РАЗЪЕМ (НАПРЯЖЕНИЕ НА КОНТАКТАХ VCE, TES)


    1. Подсоедините разъем A мультиплексного ЭБУ регулировки наклона и телескопического изменения высоты.

    2. A019M8OE18
      Обозначения на рисунке
      *1

      Устройство с подсоединенным жгутом проводов

      (мультиплексный ЭБУ регулировки наклона и телескопического изменения высоты)

      Измерьте напряжение в соответствии со значениями, приведенными в таблице.

      Номинальное напряжение
      Контакты для подключения диагностического прибора Положение переключателя Заданные условия
      B-4 (VCE) - B-6 (E2) Зажигание включено (IG) 8–16 В
      B-5 (TES) - B-6 (E2)

    NG
    OK
  9. ПРОВЕРЬТЕ ДАТЧИК ТЕЛЕСКОПИЧЕСКОЙ ДЛИНЫ


    1. A019K5YE07
      Обозначения на рисунке
      *1

      Устройство с подсоединенным жгутом проводов

      (мультиплексный ЭБУ регулировки наклона и телескопического изменения высоты)

      Измерьте напряжение в соответствии со значениями, приведенными в таблице.

      Номинальное напряжение
      Контакты для подключения диагностического прибора Условие Заданные условия
      A-4 (TES) - A-5 (E2) Втягивание или выдвижение телескопического механизма рулевой колонки

      Формирование импульсов

      Высокий уровень: 8-16 В

      Низкий уровень: Менее 1 В

      Результат
      Результат Следующий шаг
      NG А
      OK (для моделей с левосторонним рулевым управлением) B
      OK (для моделей с правосторонним рулевым управлением) C

    B
    C
    А