СИСТЕМА НАКЛОННОЙ ТЕЛЕСКОПИЧЕСКОЙ РУЛЕВОЙ КОЛОНКИ С ЭЛЕКТРОПРИВОДОМ, Diagnostic DTC:B2610

Код DTC Наименование DTC
B2610 Неисправность в цепи датчика наклона или электродвигателя наклона

ОПИСАНИЕ

Напряжение питания, подаваемое из мультиплексного ЭБУ регулировки наклона и телескопического изменения высоты, приводит в движение двигатель наклона, в результате чего рулевая колонка перемещается вверх или вниз. Находящийся в электродвигателе наклона датчик наклона (датчик Холла) регистрирует угол наклона рулевой колонки и передает соответствующий сигнал в мультиплексный ЭБУ регулировки наклона и телескопического изменения высоты.

A019O7OE05

Tech Tips

Крайние положения можно проверить по показаниям на экране портативного диагностического прибора.

№ DTC Неисправность Неисправный участок
B2610 Наклон прекращается в пределах рабочего диапазона.
  • Жгут или разъем

  • Датчик наклона или электродвигатель наклона

  • Мультиплексный ЭБУ регулировки наклона и телескопического изменения высоты

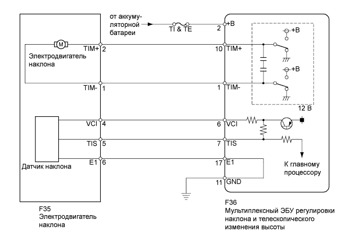
СХЕМА СОЕДИНЕНИЙ

A019KGKE02

ПОСЛЕДОВАТЕЛЬНОСТЬ ПРОВЕРКИ

ПОРЯДОК ВЫПОЛНЕНИЯ


  1. ВЫПОЛНИТЕ ДИАГНОСТИКУ В РЕЖИМЕ ACTIVE TEST С ПОМОЩЬЮ ПОРТАТИВНОГО ДИАГНОСТИЧЕСКОГО ПРИБОРА (УПРАВЛЕНИЕ НАКЛОНОМ)


    1. A019LI0E01

      Выключите зажигание.

    2. Подсоедините портативный диагностический прибор к DLC3.

    3. Включите зажигание (IG).

    4. Включите портативный диагностический прибор.

    5. Убедитесь, что рулевое колесо наклоняется вверх и вниз. Войдите в следующие меню: Chassis / Tilt & Telescopic / Active Test.

      Tilt & Telescopic (регулировка наклона и телескопическое изменение высоты)
      Информация на дисплее прибора Испытываемое устройство Диапазон регулирования Замечание по диагностике
      Tilt Operation Регулировка наклона UP/DOWN (ВВЕРХ/ВНИЗ) -
      OK
      Рулевое колесо наклоняется вверх и вниз.

    NG
    OK
  2. ПРОВЕРЬТЕ ЖГУТ ПРОВОДОВ И РАЗЪЕМ (МУЛЬТИПЛЕКСНЫЙ ЭБУ РЕГУЛИРОВКИ НАКЛОНА И ТЕЛЕСКОПИЧЕСКОГО ИЗМЕНЕНИЯ ВЫСОТЫ – АККУМУЛЯТОРНАЯ БАТАРЕЯ)


    1. A019OVTE08
      Обозначения на рисунке
      *1

      Вид сзади разъема со стороны жгута проводов

      (к мультиплексному ЭБУ регулировки наклона и телескопического изменения высоты)

      Отсоедините разъем F36 мультиплексного ЭБУ регулировки наклона и телескопического изменения высоты.

    2. Измерьте напряжение в соответствии со значениями, приведенными в таблице.

      Номинальное напряжение
      Контакты для подключения диагностического прибора Условие Заданные условия
      F36-2 (+B) - масса Всегда 11-14 В

    NG
    OK
  3. ПРОВЕРЬТЕ ЖГУТ ПРОВОДОВ И РАЗЪЕМ (МУЛЬТИПЛЕКСНЫЙ ЭБУ РЕГУЛИРОВКИ НАКЛОНА И ТЕЛЕСКОПИЧЕСКОГО ИЗМЕНЕНИЯ ВЫСОТЫ – МАССА)


    1. A019OVTE09
      Обозначения на рисунке
      *1

      Вид сзади разъема со стороны жгута проводов

      (к мультиплексному ЭБУ регулировки наклона и телескопического изменения высоты)

      Измерьте сопротивление в соответствии со значениями, приведенными в таблице ниже.

      Номинальное сопротивление
      Контакты для подключения диагностического прибора Условие Заданные условия
      F36-11 (GND) - масса Всегда Менее 1 Ом

    NG
    OK
  4. ПРОВЕРЬТЕ ЖГУТ ПРОВОДОВ И РАЗЪЕМ (МУЛЬТИПЛЕКСНЫЙ ЭБУ РЕГУЛИРОВКИ НАКЛОНА И ТЕЛЕСКОПИЧЕСКОГО ИЗМЕНЕНИЯ ВЫСОТЫ – ЭЛЕКТРОДВИГАТЕЛЬ НАКЛОНА)


    1. A019O3HE03
      Обозначения на рисунке
      *1

      Вид сзади разъема со стороны жгута проводов

      (к мультиплексному ЭБУ регулировки наклона и телескопического изменения высоты)

      *2

      Вид сзади разъема со стороны жгута проводов

      (к электродвигателю наклона)

      Отсоедините разъем F36 мультиплексного ЭБУ регулировки наклона и телескопического изменения высоты.

    2. Отсоедините разъем F35 электродвигателя наклона.

    3. Измерьте сопротивление в соответствии со значениями, приведенными в таблице ниже.

      Номинальное сопротивление
      Контакты для подключения диагностического прибора Условие Заданные условия
      F36-10 (TIM+) - F35-2 (TIM+) Всегда Менее 1 Ом
      F36-1 (TIM-) - F35-1 (TIM-)
      F36-10 (TIM+) - масса Всегда 10 кОм или более
      F36-1 (TIM-) - масса

    NG
    OK
  5. ПРОВЕРЬТЕ ЭЛЕКТРОДВИГАТЕЛЬ НАКЛОНА


    1. A019MGLE01
      Обозначения на рисунке
      *1

      Устройство с неподсоединенным жгутом проводов

      (электродвигатель наклона)

      Подайте напряжение аккумуляторной батареи 12 В на разъем электродвигателя наклона.

      Затем проверьте, изменяется ли наклон рулевого колеса.

      OK
      Условия измерений Заданные условия

      Положительный (+) вывод аккумуляторной батареи 12 В → контакт 1 (TIM-)

      Отрицательный (-) вывод аккумуляторной батареи 12 В → контакт 2 (TIM+)

      Рулевое колесо опускается.

      Положительный (+) вывод аккумуляторной батареи 12 В → контакт 2 (TIM+)

      Отрицательный (-) вывод аккумуляторной батареи 12 В → контакт 1 (TIM-)

      Рулевое колесо поднимается.
      Результат
      Результат Следующий шаг
      NG А
      OK (для моделей с левосторонним рулевым управлением) B
      OK (для моделей с правосторонним рулевым управлением) C

    B
    C
    А
  6. ПРОВЕРЬТЕ ЖГУТ ПРОВОДОВ И РАЗЪЕМ (МУЛЬТИПЛЕКСНЫЙ ЭБУ РЕГУЛИРОВКИ НАКЛОНА И ТЕЛЕСКОПИЧЕСКОГО ИЗМЕНЕНИЯ ВЫСОТЫ – ДАТЧИК НАКЛОНА)


    1. A019O3HE04
      Обозначения на рисунке
      *1

      Вид сзади разъема со стороны жгута проводов

      (к мультиплексному ЭБУ регулировки наклона и телескопического изменения высоты)

      *2

      Вид сзади разъема со стороны жгута проводов

      (к электродвигателю наклона)

      Отсоедините разъем F36 мультиплексного ЭБУ регулировки наклона и телескопического изменения высоты.

    2. Отсоедините разъем F35 электродвигателя наклона.

    3. Измерьте сопротивление в соответствии со значениями, приведенными в таблице ниже.

      Номинальное сопротивление
      Контакты для подключения диагностического прибора Условие Заданные условия
      F36-6 (VCI) - F35-4 (VCI) Всегда Менее 1 Ом
      F36-7 (TIS) - F35-5 (TIS)
      F36-17 (E1) - F35-6 (E1)
      F36-6 (VCI) - масса Всегда 10 кОм или более
      F36-7 (TIS) - масса
      F36-17 (Е1) - масса

    NG
    OK
  7. ПРОВЕРЬТЕ ЖГУТ ПРОВОДОВ И РАЗЪЕМ (МУЛЬТИПЛЕКСНЫЙ ЭБУ РЕГУЛИРОВКИ НАКЛОНА И ТЕЛЕСКОПИЧЕСКОГО ИЗМЕНЕНИЯ ВЫСОТЫ – МАССА)


    1. A019OVTE10
      Обозначения на рисунке
      *1

      Вид сзади разъема со стороны жгута проводов

      (к мультиплексному ЭБУ регулировки наклона и телескопического изменения высоты)

      Измерьте сопротивление в соответствии со значениями, приведенными в таблице ниже.

      Номинальное сопротивление
      Контакты для подключения диагностического прибора Условие Заданные условия
      F36-11 (GND) - масса Всегда Менее 1 Ом

    NG
    OK
  8. ПРОВЕРЬТЕ ЖГУТ ПРОВОДОВ И РАЗЪЕМ (НАПРЯЖЕНИЕ НА КОНТАКТАХ VCI, TIS)


    1. A019NV8E02
      Обозначения на рисунке
      *1

      Вид сзади разъема со стороны жгута проводов

      (к электродвигателю наклона)

      Подсоедините разъем F36 мультиплексного ЭБУ регулировки наклона и телескопического изменения высоты.

    2. Измерьте напряжение в соответствии со значениями, приведенными в таблице.

      Номинальное напряжение
      Контакты для подключения диагностического прибора Положение переключателя Заданные условия
      F35-4 (VCI) - F35-6 (E1) Зажигание включено (IG) 8–16 В
      F35-5 (TIS) - F35-6 (E1)

    NG
    OK
  9. ПРОВЕРЬТЕ ДАТЧИК НАКЛОНА


    1. A019K5YE06
      Обозначения на рисунке
      *1

      Устройство с подсоединенным жгутом проводов

      (мультиплексный ЭБУ регулировки наклона и телескопического изменения высоты)

      Подсоедините разъем F35 электродвигателя наклона.

    2. Измерьте напряжение в соответствии со значениями, приведенными в таблице.

      Номинальное напряжение
      Контакты для подключения диагностического прибора Условие Заданные условия
      F36-7 (TIS) - F36-17 (E1) Рулевое колесо наклоняется вверх или вниз

      Формирование импульсов

      Высокий уровень: 8-16 В

      Низкий уровень: Менее 1 В

      Результат
      Результат Следующий шаг
      NG А
      OK (для моделей с левосторонним рулевым управлением) B
      OK (для моделей с правосторонним рулевым управлением) C

    B
    C
    А