MOTOR GENERATOR CONTROL COMPUTER INSTALLATION

Note

Do not cross-thread the screws when installing them.


  1. HOW TO PREVENT STATIC ELECTRICITY

    Note


    • Static electricity should be eliminated when removing/installing the inverter with converter assembly.

    • Do not touch the electronic components of a circuit board.

    • Keep clothes away from electronic components.

    • Place parts removed from the inverter with converter assembly on SST (anti-static mat).


    1. A01NILFE03

      Wear SST (wrist band).

      SST
      09890-47010
    2. Connect the ground clip of the SST (anti-static mat) securely to a ground point provided in the workshop or on a workbench (anchor bolt).

      SST
      09890-47010

      Tech Tips

      If the ground clip cable is too short, use an extension cable.

    3. Connect the ground clip of the antistatic wrist strap securely to the specified point of the antistatic mat.

    4. After removing the converter cover, perform work with bare hands to prevent damage from static electricity and entry of foreign matter.

  2. INSTALL MOTOR GENERATOR CONTROL COMPUTER

    Note


    • Do not touch the electronic components of the circuit board.

    • Do not allow any foreign matter or water drops to enter the inverter with converter assembly.


    1. for 2WD:


      1. A01NK1E

        Hold the corners of the motor generator control computer and install it to the inverter with converter assembly.

      2. A01NKTN

        Install 6 new screws.

        Torque:
        1.9 N*m  { 19 kgf*cm, 17 in.*lbf }
      3. A01NL9C

        Connect the 6 motor generator control computer connectors.

    2. for AWD:


      1. A01NL38

        Hold the corners of the motor generator control computer and install it to the inverter with converter assembly.

      2. A01NMMG

        Install 6 new screws.

        Torque:
        1.9 N*m  { 19 kgf*cm, 17 in.*lbf }
      3. A01NL7Y

        Connect the 7 motor generator control computer connectors.

    3. Make sure that the motor generator control computer is free of foreign matter.

  3. INSTALL CONVERTER COVER

    Note


    • Do not touch the electronic components of the circuit board.

    • Do not allow any foreign matter or water to enter the inverter with converter assembly.

    • Do not touch or allow foreign matter, such as grease, to adhere to the contact surfaces of the converter cover and inverter with converter assembly.


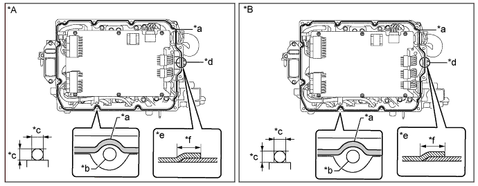
    1. Apply seal packing (diameter: 2.0 to 4.0 mm (0.0787 to 0.157 in.)) in a continuous line to the locations shown in the illustration.

      A01NN32E01
      Text in Illustration
      *A for 2WD *B for AWD
      *a Seal Packing *b Bolt Hole
      *c 2.0 to 4.0 mm (0.0787 to 0.157 in.) *d Starting Position for Seal Packing Application
      *e Overlapping Area of Seal Packing (Side View) *f Below 10 mm (0.394 in.)
      Seal Packing
      Toyota Genuine Seal Packing 1282B, Three Bond 1282B or equivalent

      Note


      • Start applying seal packing from the area (*d) shown in the illustration.

      • Install the converter cover within 3 minutes of applying seal packing.

      • Tighten the bolts within 15 minutes of applying seal packing.

    2. A01NMX0

      Install a new converter cover to the inverter with converter assembly with 12 new bolts.

      Torque:
      4.2 N*m  { 43 kgf*cm, 37 in.*lbf }
    3. A01NILFE07

      Remove SST (wrist band).

  4. INSTALL NO. 1 INVERTER BRACKET


    1. A01NI7RE01
      Text in Illustration
      *a Cloth

      Set the inverter with converter assembly on a clean cloth, etc. and orient it as shown in the illustration.

    2. Install the No. 1 inverter bracket to the inverter with converter assembly with the 5 bolts.

      Torque:
      10 N*m  { 102 kgf*cm, 7 ft.*lbf }
  5. INSTALL WIRE HARNESS CLAMP BRACKET


    1. A01NJNFE01

      Install the 3 wire harness clamp brackets to the inverter with converter assembly with the 4 bolts.

      Torque:
      Bolt (A)
      8.0 N*m  { 82 kgf*cm, 71 in.*lbf }
      Bolt (B)
      8.5 N*m  { 87 kgf*cm, 75 in.*lbf }
  6. INSTALL INVERTER TERMINAL COVER


    1. Set the inverter with converter assembly and orient it as shown in the illustration.

      A01NKBXE01
      Text in Illustration
      *A for 2WD *B for AWD
      *a Protective Tape - -
    2. Remove the protective tape.

      Note

      Do not allow any foreign matter or water to enter the inverter with converter assembly.

    3. Install the inverter terminal cover Click here.

  7. INSTALL INVERTER WITH CONVERTER ASSEMBLY

    Click here

  8. OPERATION CHECK

    Tech Tips

    After the repair, check the operation as follows. Then check for DTCs again.


    1. Operation check 1


      1. Connect the intelligent tester to the DLC3.

      2. Turn the power switch on (IG) and clear the DTCs according to the prompts on the intelligent tester screen.

      3. Turn the power switch on (READY).

      4. Warm up the engine with park (P) selected and the A/C turned off until the engine stops.

        Tech Tips

        The engine will stop automatically when it is warmed up.

      5. Depress the accelerator pedal with park (P) selected to start the engine.

      6. As soon as the engine starts, release the accelerator pedal and wait until the engine stops.

      7. Select drive (D). Creep the vehicle forward 5 m (16.4 ft.) with the engine stopped and without depressing the accelerator pedal.

        Note

        Confirm the safety of the surrounding area before moving the vehicle.

      8. Select reverse (R). Creep the vehicle backward 5 m (16.4 ft.) with the engine stopped and without depressing the accelerator pedal.

        Note

        Confirm the safety of the surrounding area before moving the vehicle.

    2. Operation check 2

      Tech Tips

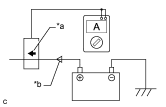
      The current at the AMD terminal cannot be measured directly because of space limitations. Measure the current flowing at the auxiliary battery instead.


      1. A01NK2LE04
        Text in Illustration
        *a Probe Direction
        *b Current Flowing to Auxiliary Battery

        Connect the AC/DC 400 A probe of the tester to the positive auxiliary battery line.

      2. Turn the power switch on (READY) and leave the vehicle as it is until the electric current flowing to the auxiliary battery becomes 10 A or less.

      3. A01NJWYE03
        Text in Illustration
        *a Probe Direction
        *b Current Flowing from Auxiliary Battery

        Change the orientation of the AC/DC 400 A probe.

      4. Measure the current flowing from the auxiliary battery with the power switch on (READY), the headlight position switch and blower motor switch in the HI position, and the rear window defogger turned on.

        Standard Current
        Item Condition Specified Condition
        Current flowing from auxiliary battery

        Power switch on (READY)

        (The headlight position switch and blower motor switch are in the HI position, and the rear window defogger is turned on.)

        0 A or less

        (No current from auxiliary battery)

      5. Turn the power switch off.