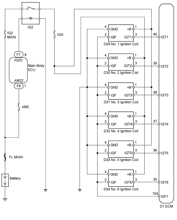
IGNITION SYSTEM SYSTEM DIAGRAM

A019KSVE02