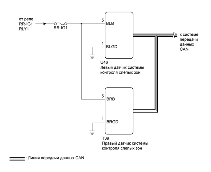
СИСТЕМА КОНТРОЛЯ СЛЕПЫХ ЗОН Цепь питания

ОПИСАНИЕ

По этой цепи подается питание датчика системы контроля слепых зон.

СХЕМА ЭЛЕКТРИЧЕСКИХ СОЕДИНЕНИЙ

A01FUQZE09

ПОСЛЕДОВАТЕЛЬНОСТЬ ПРОВЕРКИ

Note

Перед выполнением следующей процедуры проверки проверьте предохранители цепей, относящихся к данной системе.

ПОРЯДОК ВЫПОЛНЕНИЯ


  1. ПРОВЕРЬТЕ ЖГУТ ПРОВОДОВ И РАЗЪЕМ (ПРАВЫЙ ДАТЧИК СИСТЕМЫ КОНТРОЛЯ СЛЕПЫХ ЗОН - АККУМУЛЯТОРНАЯ БАТАРЕЯ)


    1. A01FT7KE05
      Обозначения на рисунке
      *a

      Вид спереди разъема со стороны жгута проводов:

      (к правому датчику системы контроля слепых зон)

      Отсоедините разъем от правого датчика системы контроля слепых зон.

    2. Измерьте напряжение в соответствии со значениями, приведенными в таблице.

      Номинальное напряжение
      Подключение диагностического прибора Положение переключателя Заданные условия
      T39-5 (BRB) - масса Питание включено (IG) 11 - 14 В
      T39-5 (BRB) - масса Питание выключено Менее 1 В

    NG
    OK
  2. ПРОВЕРЬТЕ ЖГУТ ПРОВОДОВ И РАЗЪЕМ (ПРАВЫЙ ДАТЧИК СИСТЕМЫ КОНТРОЛЯ СЛЕПЫХ ЗОН - МАССА)


    1. A01FT7KE04
      Обозначения на рисунке
      *a

      Вид спереди разъема со стороны жгута проводов:

      (к правому датчику системы контроля слепых зон)

      Отсоедините разъем от правого датчика системы контроля слепых зон.

    2. Измерьте сопротивление в соответствии со значениями, приведенными в таблице ниже.

      Номинальное сопротивление
      Подключение диагностического прибора Условие Заданные условия
      T39-1 (BRGD) - масса Всегда Менее 1 Ом

    NG
    OK
  3. ПРОВЕРЬТЕ ЖГУТ ПРОВОДОВ И РАЗЪЕМ (ЛЕВЫЙ ДАТЧИК СИСТЕМЫ КОНТРОЛЯ СЛЕПЫХ ЗОН - АККУМУЛЯТОРНАЯ БАТАРЕЯ)


    1. A01FT7KE07
      Обозначения на рисунке
      *a

      Вид спереди разъема со стороны жгута проводов:

      (к левому датчику системы контроля слепых зон)

      Отсоедините разъем от левого датчика системы контроля слепых зон.

    2. Измерьте напряжение в соответствии со значениями, приведенными в таблице.

      Номинальное напряжение
      Подключение диагностического прибора Положение переключателя Заданные условия
      U46-5 (BLB) - масса Питание включено (IG) 11 - 14 В
      U46-5 (BLB) - масса Питание выключено Менее 1 В

    NG
    OK
  4. ПРОВЕРЬТЕ ЖГУТ ПРОВОДОВ И РАЗЪЕМ (ЛЕВЫЙ ДАТЧИК СИСТЕМЫ КОНТРОЛЯ СЛЕПЫХ ЗОН - МАССА)


    1. A01FT7KE06
      Обозначения на рисунке
      *a

      Вид спереди разъема со стороны жгута проводов:

      (к левому датчику системы контроля слепых зон)

      Отсоедините разъем от левого датчика системы контроля слепых зон.

    2. Измерьте сопротивление в соответствии со значениями, приведенными в таблице ниже.

      Номинальное сопротивление
      Подключение диагностического прибора Условие Заданные условия
      U46-1 (BLGD) - масса Всегда Менее 1 Ом

    NG
    OK