RELAY ON-VEHICLE INSPECTION

PROCEDURE


  1. INSPECT H-LP RELAY


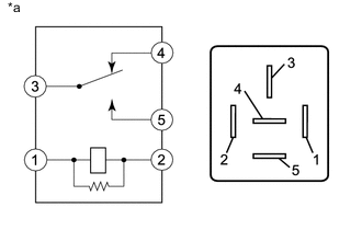
    1. A004JTXE17
      Text in Illustration
      *a

      Component without harness connected

      (H-LP Relay)

      Remove the H-LP relay from the engine room relay block.

    2. Measure the resistance according to the value(s) in the table below.

      Standard Resistance
      Tester Connection Condition Specified Condition
      3 - 5 Voltage is not applied between terminals 1 and 2 10 kΩ or higher
      3 - 5 Voltage is applied between terminals 1 and 2 Below 1 Ω

      If the result is not as specified, replace the H-LP relay.

  2. INSPECT DIM RELAY


    1. A004JTXE17
      Text in Illustration
      *a

      Component without harness connected

      (DIM Relay)

      Remove the DIM relay from the engine room relay block.

    2. Measure the resistance according to the value(s) in the table below.

      Standard Resistance
      Tester Connection Condition Specified Condition
      3 - 5 Voltage is not applied between terminals 1 and 2 10 kΩ or higher
      3 - 5 Voltage is applied between terminals 1 and 2 Below 1 Ω

      If the result is not as specified, replace the DIM relay.

  3. INSPECT RR FOG RELAY


    1. A004JTXE17
      Text in Illustration
      *a

      Component without harness connected

      (RR FOG Relay)

      Remove the RR FOG relay from the engine room relay block.

    2. Measure the resistance according to the value(s) in the table below.

      Standard Resistance
      Tester Connection Condition Specified Condition
      3 - 5 Voltage is not applied between terminals 1 and 2 10 kΩ or higher
      3 - 5 Voltage is applied between terminals 1 and 2 Below 1 Ω

      If the result is not as specified, replace the RR FOG relay.

  4. INSPECT DRL RELAY


    1. A004K7VE01
      Text in Illustration
      *a

      Component without harness connected

      (DRL Relay)

      Remove the DRL relay from the engine room relay block.

    2. Measure the resistance according to the value(s) in the table below.

      Standard Resistance
      Tester Connection Condition Specified Condition
      3 - 4 Battery voltage not applied Below 1 Ω
      3 - 4 Battery voltage applied to terminals 1 and 2 10 kΩ or higher
      3 - 5 Battery voltage not applied 10 kΩ or higher
      3 - 5 Battery voltage applied to terminals 1 and 2 Below 1 Ω

      If the result is not as specified, replace the DRL relay.