LIGHTING SYSTEM SYSTEM DIAGRAM


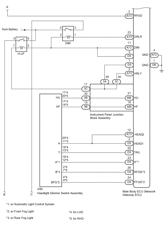
  1. HEADLIGHT

    A004J90E04
    A004KHTE04
    A004IM8E02
    A004HYME02
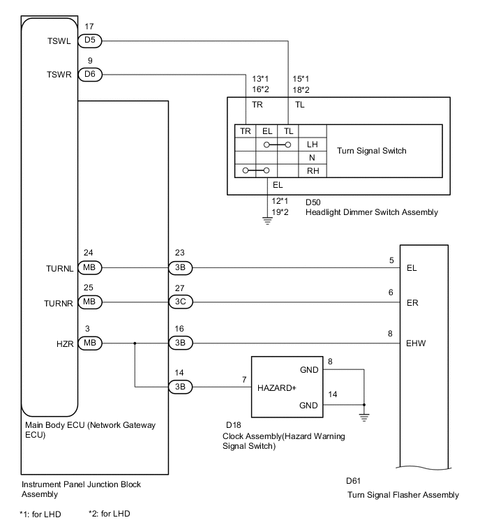
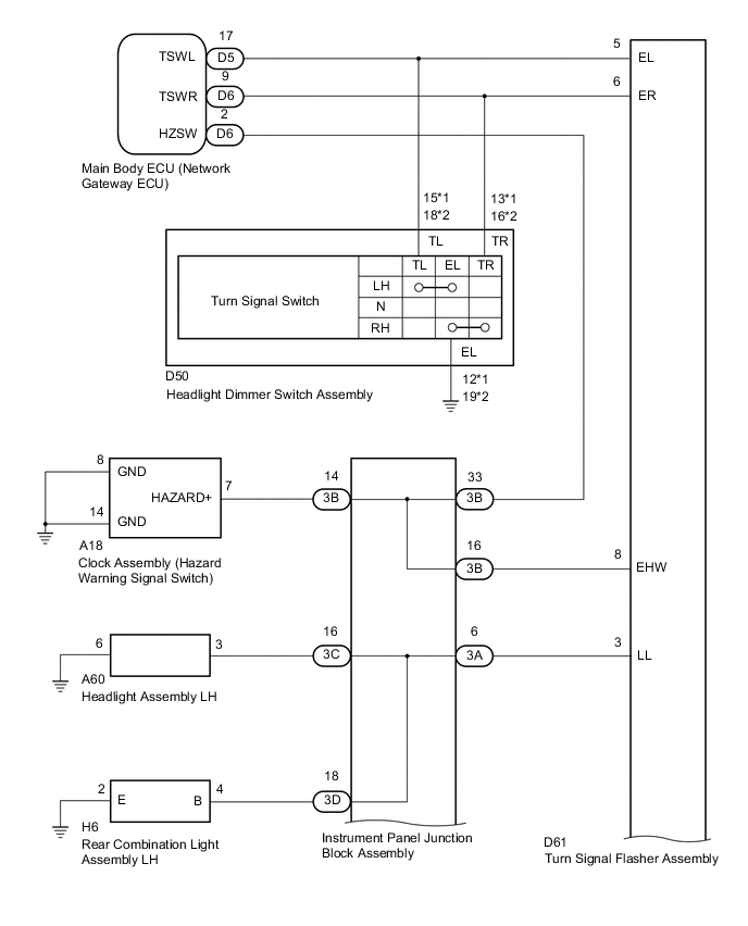
  2. TURN SIGNAL LIGHT (w/ Side Turn Signal Light)

    A004IGUE02
    A004HGEE03
  3. TURN SIGNAL LIGHT (w/o Side Turn Signal Light)

    A004I9NE02
    A004KPDE04
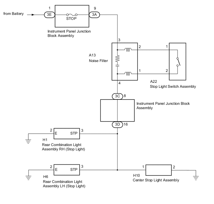
  4. STOP LIGHT

    A004KBYE05
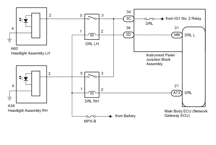
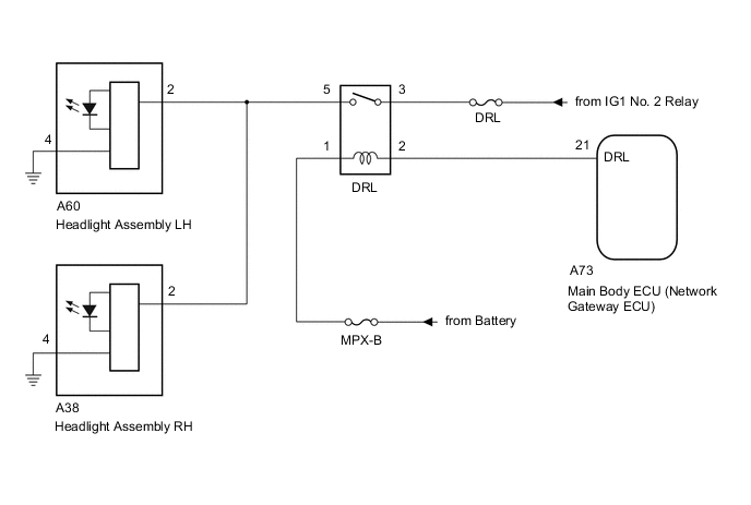
  5. DAYTIME RUNNING LIGHT SYSTEM (w/ Side Turn Signal Light)

    A004H4KE02
  6. DAYTIME RUNNING LIGHT SYSTEM (w/o Side Turn Signal Light)

    A004HDIE03