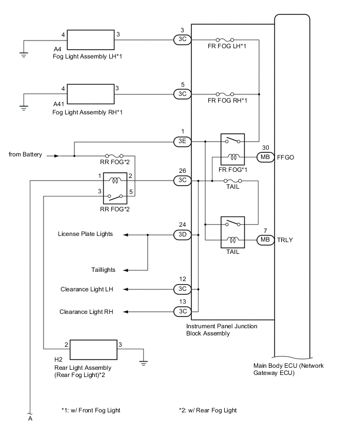
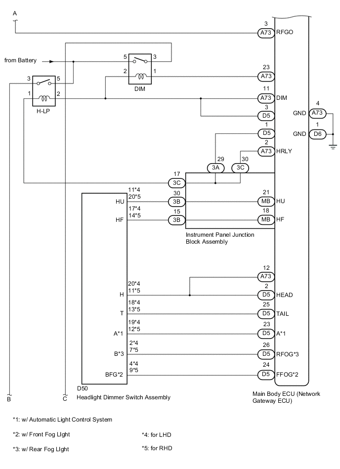
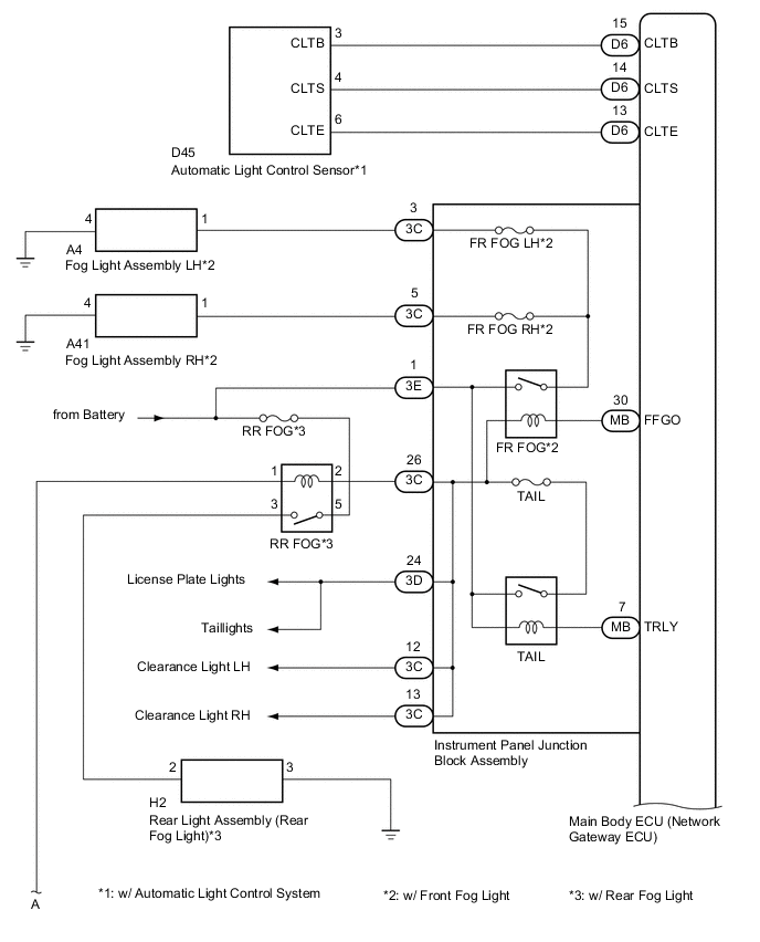
LIGHTING SYSTEM SYSTEM DIAGRAM


  1. HEADLIGHT (w/ HID Headlight)

    A004J90E03
    A004KHTE03
    A004IUSE02
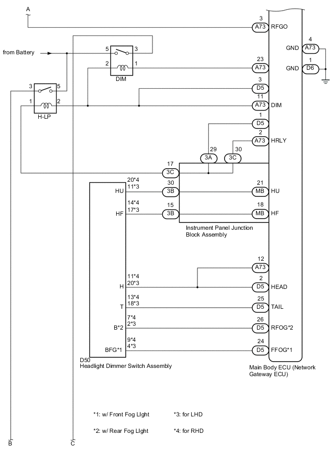
  2. HEADLIGHT (w/o HID Headlight)

    A004K9AE03
    A004JVPE01
    A004HMQE02
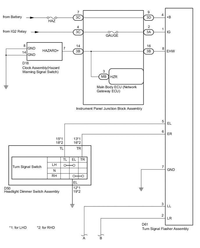
  3. TURN SIGNAL LIGHT

    A004KXME01
    A004JH6E05
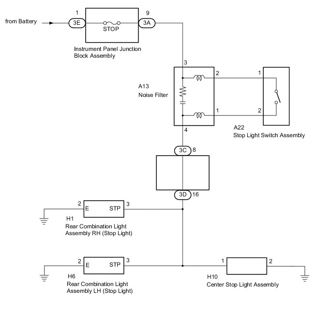
  4. STOP LIGHT

    A004KBYE04
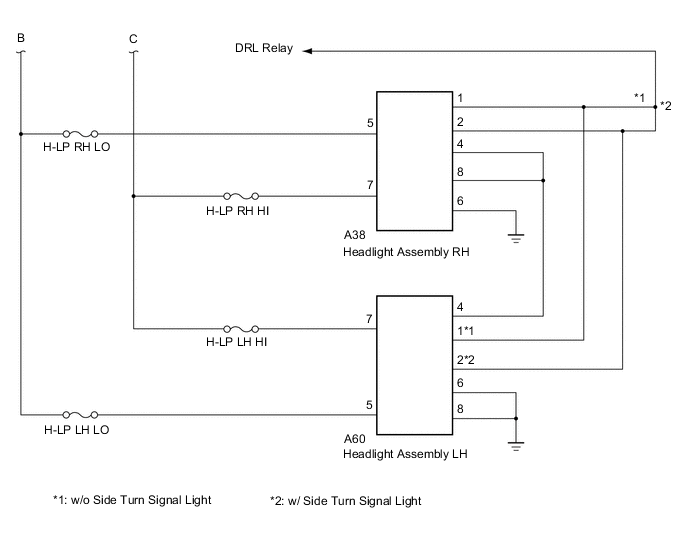
  5. DAYTIME RUNNING LIGHT SYSTEM

    A004KCJE02
    *a from Battery
    *b from IG2 No. 2 Relay
    *c to Headlight Assembly
    *d Main Body ECU (Network Gateway ECU)