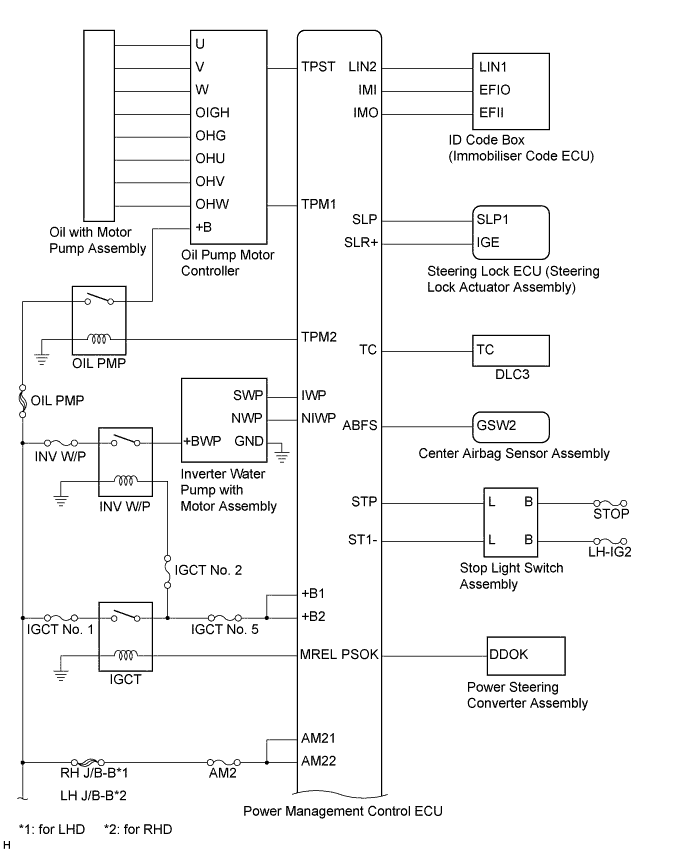
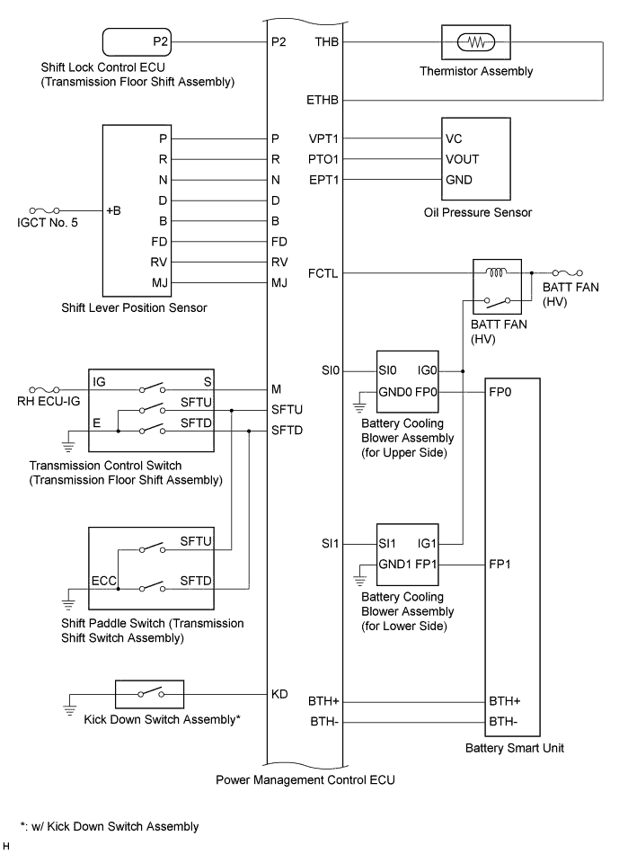
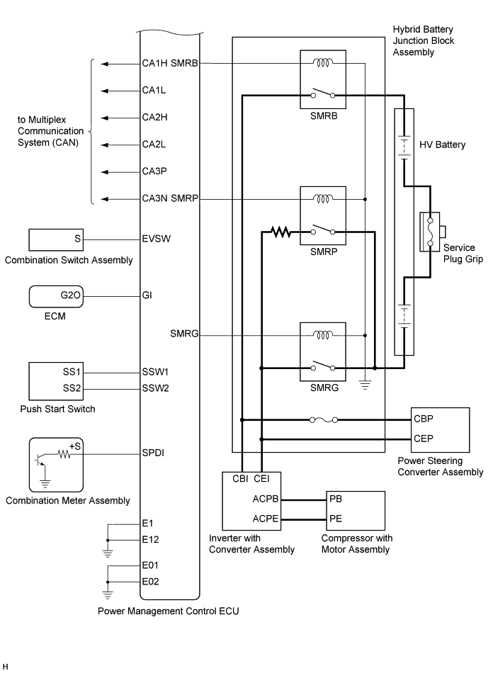
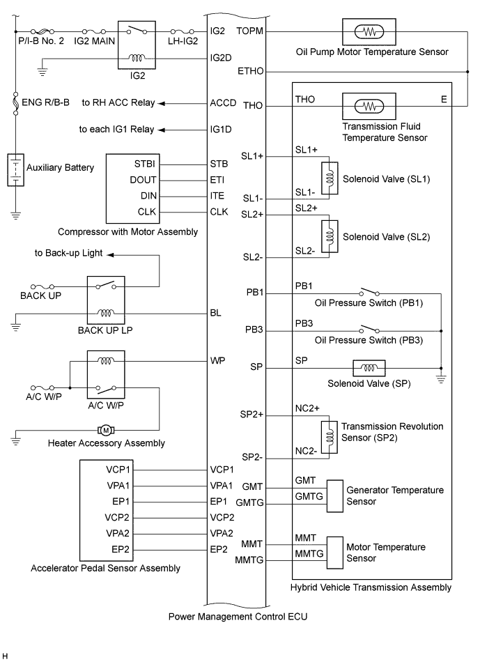
HYBRID CONTROL SYSTEM SYSTEM DIAGRAM

A01FV7SE02
A01FQJ7E02
A01FTB7E01
A01FTOFE01
A01FSHLE01