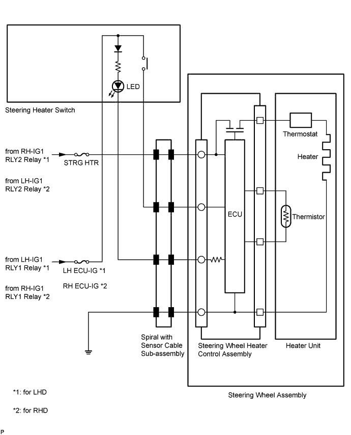
HEATED STEERING WHEEL SYSTEM SYSTEM DIAGRAM


  1. SYSTEM DIAGRAM

    A01FHIBE01