POWER TILT AND POWER TELESCOPIC STEERING COLUMN SYSTEM, Diagnostic DTC:B2610

DTC Code DTC Name
B2610 Tilt Position Sensor or Tilt Motor Circuit Malfunction

DESCRIPTION

The tilt motor is operated by the power source voltage supplied from the multiplex tilt and telescopic ECU and tilts the steering column up and down. The tilt position sensor (Hall IC) in the tilt motor detects the tilt angle of the steering column and sends a signal to the multiplex tilt and telescopic ECU based on that angle.

DTC No. Detection Item Trouble Area
B2610 Tilt operation stops within the operation range while operating.
  • TI & TE fuse

  • Tilt position sensor or tilt motor

  • Harness or connector

  • Multiplex tilt and telescopic ECU

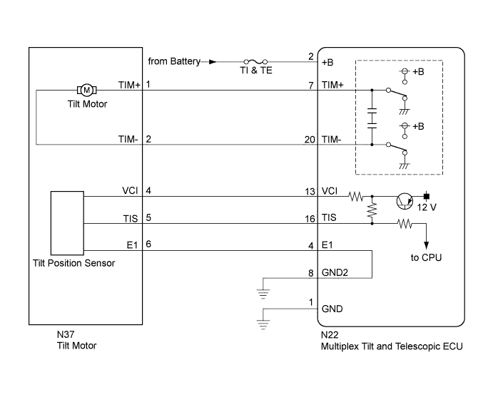
WIRING DIAGRAM

A01FGHYE05

INSPECTION PROCEDURE

Tech Tips

Inspect the fuses for circuits related to this system before performing the following inspection procedure.

PROCEDURE


  1. PERFORM ACTIVE TEST USING GTS (TILT OPERATION)


    1. Turn the engine switch off.

    2. Connect the GTS to the DLC3.

    3. Turn the engine switch on (IG).

    4. Turn the GTS on.

    5. Check that the steering wheel tilts up and down. Enter the following menus: Body Electrical / Tilt & Telescopic / Active Test.

      Tilt & Telescopic
      Tester Display Test Part Control Range Diagnostic Note
      Tilt Operation Tilt operation UP/DOWN -
      OK
      The steering wheel tilts up and down.

    NG
    OK
  2. CHECK HARNESS AND CONNECTOR (MULTIPLEX TILT AND TELESCOPIC ECU - BATTERY)


    1. A01FF14E25
      Text in Illustration
      *a

      Front view of wire harness connector

      (to Multiplex Tilt and Telescopic ECU)

      Disconnect the multiplex tilt and telescopic ECU connector.

    2. Measure the voltage according to the value(s) in the table below.

      Standard Voltage
      Tester Connection Condition Specified Condition
      N22-2 (+B) - Body ground Always 11 to 14 V

    NG
    OK
  3. CHECK HARNESS AND CONNECTOR (MULTIPLEX TILT AND TELESCOPIC ECU - BODY GROUND)


    1. A01FF14E26
      Text in Illustration
      *a

      Front view of wire harness connector

      (to Multiplex Tilt and Telescopic ECU)

      Disconnect the multiplex tilt and telescopic ECU connector.

    2. Measure the resistance according to the value(s) in the table below.

      Standard Resistance
      Tester Connection Condition Specified Condition
      N22-1 (GND) - Body ground Always Below 1 Ω
      N22-8 (GND2) - Body ground

    NG
    OK
  4. CHECK HARNESS AND CONNECTOR (MULTIPLEX TILT AND TELESCOPIC ECU - TILT MOTOR)


    1. Disconnect the N22 multiplex tilt and telescopic ECU connector.

    2. Disconnect the N37 tilt motor connector.

    3. Measure the resistance according to the value(s) in the table below.

      Standard Resistance
      Tester Connection Condition Specified Condition
      N22-7 (TIM+) - N37-1 (TIM+) Always Below 1 Ω
      N22-20 (TIM-) - N37-2 (TIM-)
      N22-7 (TIM+) - Body ground 10 kΩ or higher
      N22-20 (TIM-) - Body ground

    NG
    OK
  5. CHECK TILT MOTOR


    1. Disconnect the N37 tilt motor connector.

    2. A01FF87E10
      Text in Illustration
      *a

      Component without harness connected

      (Tilt Motor)

      Apply 12 V battery voltage to the tilt motor connector.

      Then check the steering wheel tilt operation.

      OK
      Measurement Condition Specified Condition

      • 12 V battery positive (+) lead → Terminal 1 (TIM+)

      • 12 V battery negative (-) lead → Terminal 2 (TIM-)

      The steering wheel tilts up.

      • 12 V battery negative (-) lead → Terminal 1 (TIM+)

      • 12 V battery positive (+) lead → Terminal 2 (TIM-)

      The steering wheel tilts down.

    NG
    OK
  6. CHECK HARNESS AND CONNECTOR (MULTIPLEX TILT AND TELESCOPIC ECU - TILT POSITION SENSOR)


    1. Disconnect the N22 multiplex tilt and telescopic ECU connector.

    2. Disconnect the N37 tilt motor connector.

    3. Measure the resistance according to the value(s) in the table below.

      Standard Resistance
      Tester Connection Condition Specified Condition
      N22-13 (VCI) - N37-4 (VCI) Always Below 1 Ω
      N22-16 (TIS) - N37-5 (TIS)
      N22-4 (E1) - N37-6 (E1)
      N22-13 (VCI) - Body ground 10 kΩ or higher
      N22-16 (TIS) - Body ground
      N22-4 (E1) - Body ground

    NG
    OK
  7. CHECK HARNESS AND CONNECTOR (MULTIPLEX TILT AND TELESCOPIC ECU - BODY GROUND)


    1. A01FF14E26
      Text in Illustration
      *a

      Front view of wire harness connector

      (to Multiplex Tilt and Telescopic ECU)

      Disconnect the multiplex tilt and telescopic ECU connector.

    2. Measure the resistance according to the value(s) in the table below.

      Standard Resistance
      Tester Connection Condition Specified Condition
      N22-1 (GND) - Body ground Always Below 1 Ω
      N22-8 (GND2) - Body ground

    NG
    OK
  8. CHECK MULTIPLEX TILT AND TELESCOPIC ECU (VCI TERMINAL VOLTAGE)


    1. A01FGETE15
      Text in Illustration
      *a

      Component with harness connected

      (Multiplex Tilt and Telescopic ECU)

      Reconnect the multiplex tilt and telescopic ECU connector.

    2. Disconnect the N37 tilt motor connector.

    3. Measure the voltage according to the value(s) in the table below.

      Standard Voltage
      Tester Connection Switch Condition Specified Condition
      N22-13 (VCI) - N22-4 (E1) Engine switch on (IG) 8 to 14 V

    NG
    OK
  9. CHECK TILT POSITION SENSOR


    1. A01FGETE16
      Text in Illustration
      *a

      Component with harness connected

      (Multiplex Tilt and Telescopic ECU)

      Reconnect the multiplex tilt and telescopic ECU connector.

    2. Reconnect the N37 tilt motor connector.

    3. Measure the voltage according to the value(s) in the table below.

      Standard Voltage
      Tester Connection Condition Specified Condition
      N22-16 (TIS) - N22-4 (E1) Steering wheel tilting up or tilting down

      Pulse generation

      High: 8 to 14 V

      Low: Below 1 V


    NG
    OK