ИНТЕЛЛЕКТУАЛЬНАЯ СИСТЕМА ПОСАДКИ И ЗАПУСКА (для функции запуска) Не изменяется режим работы источника питания– питание не включается (IG и ACC)

ОПИСАНИЕ

При выполнении любой из следующих операций ЭБУ сертификации (ЭБУ электронного ключа зажигания в сборе) получает сигнал и изменяет режим источника питания.


Tech Tips

При отсоединении провода от отрицательного вывода (-) аккумуляторной батареи и повторного подсоединения его к этому выводу источник питания возвращается к тому же режиму работы, что и до отсоединения провода.

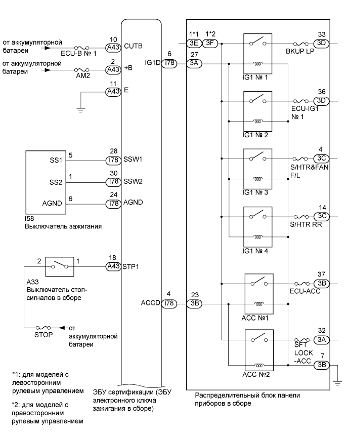
СХЕМА ЭЛЕКТРИЧЕСКИХ СОЕДИНЕНИЙ

A01ESRIE01
A01EUTPE01

ПОСЛЕДОВАТЕЛЬНОСТЬ ПРОВЕРКИ

Note


  • При использовании портативного диагностического прибора с выключенным зажиганием выполните одну из следующих операций: 1) поочередно устанавливайте выключатель освещения какого-либо дверного проема во включенное и выключенное состояния с интервалом не более 1,5 с до тех пор, пока не установится связь между прибором и автомобилем, или 2) подсоедините портативный диагностический прибор к автомобилю, выберите тип автомобиля в ручном режиме, а затем войдите в следующие меню: Body / Entry & Start / DTC.

  • Интеллектуальная система посадки и запуска (при реализации функции запуска) обменивается данными с использованием мультиплексной системы передачи данных (системы передачи данных LIN) и системы передачи данных CAN. Выполните диагностику связи согласно указаниям раздела "Процедура поиска неисправностей" (см. стр. Click here). Приступать к диагностике интеллектуальной системы посадки и запуска (при реализации функции запуска) следует только после подтверждения нормальной работы систем передачи данных.

  • Убедитесь в том, что коды DTC не выводятся. Если выводятся какие-либо коды DTC, обратитесь к таблице диагностических кодов неисправностей (см. стр. Click here).

  • Если интеллектуальная система посадки и запуска отключена с помощью настроек, выполняемых пользователем, то перед началом диагностики включите систему (см. стр. Click here).

  • Перед заменой ЭБУ сертификации (ЭБУ электронного ключа зажигания) обратитесь к мерам предосторожности для интеллектуальной системы посадки и запуска (при реализации функции запуска) (см. стр. Click here).

  • Перед выполнением следующей процедуры проверки проверьте предохранители цепей, относящихся к данной системе.

  • По окончании ремонта убедитесь, что неисправность не проявляется вновь.

Tech Tips

Связанные параметры режимов Data List и Active Test
Признаки неисправностей Параметр Data List Параметр Active Test
Не устанавливается режим источника питания ON (ВКЛ) (IG или ACC)

    Power Source Control

  • Start Switch1

  • Start Switch2

  • Power Supply Condition

  • IG1 Relay Monitor(Inside)

  • IG2 Relay Monitor (Inside)

  • IG1 Relay Monitor (Outside)

  • IG2 Relay Monitor(Outside)

  • Latch Circuit

  • ACC Relay Monitor

-

ПОРЯДОК ВЫПОЛНЕНИЯ


  1. ПРОВЕРЬТЕ СИСТЕМУ ДИСТАНЦИОННОГО УПРАВЛЕНИЯ ЗАМКАМИ ДВЕРЕЙ


    1. Проверьте работу функции дистанционной блокировки дверей при помощи передатчика электронного ключа.

      OK
      Функция дистанционного управления замками дверей работает.

    NG
    OK
  2. ПРОВЕРЬТЕ ЖГУТ ПРОВОДОВ И РАЗЪЕМ (ИСТОЧНИК ПИТАНИЯ)

    A01EW7SE07
    Обозначения на рисунке
    *a

    Вид сзади разъема со стороны жгута проводов

    (к ЭБУ сертификации (ЭБУ электронного ключа зажигания в сборе))


    1. Отсоедините разъем A43 от ЭБУ сертификации (ЭБУ электронного ключа зажигания в сборе).

    2. Измерьте напряжение в соответствии со значениями, приведенными в таблице.

      Номинальное напряжение
      Подключение диагностического прибора Условие Заданные условия
      A43-2 (+B) - масса Всегда 11 - 14 В

    NG
    OK
  3. ПРОВЕРЬТЕ ЖГУТ ПРОВОДОВ И РАЗЪЕМ (МАССА)

    A01EW7SE08
    Обозначения на рисунке
    *a

    Вид сзади разъема со стороны жгута проводов

    (к ЭБУ сертификации (ЭБУ электронного ключа зажигания в сборе))


    1. Измерьте сопротивление в соответствии со значениями, приведенными в таблице ниже.

      Номинальное сопротивление
      Подключение диагностического прибора Условие Заданные условия
      A43-11 (E) - масса Всегда Менее 1 Ом

    NG
    OK
  4. ПРОВЕРЬТЕ ИНТЕЛЛЕКТУАЛЬНУЮ СИСТЕМУ ПОСАДКИ И ЗАПУСКА


    1. Извлеките батарею из передатчика электронного ключа (см. стр. Click here).

    2. A01EVPHE01
      Обозначения на рисунке
      *1 Выключатель зажигания
      *2 Передатчик электронного ключа в сборе

      Нажав педаль тормоза, поднесите передатчик электронного ключа к выключателю зажигания и проверьте, изменяется ли режим источника питания.

      OK
      Режим источника питания изменяется.

      Tech Tips

      Если режим источника питания изменяется, верификация в салоне производится неправильно.

      Результат
      Результат Перейдите к
      Режим источника питания не изменяется. А
      Режим источника питания изменяется. B

    B
    А
  5. СНИМИТЕ ПОКАЗАНИЯ ПОРТАТИВНОГО ДИАГНОСТИЧЕСКОГО ПРИБОРА


    1. Подсоедините портативный диагностический прибор к DLC3.

    2. Включите портативный диагностический прибор.

    3. Войдите в следующие меню: Body / Power Source Control / Data List.

    4. В соответствии с указаниями на дисплее портативного диагностического прибора считайте данные в режиме Data List.

      Power Source Control
      Информация на дисплее прибора Измеряемая величина / диапазон измерения Нормальное состояние Заданные условия
      Stop Light Switch1 Состояние педали тормоза / ON (ВКЛ) или OFF (ВЫКЛ)

      ON (ВКЛ): педаль тормоза нажата

      OFF (ВЫКЛ): педаль тормоза отпущена


      • Этот параметр используется для проверки исправности выключателя стоп-сигналов.

      • Когда этот параметр принимает значение OFF (ВЫКЛ), двигатель запустить невозможно.

      • Если этот выключатель неисправен, двигатель можно запустить, нажав и удерживая выключатель зажигания в течение определенного времени.

      OK
      На экране отображается ON (ВКЛ) (педаль тормоза нажата) и OFF (ВЫКЛ) (педаль тормоза отпущена).

    NG
    OK
  6. СНИМИТЕ ПОКАЗАНИЯ ПОРТАТИВНОГО ДИАГНОСТИЧЕСКОГО ПРИБОРА


    1. В соответствии с указаниями на дисплее портативного диагностического прибора считайте данные в режиме Data List.

      Power Source Control
      Информация на дисплее прибора Измеряемая величина / диапазон измерения Нормальное состояние Замечание по диагностике
      Power Supply Condition Состояние источника питания / IG2 ON, ST ON, All OFF, IG1 ON или ACC ON

      All OFF: Выключатель зажигания в состоянии OFF (ВЫКЛ) (ACC и IG)

      ACC ON: Зажигание включено (АСС)

      IG1 ON: Выключатель зажигания включен (IG) (реле IG1 включено)

      IG2 ON: Выключатель зажигания включен (IG) (реле IG2 включено)

      ST ON: Отправка сигнала запроса запуска двигателя

      Поскольку реле IG1 и IG2 включаются приблизительно одновременно, сигнал IG1 ON может не отображаться (реле IG1 включается на очень короткое время).
    2. При выключенном зажигании и нажатой педали тормоза поднесите передатчик электронного ключа к выключателю зажигания не менее чем на 2 с и проверьте данные в режиме Data List.

      OK
      В режиме Data List отображается IG2 ON (ВКЛ).

      Tech Tips

      Если интеллектуальная система посадки и запуска была отключена в меню настройки, в Data List отображается ACC ON (ВКЛ).


    NG
    OK
  7. ПРОВЕРЬТЕ ЭБУ СЕРТИФИКАЦИИ (ЭБУ ЭЛЕКТРОННОГО КЛЮЧА ЗАЖИГАНИЯ В СБОРЕ)


    1. В соответствии с указаниями на дисплее портативного диагностического прибора считайте данные в режиме Data List.

    2. Измерьте напряжение в соответствии со значениями, приведенными в таблице.

      A01EYMEE09
      Обозначения на рисунке
      *a

      Устройство с подсоединенным жгутом проводов

      (ЭБУ сертификации (ЭБУ электронного ключа зажигания в сборе))

      - -
    3. В соответствии с указаниями на дисплее портативного диагностического прибора считайте данные в режиме Data List.

      Power Source Control
      Информация на дисплее прибора Измеряемая величина / диапазон измерения Нормальное состояние Замечание по диагностике
      Power Supply Condition Состояние источника питания / IG2 ON, ST ON, All OFF, IG1 ON или ACC ON

      All OFF: Выключатель зажигания в состоянии OFF (ВЫКЛ) (ACC и IG)

      ACC ON: Зажигание включено (АСС)

      IG1 ON: Выключатель зажигания включен (IG) (реле IG1 включено)

      IG2 ON: Выключатель зажигания включен (IG) (реле IG2 включено)

      ST ON: Отправка сигнала запроса запуска двигателя

      Поскольку реле IG1 и IG2 включаются приблизительно одновременно, сигнал IG1 ON может не отображаться (реле IG1 включается на очень короткое время).
    4. Измерьте напряжение во время проверки в режиме Data List с помощью портативного диагностического прибора.

      Номинальное напряжение
      Подключение диагностического прибора Условие Заданные условия
      I78-6 (IG1D) - масса Зажигание выключено 1 В или менее
      Выключатель зажигания в положении ACC 1 В или менее
      Зажигание включено (IG) 9 В или выше
      A43-9 (IG2D) - масса Зажигание выключено 1 В или менее
      Выключатель зажигания в положении ACC 1 В или менее
      Зажигание включено (IG) 9 В или выше
      I78-4 (ACCD) - масса Зажигание выключено 1 В или менее
      Зажигание включено (IG) 8,5 В или выше
      Выключатель зажигания в положении ACC 8,5 В или выше

    NG
    OK
  8. СНИМИТЕ ПОКАЗАНИЯ ПОРТАТИВНОГО ДИАГНОСТИЧЕСКОГО ПРИБОРА


    1. В соответствии с указаниями на дисплее портативного диагностического прибора считайте данные в режиме Data List.

      Power Source Control
      Информация на дисплее прибора Измеряемая величина / диапазон измерения Нормальное состояние Замечание по диагностике
      Start Switch1 Состояние выключателя зажигания 1 / ON (ВКЛ) или OFF (ВЫКЛ)

      ON (ВКЛ): Выключатель зажигания нажат

      OFF (ВЫКЛ): Выключатель зажигания не нажат


      • При кратковременном нажатии выключателя зажигания показания дисплея могут не измениться.

      • Этот параметр используется для проверки исправности входного сигнала выключателя зажигания.

      Start Switch2 Состояние выключателя зажигания 2 / ON (ВКЛ) или OFF (ВЫКЛ)

      ON (ВКЛ): Выключатель зажигания нажат

      OFF (ВЫКЛ): Выключатель зажигания не нажат


      • Дублирование выключателя зажигания 1. Однако при нажатии и удерживании выключателя зажигания функции управления работают только при нормальном состоянии выключателя зажигания 1 и 2.

      • Он работает так же, как контакт 1 выключателя зажигания.

      OK
      На экране отображаются значения ON (ВКЛ) (выключатель зажигания нажат) и OFF (ВЫКЛ) (выключатель зажигания не нажат).
      Результат
      Результат Следующий шаг
      NG А
      OK B

    B
    А
  9. ПРОВЕРЬТЕ ВЫКЛЮЧАТЕЛЬ ЗАЖИГАНИЯ


    1. Проверьте выключатель зажигания (для моделей с 2AR-FE) (см. стр. Click here).

    2. Проверьте выключатель зажигания (для моделей с 2GR-FE) (см. стр. Click here).

      Результат
      Результат Перейти к
      OK А
      NG (для моделей с 2AR-FE) B
      NG (для моделей с 2GR-FE) C

    B
    C
    А
  10. ПРОВЕРЬТЕ ЖГУТ ПРОВОДОВ И РАЗЪЕМ (ЭБУ СЕРТИФИКАЦИИ (ЭБУ ЭЛЕКТРОННОГО КЛЮЧА ЗАЖИГАНИЯ В СБОРЕ) - ВЫКЛЮЧАТЕЛЬ ЗАЖИГАНИЯ)


    1. Отсоедините разъем I78 от ЭБУ сертификации (ЭБУ электронного ключа зажигания в сборе).

    2. Измерьте сопротивление в соответствии со значениями, приведенными в таблице ниже.

      Номинальное сопротивление
      Подключение диагностического прибора Условие Заданные условия
      I78-28 (SSW1) - I58-5 (SS1) Всегда Менее 1 Ом
      I78-30 (SSW2) - I58-1 (SS2) Всегда Менее 1 Ом
      I78-28 (SSW1) или I58-5 (SS1) - масса Всегда 10 кОм или более
      I78-30 (SSW2) или I58-1 (SS2) - масса Всегда 10 кОм или более

    NG
    OK
  11. ПРОВЕРЬТЕ ВЫКЛЮЧАТЕЛЬ СТОП-СИГНАЛОВ В СБОРЕ


    1. Отсоедините разъем А33 от выключателя стоп-сигналов.

    2. Проверьте выключатель стоп-сигналов в сборе (см. стр. Click here).


    NG
    OK
  12. ПРОВЕРИТЬ ЖГУТ ПРОВОДОВ И РАЗЪЕМ (ЭБУ СЕРТИФИКАЦИИ (ЭБУ ЭЛЕКТРОННОГО КЛЮЧА ЗАЖИГАНИЯ В СБОРЕ) - ВЫКЛЮЧАТЕЛЬ СТОП-СИГНАЛОВ В СБОРЕ)


    1. Отсоедините разъем А33 от выключателя стоп-сигналов.

    2. Измерьте сопротивление в соответствии со значениями, приведенными в таблице ниже.

      Номинальное сопротивление
      Подключение диагностического прибора Условие Заданные условия
      A43-18 (STP1) - A33-1 Всегда Менее 1 Ом
      A43-18 (STP1) или A33-1 - масса Всегда 10 кОм или более
    3. A01EV75E02
      Обозначения на рисунке
      *a

      Вид сзади разъема со стороны жгута проводов

      (ЭБУ сертификации (ЭБУ электронного ключа зажигания в сборе))

      Подсоедините разъем A43 выключателя стоп-сигналов в сборе.

    4. Измерьте напряжение в соответствии со значениями, приведенными в таблице.

      Номинальное напряжение
      Подключение диагностического прибора Условие Заданные условия
      A43-18 (STP1) - масса Педаль тормоза отпущена 1 В или менее
      Педаль тормоза нажата 9 В или выше

    NG
    OK
  13. ПРОВЕРЬТЕ DTC


    1. Войдите в следующие меню:

      Для функции посадки и запуска: Body / Entry & Start / Trouble Codes.

    2. Проверьте наличие кодов DTC.

      Результат
      Результат Перейдите к

      Следующие коды DTC не выводятся:


      • B2784

      • B278A

      А
      Выводится DTC B2784. B
      Код DTC B278A выводится C

    B
    C
    А