ИНТЕЛЛЕКТУАЛЬНАЯ СИСТЕМА ПОСАДКИ И ЗАПУСКА (для функции запуска), Diagnostic DTC:B2271

Код DTC Наименование DTC
B2271 Сбой контроля фиксации зажигания

ОПИСАНИЕ

Этот DTC сохраняется при обнаружении неисправности в цепи IG1, цепи IG2 или цепи фиксации IG в ЭБУ сертификации (ЭБУ электронного ключа зажигания в сборе).

Tech Tips

При отсоединении провода от отрицательного вывода (-) аккумуляторной батареи и повторного подсоединения его к этому выводу источник питания возвращается к тому же режиму работы, что и до отсоединения провода.

Код DTC Условие обнаружения DTC Неисправный участок Операция подтверждения вывода DTC
B2271

Удовлетворено одно из следующих условий (логика диагностирования за 1 поездку*):


  • Цепь IG1 или IG2 в ЭБУ сертификации (ЭБУ электронного ключа зажигания в сборе) неисправна.

  • Цепь фиксации IG в ЭБУ сертификации (ЭБУ электронного ключа зажигания в сборе) неисправна.


  • Предохранитель AM2

  • ЭБУ сертификации (ЭБУ электронного ключа зажигания в сборе)

  • Жгут проводов или разъем

Включите зажигание (IG).

Tech Tips

чтобы перевести выключатель зажигания в состояние ON (ВКЛ) (IG), дважды нажмите на него, держа при себе ключ, при рычаге переключения передач в положении P и нажатой педали тормоза.


Tech Tips


  • Цепи включения IG1 и IG2 служат для включения реле IG1 и IG2.

  • После включения цепей IG1 и IG2 цепь фиксации IG поддерживает режим источника питания ON (ВКЛ) (IG), даже если главный процессор функционирует неправильно.

Состояние автомобиля и аварийный режим при обнаружении неисправности
Состояние автомобиля при обнаружении неисправности Аварийный режим при обнаружении неисправности
Выключатель зажигания не устанавливается в состояние ON (ВКЛ) (IG) (невозможно запустить двигатель). Невозможно переключение источника питания в режим ON (ВКЛ) (IG).

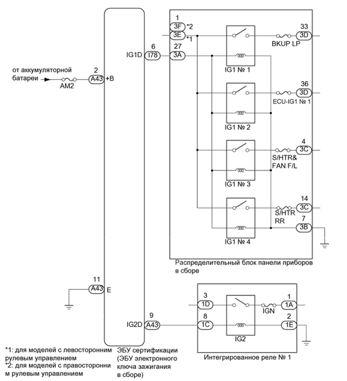
СХЕМА ЭЛЕКТРИЧЕСКИХ СОЕДИНЕНИЙ

A01EVKNE05

ПОСЛЕДОВАТЕЛЬНОСТЬ ПРОВЕРКИ

Note


  • При использовании портативного диагностического прибора с выключенным зажиганием выполните одну из следующих операций: 1) поочередно устанавливайте выключатель освещения какого-либо дверного проема во включенное и выключенное состояния с интервалом не более 1,5 с до тех пор, пока не установится связь между прибором и автомобилем, или 2) подсоедините портативный диагностический прибор к автомобилю, выберите тип автомобиля в ручном режиме, а затем войдите в следующие меню: Body / Entry & Start / DTC.

  • Интеллектуальная система посадки и запуска (при реализации функции запуска) обменивается данными с использованием мультиплексной системы передачи данных (системы передачи данных LIN) и системы передачи данных CAN. Выполните диагностику связи согласно указаниям раздела "Процедура поиска неисправностей" (см. стр. Click here). Приступать к диагностике интеллектуальной системы посадки и запуска (при реализации функции запуска) следует только после подтверждения нормальной работы систем передачи данных.

  • Перед заменой ЭБУ сертификации (ЭБУ электронного ключа зажигания) обратитесь к мерам предосторожности для интеллектуальной системы посадки и запуска (при реализации функции запуска) (см. стр. Click here).

  • Перед выполнением следующей процедуры проверки проверьте предохранители цепей, относящихся к данной системе.

  • После ремонта выполните операцию подтверждения вывода кодов DTC и убедитесь, что коды DTC не выводятся снова.

Tech Tips

Связанные параметры режимов Data List и Active Test
DTC Параметр Data List Параметр Active Test
B2271

    Power Source Control

  • IG1 Relay Monitor(Inside)

  • IG2 Relay Monitor (Inside)

  • Latch Circuit


    Starting Control

  • Ignition

-

ПОРЯДОК ВЫПОЛНЕНИЯ


  1. ПРОВЕРЬТЕ ЖГУТ ПРОВОДОВ И РАЗЪЕМ (ИСТОЧНИК ПИТАНИЯ)

    A01EW7SE07
    Обозначения на рисунке
    *a

    Вид сзади разъема со стороны жгута проводов

    (к ЭБУ сертификации (ЭБУ электронного ключа зажигания в сборе))


    1. Отсоедините разъем A43 от ЭБУ сертификации (ЭБУ электронного ключа зажигания в сборе).

    2. Измерьте напряжение в соответствии со значениями, приведенными в таблице.

      Номинальное напряжение
      Подключение диагностического прибора Условие Заданные условия
      A43-2 (+B) - масса Всегда 11-14 В

    NG
    OK
  2. ПРОВЕРЬТЕ ЖГУТ ПРОВОДОВ И РАЗЪЕМ (МАССА)

    A01EW7SE08
    Обозначения на рисунке
    *a

    Вид сзади разъема со стороны жгута проводов

    (к ЭБУ сертификации (ЭБУ электронного ключа зажигания в сборе))


    1. Измерьте сопротивление в соответствии со значениями, приведенными в таблице ниже.

      Номинальное сопротивление
      Подключение диагностического прибора Условие Заданные условия
      A43-11 (E) - масса Всегда Менее 1 Ом

    NG
    OK
  3. ПРОВЕРЬТЕ ЭБУ СЕРТИФИКАЦИИ (ЭБУ ЭЛЕКТРОННОГО КЛЮЧА ЗАЖИГАНИЯ В СБОРЕ)


    1. Подсоедините разъем ЭБУ сертификации (ЭБУ электронного ключа зажигания в сборе).

      A01EYMEE08
      Обозначения на рисунке
      *a

      Устройство с подсоединенным жгутом проводов

      (ЭБУ сертификации (ЭБУ электронного ключа зажигания в сборе))

      - -
    2. Измерьте напряжение в соответствии со значениями, приведенными в таблице.

      Номинальное напряжение
      Подключение диагностического прибора Условие Заданные условия
      A43-9 (IG2D) - масса Выключатель зажигания в состоянии ON (ВКЛ) (ACC) → в состоянии ON (ВКЛ) (IG) 1 В или ниже → 9 или выше
      I78-6 (IG1D) - масса Выключатель зажигания в состоянии ON (ВКЛ) (ACC) → в состоянии ON (ВКЛ) (IG) 1 В или ниже → 9 или выше

    NG
    OK