ИНТЕЛЛЕКТУАЛЬНАЯ СИСТЕМА ПОСАДКИ И ЗАПУСКА (для функции запуска) СХЕМА СИСТЕМЫ

A01EYEOE04
A01ET6XE02
A01EXU6E03
Устройство Описание

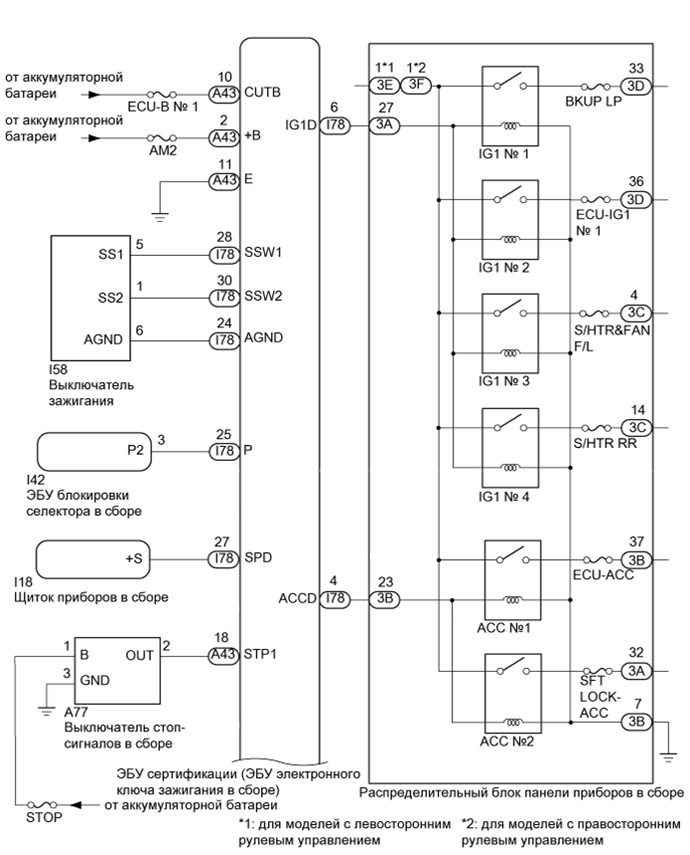
Выключатель зажигания


  • Усилитель электронного ключа зажигания


  • Включает питание и запускает двигатель.

  • Содержит встроенный усилитель электронного ключа зажигания, который обеспечивает запуск двигателя, когда ключ не функционирует надлежащим образом из-за разряженной батареи или действия помех.

ЭБУ сертификации (ЭБУ электронного ключа зажигания в сборе)
  • Изменяет режим источника питания, управляя реле ACC и IG.

  • Управляет запуском с помощью реле стартера.

  • Выполняет проверку ключа.

  • Управляет антеннами электронного ключа (наружными), антеннами электронного ключа (внутренними) и датчиками блокировки/разблокировки дверей.

  • Выдает команды на блокировку/разблокировку дверей интеллектуальной системой посадки.

  • Выдает команды на блокировку/разблокировку привода блокировки рулевого управления в сборе.

  • Выдает команды на включение/выключение иммобилайзера.

  • Формирует область обнаружения интеллектуальной системы посадки.

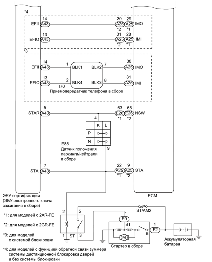
  • Передает команды на включение/выключение иммобилайзера в ЕСМ (для моделей с функцией обратной сигнализации посредством зуммера системы дистанционной блокировки дверей).

  • Записывает коды для интеллектуальной проверки (для моделей с функцией обратной сигнализации посредством зуммера системы дистанционной блокировки дверей).

Блок идентификационного кода (ЭБУ кода иммобилайзера)

(для моделей без функции обратной связи зуммера системы дистанционной блокировки дверей)


  • Получает команды от ЭБУ сертификации и передает команды на включение/выключение иммобилайзера в ECM.

  • Регистрирует коды для интеллектуальной проверки.

ECM
  • Передает в ЭБУ сертификации (ЭБУ электронного ключа зажигания в сборе) сигнал, указывающий на успешный запуск двигателя, при запуске двигателя.

ЭБУ блокировки рулевого управления (привод блокировки рулевого управления)
  • Получает команды от ЭБУ сертификации (ЭБУ электронного ключа зажигания в сборе) и приводит в действие привод блокировки рулевого управления в сборе.

  • Регистрирует коды для интеллектуальной проверки.

Щиток приборов в сборе
  • Управляет выдачей различных предупреждений (отображает сообщения на мультиинформационном дисплее, включает зуммер в щитке приборов, заставляет мигать или непрерывно гореть главную контрольную лампу аварийного состояния) в соответствии с командами от ЭБУ сертификации (ЭБУ электронного ключа зажигания в сборе).

  • Отображает информацию или управляет светодиодом, когда интеллектуальная система посадки и запуска неисправна.

  • Передает сигнал скорости автомобиля в главный ЭБУ кузова (бортовой ЭБУ сети мультиплексной связи).

Реле IG, ACC Включается/выключается под управлением ЭБУ сертификации (ЭБУ электронного ключа зажигания в сборе) и обеспечивает подачу питания в каждую систему.
Выключатель стоп-сигналов в сборе Регистрирует нажатие педали тормоза (переход выключателя во включенное состояние) и передает соответствующий сигнал в ЭБУ сертификации (ЭБУ электронного ключа зажигания в сборе).

Внутренняя антенна электронного ключа № 1 в сборе (в переднем полу)

Внутренняя антенна электронного ключа № 2 в сборе (в заднем полу)

Передает код запроса от ЭБУ сертификации (ЭБУ электронного ключа зажигания) и формирует область обнаружения в салоне автомобиля.
Приемник системы блокировки дверей Получает код интеллектуальной системы посадки и запуска / код системы дистанционного управления, передаваемый ключом, и направляет его в ЭБУ сертификации (ЭБУ электронного ключа зажигания в сборе).
Передатчик электронного ключа в сборе Передает идентификационный код при получении сигнала запроса.