WIPER AND WASHER SYSTEM SYSTEM DIAGRAM


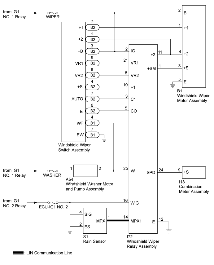
  1. AUTO WIPER SYSTEM (for LHD)

    A01EW74E01
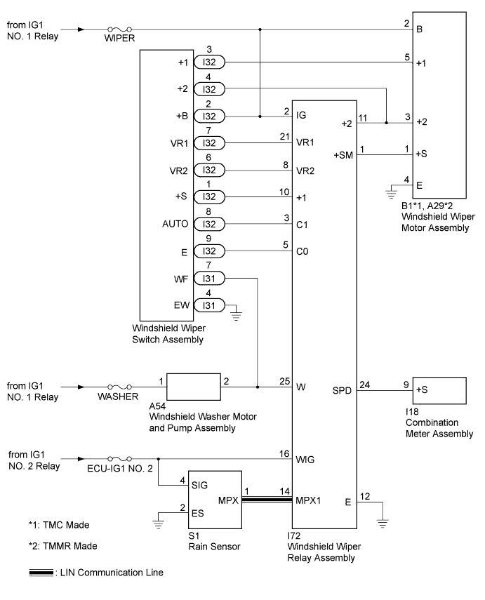
  2. AUTO WIPER SYSTEM (for RHD)

    A01EW74E02
  3. HEADLIGHT CLEANER SYSTEM

    A01EUVPE01