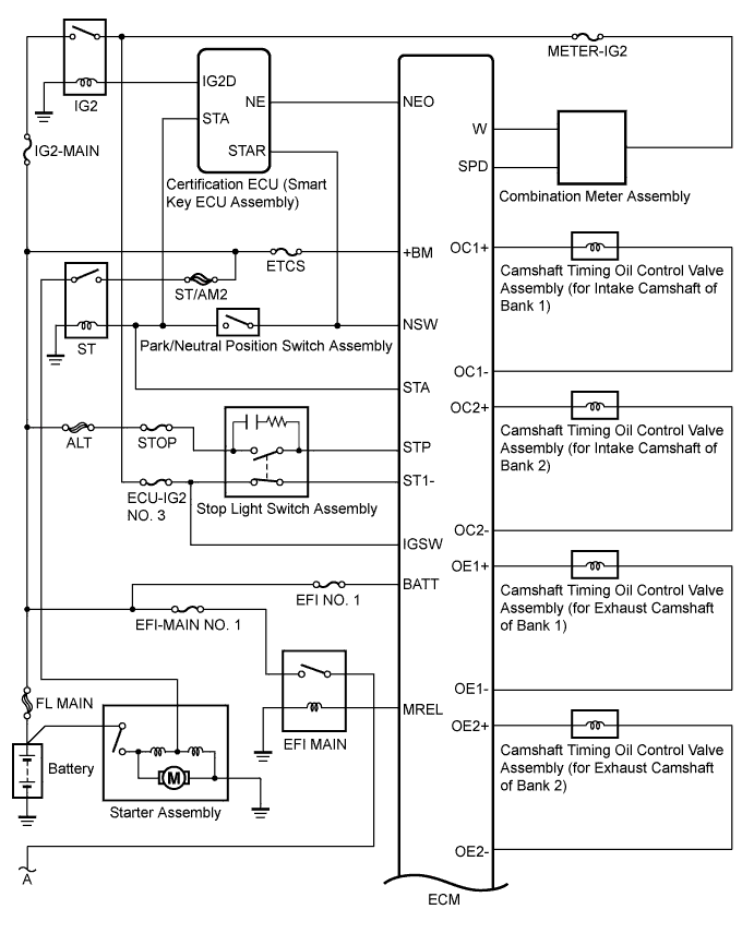
SFI SYSTEM SYSTEM DIAGRAM

A01EUMUE01
A01ET1TE01
A01ETFVE01
A01EZ2ZE01
A01EWD7E01