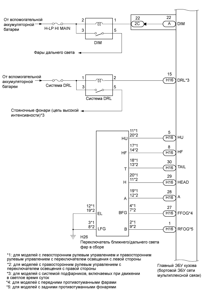
СИСТЕМА ОСВЕЩЕНИЯ СХЕМА СИСТЕМЫ

A003WYRE02
A003VMQE02
A003WM4E02
A003W4ZE01
A003YJCE03
A003ZRQE04
A003Z1NE03