Информация добавлена 08-08-2017
ИЛЛЮСТРАЦИЯ
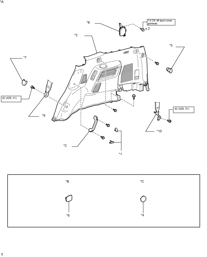
| *A | Для моделей с задним сиденьем № 2 | - | - |
| *1 | ПРАВАЯ ЗАДНЯЯ БОКОВАЯ ОПОРНАЯ НАКЛАДКА | *2 | УПЛОТНИТЕЛЬ ОБШИВКИ ПРОЕМА ПРАВОЙ ЗАДНЕЙ ДВЕРИ |
| *3 | ОПОРНАЯ НАКЛАДКА ПРАВОЙ ЗАДНЕЙ ДВЕРИ | *4 | ЗАДНЯЯ НАКЛАДКА ПОРОГА ПОЛА № 1 |
| ● | Деталь однократного применения | - | - |
ИЛЛЮСТРАЦИЯ
| *A | для моделей с задней крышкой | *B | Для моделей без заднего сиденья № 2 |
| *1 | ПЕРЕДНЯЯ ОБЛИЦОВОЧНАЯ НАКЛАДКА БАГАЖНОГО ОТДЕЛЕНИЯ | *2 | ПАНЕЛЬ ПОЛКИ БАГАЖНОГО ОТДЕЛЕНИЯ № 1 В СБОРЕ |
| *3 | ЗАДНИЙ НАПОЛЬНЫЙ КОВРИК | *4 | ОПОРНАЯ ПЛАСТИНА КОВРИКА ЗАДНЕГО ПОЛА |
| *5 | ЗАДНЯЯ КРЫШКА В СБОРЕ | *6 | ЗАЩЕЛКА РЕМНЯ ДЛЯ УДЕРЖАНИЯ БАГАЖА |
ИЛЛЮСТРАЦИЯ
| *A | Для моделей с задним сиденьем № 2 | *B | для моделей без задней крышки |
| *C | для моделей с задней крышкой | - | |
| *1 | ЗАГЛУШКА ВЕРХНЕГО ПОРУЧНЯ | *2 | ВЕРХНИЙ ПОРУЧЕНЬ В СБОРЕ |
| *3 | ПРАВАЯ БОКОВАЯ ОБЛИЦОВОЧНАЯ ПАНЕЛЬ ПОЛКИ БАГАЖНОГО ОТДЕЛЕНИЯ | *4 | ПЕРЕДНЯЯ БОКОВАЯ ОБЛИЦОВОЧНАЯ НАКЛАДКА ПОЛКИ БАГАЖНОГО ОТДЕЛЕНИЯ |
| *5 | ЗАЩЕЛКА ОБЛИЦОВКИ БАГАЖНОГО ОТДЕЛЕНИЯ № 1 | *6 | КОЛПАЧОК КРЕПЛЕНИЯ ЗАДНЕЙ КРЫШКИ № 1 |
| *7 | НАКЛАДКА КРЕПЛЕНИЯ ПОЯСНОГО РЕМНЯ БЕЗОПАСНОСТИ ЗАДНЕГО СИДЕНЬЯ № 1 | *8 | ИНВЕРТОР НАПРЯЖЕНИЯ В СБОРЕ |
| *9 | НАПОЛЬНОЕ КРЕПЛЕНИЕ РЕМНЯ БЕЗОПАСНОСТИ ЗАДНЕГО СИДЕНЬЯ № 1 В СБОРЕ | *10 | НАПОЛЬНОЕ КРЕПЛЕНИЕ РЕМНЯ БЕЗОПАСНОСТИ ЗАДНЕГО СИДЕНЬЯ № 2 В СБОРЕ |
|
Н*м (кгс*см, фунт-сила-фут) : Номинальный момент затяжки | - | - |
ИЛЛЮСТРАЦИЯ
| *A | Для моделей без заднего сиденья № 2 | *B | для моделей без задней крышки |
| *C | для моделей с задней крышкой | - | - |
| *1 | ПРАВАЯ БОКОВАЯ ОБЛИЦОВОЧНАЯ ПАНЕЛЬ ПОЛКИ БАГАЖНОГО ОТДЕЛЕНИЯ | *2 | ПЕРЕДНЯЯ БОКОВАЯ ОБЛИЦОВОЧНАЯ НАКЛАДКА ПОЛКИ БАГАЖНОГО ОТДЕЛЕНИЯ |
| *3 | ЗАЩЕЛКА ОБЛИЦОВКИ БАГАЖНОГО ОТДЕЛЕНИЯ № 1 | *4 | КОЛПАЧОК КРЕПЛЕНИЯ ЗАДНЕЙ КРЫШКИ № 1 |
| *5 | НАКЛАДКА КРЕПЛЕНИЯ ПОЯСНОГО РЕМНЯ БЕЗОПАСНОСТИ ЗАДНЕГО СИДЕНЬЯ № 1 | *6 | ОПОРА РЫЧАГА ФИКСАЦИИ СПИНКИ ПРАВОГО ЗАДНЕГО СИДЕНЬЯ |
| *7 | ИНВЕРТОР НАПРЯЖЕНИЯ В СБОРЕ | *8 | НАПОЛЬНОЕ КРЕПЛЕНИЕ РЕМНЯ БЕЗОПАСНОСТИ ЗАДНЕГО СИДЕНЬЯ № 1 В СБОРЕ |
|
Н*м (кгс*см, фунт-сила-фут) : Номинальный момент затяжки | - | - |
ИЛЛЮСТРАЦИЯ
| *A | Для моделей с задним воздуховодом | *B | для моделей без задней крышки |
| *C | для моделей с задней крышкой | - | - |
| *1 | ЗАГЛУШКА ВЕРХНЕГО ПОРУЧНЯ | *2 | ВЕРХНИЙ ПОРУЧЕНЬ В СБОРЕ |
| *3 | ПРАВАЯ БОКОВАЯ ОБЛИЦОВОЧНАЯ ПАНЕЛЬ ПОЛКИ БАГАЖНОГО ОТДЕЛЕНИЯ | *4 | ПЕРЕДНЯЯ БОКОВАЯ ОБЛИЦОВОЧНАЯ НАКЛАДКА ПОЛКИ БАГАЖНОГО ОТДЕЛЕНИЯ |
| *5 | ЗАЩЕЛКА ОБЛИЦОВКИ БАГАЖНОГО ОТДЕЛЕНИЯ № 1 | *6 | КОЛПАЧОК КРЕПЛЕНИЯ ЗАДНЕЙ КРЫШКИ № 1 |
| *7 | НАКЛАДКА КРЕПЛЕНИЯ ПОЯСНОГО РЕМНЯ БЕЗОПАСНОСТИ ЗАДНЕГО СИДЕНЬЯ № 1 | *8 | ИНВЕРТОР НАПРЯЖЕНИЯ В СБОРЕ |
| *9 | НАПОЛЬНОЕ КРЕПЛЕНИЕ РЕМНЯ БЕЗОПАСНОСТИ ЗАДНЕГО СИДЕНЬЯ № 1 | *10 | НАПОЛЬНОЕ КРЕПЛЕНИЕ РЕМНЯ БЕЗОПАСНОСТИ ЗАДНЕГО СИДЕНЬЯ № 2 |
|
Н*м (кгс*см, фунт-сила-фут) : Номинальный момент затяжки | - | - |