СИСТЕМА КОНДИЦИОНИРОВАНИЯ, Diagnostic DTC:B1418/18

Информация добавлена 08-08-2017

Код DTC Наименование DTC
B1418/18 Цепь датчика отработавших газов

ОПИСАНИЕ

Датчик дыма, смонтированный в передней части конденсатора системы кондиционирования, используется для автоматического управления воздухозабором. Этот датчик определяет наличие CO и HС в отработавших газах и передает соответствующие сигналы в блок управления системой кондиционирования.

№ DTC Неисправность Условие обнаружения DTC Неисправный участок Память Примечание
B1418/18 Цепь датчика отработавших газов Обрыв или короткое замыкание в цепи датчика дыма (CH, CO)
  • Датчик дыма

  • Жгут или разъем

  • Блок управления системой кондиционирования в сборе

- -

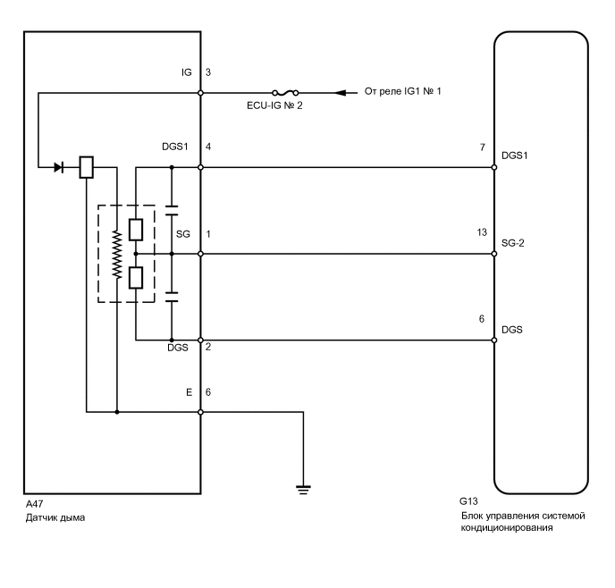
СХЕМА ЭЛЕКТРИЧЕСКИХ СОЕДИНЕНИЙ

B001SQXE04

ПРЕДОСТЕРЕЖЕНИЕ / ПРИМЕЧАНИЕ / УКАЗАНИЕ

Note

Перед выполнением следующей процедуры проверки проверьте предохранители цепей, относящихся к данной системе.

ПОРЯДОК ВЫПОЛНЕНИЯ


  1. СНИМИТЕ ПОКАЗАНИЯ ПОРТАТИВНОГО ДИАГНОСТИЧЕСКОГО ПРИБОРА (ДЛЯ ДАТЧИКА ДЫМА)


    1. Проверьте работоспособность датчика дыма в режиме Data List.

      Нажмите здесь Click here


      Body Electrical > Air Conditioner > Data List
      Информация на дисплее прибора Измеряемая величина Диапазон Нормальное состояние Замечание по диагностике
      Emission Gas Sensor Датчик дыма (CH, CO) Мин.: 0, макс.: 255 Показание датчика дыма (HC, CO) растет при увеличении количества газа -
      OK
      На дисплее отображается значение, соответствующее нормальному состоянию.
      Результат
      Результат Перейти к
      ОК (при поиске неисправностей по таблице признаков неисправностей) А
      ОК (при поиске неисправностей по DTC) B
      NG C

    А
    B
    C
  2. ПРОВЕРЬТЕ ЖГУТ ПРОВОДОВ И РАЗЪЕМ (ДАТЧИК ДЫМА - АККУМУЛЯТОРНАЯ БАТАРЕЯ И МАССА)

    A01NB7SC01
    *a

    Вид спереди разъема со стороны жгута проводов:

    (к датчику дыма)


    1. Отсоедините разъем A47 датчика.

    2. Измерьте напряжение в соответствии со значениями, приведенными в таблице.

      Номинальное напряжение
      Подключение диагностического прибора Положение переключателя Заданные условия
      A47-3 (IG) - масса Зажигание включено (IG) 11 - 14 В
    3. Измерьте сопротивление в соответствии со значениями, приведенными в таблице ниже.

      Номинальное сопротивление
      Подключение диагностического прибора Условие Заданные условия
      A47-6 (E) - масса Всегда Менее 1 Ом
      Результат
      Результат
      OK
      NG

    NG
    OK
  3. ПРОВЕРЬТЕ ДАТЧИК ДЫМА


    1. A01NB9FE03

      Снимите датчик дыма.

      Нажмите здесь Click here

    2. Подсоедините положительный (+) вывод аккумуляторной батареи к контакту 3 (IG), а отрицательный (-) вывод – к контакту 6 (E).

    3. Измерьте сопротивление в соответствии со значениями, приведенными в таблице ниже.

      Номинальное сопротивление
      Подключение диагностического прибора Условие Заданные условия
      1 (SG) - 2 (DGS) Датчик обдувается чистым воздухом при температуре 20°C (68°F) и влажности 60% 10 - 40 кОм

      Tech Tips

      Когда датчик подвергается воздействию отработавших газов, сопротивление повышается.

      Результат
      Результат
      OK
      NG

    NG
    OK
  4. ПРОВЕРЬТЕ ЖГУТ ПРОВОДОВ И РАЗЪЕМ (ДАТЧИК ДЫМА – БЛОК УПРАВЛЕНИЯ СИСТЕМОЙ КОНДИЦИОНИРОВАНИЯ)


    1. Отсоедините разъем G13 блока управления.

    2. Отсоедините разъем A47 датчика.

    3. Измерьте сопротивление в соответствии со значениями, приведенными в таблице ниже.

      Номинальное сопротивление
      Подключение диагностического прибора Условие Заданные условия
      A47-1 (SG) - G13-13 (SG-2) Всегда Менее 1 Ом
      A47-2 (DGS) - G13-6 (DGS) Всегда Менее 1 Ом
      G13-13 (SG-2) - масса Всегда 10 кОм или более
      G13-6 (DGS) - масса Всегда 10 кОм или более
      Результат
      Результат
      OK
      NG

    OK
    NG