СИСТЕМА ПРЕДУПРЕЖДЕНИЯ О НЕПРИСТЕГНУТОМ РЕМНЕ БЕЗОПАСНОСТИ Контрольная лампа предупреждения о непристегнутом ремне безопасности переднего пассажира не работает

Информация добавлена 08-08-2017

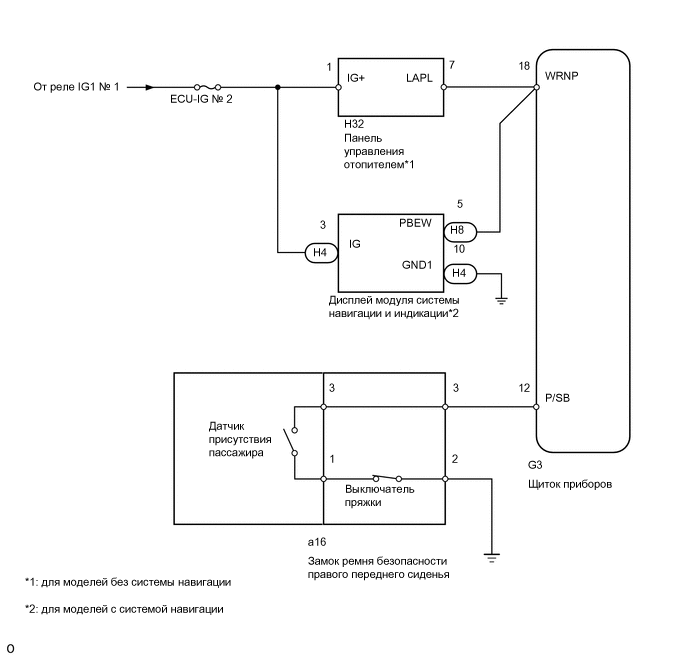
ОПИСАНИЕ


СХЕМА ЭЛЕКТРИЧЕСКИХ СОЕДИНЕНИЙ

A01NAX4E02

ПРЕДОСТЕРЕЖЕНИЕ / ПРИМЕЧАНИЕ / УКАЗАНИЕ

Tech Tips

Перед выполнением следующей процедуры проверки проверьте предохранители цепей, относящихся к данной системе.

ПОРЯДОК ВЫПОЛНЕНИЯ


  1. СНИМИТЕ ПОКАЗАНИЯ ПОРТАТИВНОГО ДИАГНОСТИЧЕСКОГО ПРИБОРА (ВЫКЛЮЧАТЕЛЬ ПРЯЖКИ РЕМНЯ БЕЗОПАСНОСТИ СО СТОРОНЫ ПЕРЕДНЕГО ПАССАЖИРА)


    1. Проверьте в режиме "Data List" работу выключателя пряжки ремня безопасности переднего пассажира.

      Нажмите здесь Click here


      Body Electrical > Combination Meter > Data List
      Информация на дисплее прибора Измеряемая величина Диапазон Нормальное состояние Замечание по диагностике
      P-Seatbelt Buckle SW Сигнал пряжки ремня безопасности переднего пассажира ON (ВКЛ) или OFF (ВЫКЛ)

      ON (ВКЛ): Ззастегнутый ремень безопасности переднего пассажира

      OFF (ВЫКЛ): Незастегнутый ремень безопасности переднего пассажира

      -.
      OK
      На дисплее отображается значение, соответствующее нормальному состоянию.
      Результат
      Результат
      OK
      NG

    NG
    OK
  2. ВЫПОЛНИТЕ АКТИВНУЮ ДИАГНОСТИКУ С ПОМОЩЬЮ ПОРТАТИВНОГО ДИАГНОСТИЧЕСКОГО ПРИБОРА (ДЛЯ КОНТРОЛЬНОЙ ЛАМПЫ РЕМНЯ БЕЗОПАСНОСТИ СО СТОРОНЫ ПЕРЕДНЕГО ПАССАЖИРА)


    1. Действуя в соответствии с указаниями на дисплее портативного диагностического прибора, выберите режим Active Test.

      Нажмите здесь Click here


      Body Electrical > Combination Meter > Active Test
      Информация на дисплее прибора Измеряемая величина Диапазон регулирования Замечание по диагностике
      Front Passenger Side Seat Belt Контрольная лампа предупреждения о непристегнутом ремне безопасности переднего пассажира ON (ВКЛ) / OFF (ВЫКЛ) Убедитесь, что автомобиль остановлен, и двигатель работает на холостом ходу.
      Результат
      Результат Перейти к
      Состояние контрольной лампы ремня безопасности переднего пассажира невозможно переключить в режиме "Active Test" (для моделей без системы навигации) А
      Состояние контрольной лампы ремня безопасности переднего пассажира невозможно переключить в режиме "Active Test" (для моделей с системой навигации) B
      Состояние контрольной лампы ремня безопасности переднего пассажира можно переключить в режиме "Active Test" C

    B
    C
    А
  3. ПРОВЕРЬТЕ ПАНЕЛЬ УПРАВЛЕНИЯ ОТОПИТЕЛЕМ


    1. A01NBWSE03

      Снимите панель переключателя управления отопителем.

    2. Подайте напряжение аккумуляторной батареи на панель управления отопителем.

    3. Убедитесь, что контрольная лампа ремня безопасности переднего пассажира горит.

      OK
      Условия измерений Заданные условия

      Положительный (+) вывод аккумуляторной батареи → контакт 1 (IG+)

      Отрицательный (-) вывод аккумуляторной батареи → контакт 7 (LAPL)

      Контрольная лампа предупреждения о непристегнутом ремне безопасности переднего пассажира горит
      Результат
      Результат
      OK
      NG

    NG
    OK
  4. ПРОВЕРЬТЕ ЖГУТ ПРОВОДОВ И РАЗЪЕМ (ЩИТОК ПРИБОРОВ - ПАНЕЛЬ УПРАВЛЕНИЯ ОТОПИТЕЛЕМ, АККУМУЛЯТОРНАЯ БАТАРЕЯ И МАССА)


    1. Отсоедините разъем G3 щитка приборов.

    2. Отсоедините разъем H32 панели управления отопителем.

    3. Измерьте сопротивление и напряжение в соответствии со значениями, приведенными в таблице.

      Номинальное сопротивление
      Подключение диагностического прибора Условие Заданные условия
      G3-18 (WRNP) - H32-7 (LAPL) Всегда Менее 1 Ом
      G3-18 (WRNP) - масса Всегда 10 кОм или более
      Номинальное напряжение
      Подключение диагностического прибора Положение переключателя Заданные условия
      H32-1 (IG+) - масса Зажигание включено (IG) 11 - 14 В
      Результат
      Результат
      OK
      NG

    OK
    NG
  5. ПРОВЕРЬТЕ ДИСПЛЕЙ МОДУЛЯ СИСТЕМЫ НАВИГАЦИИ И ИНДИКАЦИИ


    1. A01NAAIE03

      Снимите дисплей модуля системы навигации и индикации.

      Нажмите здесь Click here

    2. Подайте напряжение аккумуляторной батареи на дисплей модуля системы навигации и индикации.

    3. Убедитесь, что контрольная лампа ремня безопасности переднего пассажира горит.

      OK
      Условия измерений Заданные условия

      Положительный (+) вывод аккумуляторной батареи → контакт 3 (IG)

      Отрицательный (-) вывод аккумуляторной батареи → контакт 5 (PBEW)

      Отрицательный (-) вывод аккумуляторной батареи → контакт 10 (GND1)

      Контрольная лампа предупреждения о непристегнутом ремне безопасности переднего пассажира горит
      Результат
      Результат
      OK
      NG

    NG
    OK
  6. ПРОВЕРЬТЕ ЖГУТ ПРОВОДОВ И РАЗЪЕМ (ЩИТОК ПРИБОРОВ - ДИСПЛЕЙ МОДУЛЯ СИСТЕМЫ НАВИГАЦИИ И ИНДИКАЦИИ, АККУМУЛЯТОРНАЯ БАТАРЕЯ И МАССА)


    1. Отсоедините разъем G3 щитка приборов.

    2. Отсоедините разъемы H4 и H8 дисплея.

    3. Измерьте сопротивление и напряжение в соответствии со значениями, приведенными в таблице.

      Номинальное сопротивление
      Подключение диагностического прибора Условие Заданные условия
      G3-18 (WRNP) - H8-5 (PBEW) Всегда Менее 1 Ом
      H4-10 (GND1) - масса
      G3-18 (WRNP) - масса Всегда 10 кОм или более
      Номинальное напряжение
      Подключение диагностического прибора Положение переключателя Заданные условия
      H4-3 (IG) - масса Зажигание включено (IG) 11 - 14 В
      Результат
      Результат
      OK
      NG

    OK
    NG
  7. ПРОВЕРЬТЕ ПОДУШКУ РАЗДЕЛЬНОГО ПЕРЕДНЕГО СИДЕНЬЯ (ДАТЧИК ПРИСУТСТВИЯ ПАССАЖИРА)


    1. B001SJC

      Снимите переднее сиденье в сборе.

      Нажмите здесь Click here

    2. Измерьте сопротивление в соответствии со значениями, приведенными в таблице ниже.

      Номинальное сопротивление
      Подключение диагностического прибора Условие Заданные условия
      1 - 3 К датчику присутствия пассажира приложено усилие 147 Н (15 кгс, 33,0 фунт-силы) Менее 100 Ом
      Результат
      Результат
      OK
      NG

    NG
    OK
  8. ПРОВЕРЬТЕ ЗАМОК РЕМНЯ БЕЗОПАСНОСТИ ПРАВОГО ПЕРЕДНЕГО СИДЕНЬЯ В СБОРЕ


    1. B001QGUC02
      *1 Разъем A
      *2 Разъем B
      *a

      Устройство с неподсоединенным жгутом проводов

      (к замку ремня безопасности правого переднего сиденья в сборе)

      Снимите замок ремня безопасности правого переднего сиденья в сборе.

    2. Измерьте сопротивление в соответствии со значениями, приведенными в таблице ниже.

      Номинальное сопротивление
      Контакты для подключения диагностического прибора Условие Заданные условия
      A-2 - B-1 Ремень безопасности не пристегнут Менее 1 Ом
      Ремень безопасности пристегнут 10 кОм или более
      A-3 - B-3 Всегда Менее 1 Ом
      Результат
      Результат
      OK
      NG

    NG
    OK
  9. ПРОВЕРЬТЕ ЖГУТ ПРОВОДОВ И РАЗЪЕМ (ЩИТОК ПРИБОРОВ - ЗАМОК РЕМНЯ БЕЗОПАСНОСТИ ПРАВОГО ПЕРЕДНЕГО СИДЕНЬЯ И МАССА)


    1. Отсоедините разъем G3 щитка приборов.

    2. Отсоедините разъем a16 замка ремня безопасности.

    3. Измерьте сопротивление в соответствии со значениями, приведенными в таблице ниже.

      Номинальное сопротивление
      Подключение диагностического прибора Условие Заданные условия
      G3-12 (P/SB) - a16-3 Всегда Менее 1 Ом
      a16-2 - масса
      G3-12 (P/SB) - масса Всегда 10 кОм или более
      Результат
      Результат
      OK
      NG

    OK
    NG