СИСТЕМА ДИСТАНЦИОННОЙ БЛОКИРОВКИ ДВЕРЕЙ, Diagnostic DTC:B1242

Информация добавлена 08-08-2017

Код DTC Наименование DTC
B1242 Неисправность цепи приемника системы дистанционного управления замками дверей

ОПИСАНИЕ

Для приема радиосигналов, связанных с функциями посадки системы посадки и запуска, используется приемник системы блокировки дверей (для функции посадки). ЭБУ сертификации декодирует запрошенную операцию системы посадки и запуска (для функции посадки), распознавая код ключа на основании сигналов, принятых приемником системы управления замками дверей. Приемник системы дистанционного управления замками дверей получает сигнал передатчика электронного ключа и передает сигналы в главный ЭБУ кузова через ЭБУ сертификации. Затем ЭБУ сертификации передает во все ЭБУ команды, соответствующие запрошенной операции.: (Например, если затребована блокировка дверей, ЭБУ передает команду блокировки дверей в главный ЭБУ кузова.)

Этот код DTC регистрируется при выполнении обоих следующих условий: 1) короткое замыкание в цепи RDA или RSSI на массу между ЭБУ сертификации и приемником системы управления замками дверей; 2) отсутствует сигнал RCO (5 В) на выходе ЭБУ.

№ DTC Неисправность Условие обнаружения DTC Неисправный участок
B1242 Неисправность цепи приемника системы дистанционного управления замками дверей

Выполняются оба следующих условия:


  • Короткое замыкание в цепи RDA или RSSI на массу между ЭБУ сертификации и приемником системы управления замками дверей.

  • Отсутствует сигнал RCO (5 В) на выходе ЭБУ.


  • Жгут или разъем

  • Приемник системы управления дверью

  • ЭБУ сертификации

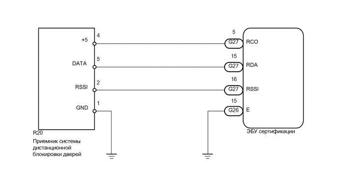
СХЕМА ЭЛЕКТРИЧЕСКИХ СОЕДИНЕНИЙ

A01A7UYE04

ПРЕДОСТЕРЕЖЕНИЕ / ПРИМЕЧАНИЕ / УКАЗАНИЕ

Note


  • В случае замены или проверки приемника системы блокировки дверей и жгута проводов не изменяйте положение или длину жгута проводов. Если жгут проводов находится слишком близко к приемнику системы блокировки дверей, это может повлиять на работу системы посадки и системы дистанционной блокировки дверей.

  • Перед началом проверки убедитесь в отсутствии неисправностей в системе передачи данных CAN.

  • При использовании портативного диагностического прибора для диагностики с выключенным зажиганием: Подключите портативный диагностический прибор к DLC3 и с 1,5-секундным интервалом включайте и выключайте освещение дверного проема до тех пор, пока не установится связь между прибором и автомобилем.

  • Перед заменой ЭБУ сертификации изучите бюллетень технического обслуживания.

ПОРЯДОК ВЫПОЛНЕНИЯ


  1. ПРОВЕРЬТЕ ЖГУТ ПРОВОДОВ И РАЗЪЕМ (ПРИЕМНИК СИСТЕМЫ УПРАВЛЕНИЯ ЗАМКАМИ ДВЕРЕЙ - ЭБУ СЕРТИФИКАЦИИ И МАССА)


    1. Отсоедините разъем R20 приемника.

    2. Отсоедините разъемы ЭБУ G26 и G27.

    3. Измерьте сопротивление в соответствии со значениями, приведенными в таблице ниже.

      Номинальное сопротивление
      Подключение диагностического прибора Условие Заданные условия
      R20-2 (RSSI) - G27-16 (RSSI) Всегда Менее 1 Ом
      R20-5 (DATA) - G27-15 (RDA) Всегда Менее 1 Ом
      R20-4 (+5) - G27-5 (RCO) Всегда Менее 1 Ом
      R20-1 (GND) - масса Всегда Менее 1 Ом
      G26-15 (E) - масса Всегда Менее 1 Ом
      R20-2 (RSSI) или G27-16 (RSSI) - масса Всегда 10 кОм или более
      R20-5 (DATA) или G27-15 (RDA) - масса Всегда 10 кОм или более
      R20-4 (+5) или G27-5 (RCO) - масса Всегда 10 кОм или более
      Результат
      Результат
      OK
      NG

    NG
    OK
  2. ПРОВЕРЬТЕ ЭБУ СЕРТИФИКАЦИИ


    1. Измерьте напряжение в соответствии со значениями, приведенными в таблице.

      B001STMC01
      *a Устройство с подсоединенным жгутом проводов (ЭБУ сертификации) - -
      Номинальное напряжение
      Подключение диагностического прибора Положение переключателя Заданные условия
      G27-5 (RCO) - G26-15 (E) Зажигание выключено, все двери закрыты, выключатель передатчика не нажат → нажат Менее 1 В → 4,5 - 5,5 В
      Результат
      Результат
      OK
      NG

    NG
    OK
  3. ЗАМЕНИТЕ ПРИЕМНИК СИСТЕМЫ УПРАВЛЕНИЯ ЗАМКАМИ ДВЕРЕЙ


    1. Временно замените приемник системы управления замками дверей на новый или исправный.

      Нажмите здесь Click here

      Результат
      Результат
      ДАЛЕЕ

    ДАЛЕЕ
  4. УДАЛИТЕ DTC


    1. Удалите коды DTC.

      Нажмите здесь Click here


      Body Electrical > Main Body > Clear DTCs
      Результат
      Результат
      ДАЛЕЕ

    ДАЛЕЕ
  5. ПРОВЕРЬТЕ DTC


    1. Проверьте коды DTC

      Нажмите здесь Click here


      Body Electrical > Main Body > Trouble Codes
      OK
      DTC B1242 не выводится.
      Результат
      Результат
      OK
      NG

    OK
    NG