СИСТЕМА УПРАВЛЕНИЯ ЗАМКАМИ ДВЕРЕЙ Невозможно разблокировать / заблокировать ни одну из дверей с помощью выключателя системы блокировки дверей

Информация добавлена 08-08-2017

ОПИСАНИЕ

Главный ЭБУ кузова (ЭБУ сети мультиплексной связи) получает сигналы от переключателя электрического стеклоподъемника и приводит в действие электродвигатели замков всех дверей в зависимости от этих сигналов.

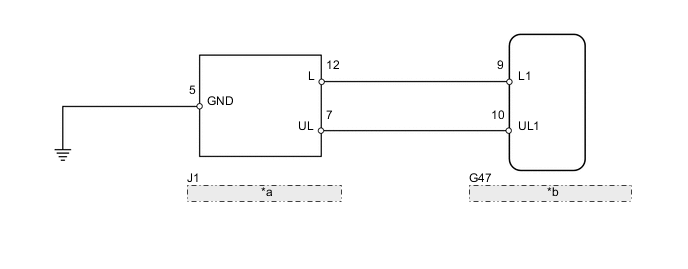
СХЕМА ЭЛЕКТРИЧЕСКИХ СОЕДИНЕНИЙ

A01A7K5E01
*a Переключатель электрического стеклоподъемника в сборе
*b Главный ЭБУ кузова (бортовой ЭБУ сети мультиплексной связи)

ПОРЯДОК ВЫПОЛНЕНИЯ


  1. СНИМИТЕ ПОКАЗАНИЯ ЗАМЕНИТЕ ГЛАВНЫЙ ЭБУ КУЗОВА (ПЕРЕКЛЮЧАТЕЛЬ ЭЛЕКТРИЧЕСКОГО СТЕКЛОПОДЪЕМНИКА В СБОРЕ)


    1. В режиме Data List проверьте работоспособность переключателя электрического стеклоподъемника.

      Нажмите здесь Click here


      Body Electrical > Main Body > Data List
      Информация на дисплее прибора Измеряемая величина Диапазон Нормальное состояние Замечание по диагностике
      Door Lock SW-Lock Сигнал блокировки выключателя системы блокировки дверей со стороны переднего пассажира ON (ВКЛ) или OFF (ВЫКЛ)

      ON (ВКЛ): Переключатель блокировки двери переднего пассажира нажат и находится в положении блокировки

      OFF (ВЫКЛ): Переключатель блокировки двери переднего пассажира не нажат и не находится в положении блокировки

      -
      Door Lock SW-Unlock Сигнал разблокировки выключателя системы блокировки дверей со стороны переднего пассажира ON (ВКЛ) или OFF (ВЫКЛ)

      ON (ВКЛ): Переключатель блокировки двери переднего пассажира нажат и находится в положении разблокировки

      OFF (ВЫКЛ): Переключатель блокировки двери переднего пассажира не нажат и не находится в положении разблокировки

      -
      OK
      Каждый параметр на экране портативного диагностического прибора изменяется между ON (ВКЛ) и OFF(ВЫКЛ) в соответствии с данными таблицы.
      Результат
      Результат
      OK
      NG

    OK
    NG
  2. ПРОВЕРЬТЕ ПЕРЕКЛЮЧАТЕЛЬ ЭЛЕКТРИЧЕСКОГО СТЕКЛОПОДЪЕМНИКА В СБОРЕ


    1. B001QO3E05

      Снимите переключатель электрического стеклоподъемника.

      Нажмите здесь Click here

    2. Измерьте сопротивление в соответствии со значениями, приведенными в таблице ниже.

      Номинальное сопротивление
      Подключение диагностического прибора Положение переключателя Заданные условия
      12 (L) - 5 (GND) Заблокировано Менее 1 Ом
      12 (L) - 5 (GND) Выкл 10 кОм или более
      7 (UL) - 5 (GND) Разблокировано Менее 1 Ом
      7 (UL) - 5 (GND) Выкл 10 кОм или более
      Результат
      Результат
      OK
      NG

    NG
    OK
  3. ПРОВЕРЬТЕ ЖГУТ ПРОВОДОВ И РАЗЪЕМ (ПЕРЕКЛЮЧАТЕЛЬ ЭЛЕКТРИЧЕСКОГО СТЕКЛОПОДЪЕМНИКА - ГЛАВНЫЙ ЭБУ КУЗОВА И МАССА)


    1. Отсоедините разъем J1 переключателя электрического стеклоподъемника.

    2. Отсоедините разъем G47 главного ЭБУ кузова.

    3. Измерьте сопротивление в соответствии со значениями, приведенными в таблице ниже.

      Номинальное сопротивление
      Подключение диагностического прибора Условие Заданные условия
      J1-7 (UL) - G47-10 (UL1) Всегда Менее 1 Ом
      J1-12 (L) - G47-9 (L1) Всегда Менее 1 Ом
      J1-5 (GND) - масса Всегда Менее 1 Ом
      J1-7 (UL) - масса Всегда 10 кОм или более
      J1-12 (L) - масса Всегда 10 кОм или более
      Результат
      Результат
      OK
      NG

    OK
    NG