СИСТЕМА ПОМОЩИ ПРИ ПАРКОВКЕ, Diagnostic DTC:C1612

Информация добавлена 08-08-2017

Код DTC Наименование DTC
C1612 Низкое или высокое напряжение IG

ОПИСАНИЕ

Данный DTC сохраняется, если ЭБУ системы помощи при парковке в результате самодиагностики обнаруживает слишком низкое или слишком высокое напряжение на контакте IG.

№ DTC Неисправность Условие обнаружения DTC Неисправный участок
C1612 Низкое или высокое напряжение IG
  • Низкое напряжение IG

  • Высокое напряжение IG


  • Жгут или разъем

  • ЭБУ системы помощи при парковке

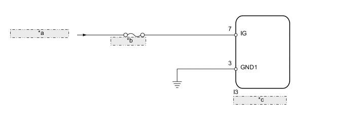
СХЕМА ЭЛЕКТРИЧЕСКИХ СОЕДИНЕНИЙ

A01A6WQE01
*a От реле IG1 № 1
*b ECU-IG № 2
*c ЭБУ системы помощи при парковке

ПРЕДОСТЕРЕЖЕНИЕ / ПРИМЕЧАНИЕ / УКАЗАНИЕ

Note


  • Если после отсоединения вывода аккумуляторной батареи на дисплее модуля системы навигации и индикации отображается сообщение "System initializing" (инициализация системы), отрегулируйте нейтральное положение рулевого колеса (см. стр. Click here).

  • В зависимости от замененных деталей или операций, которые были выполнены при проверке или обслуживании автомобиля, может потребоваться калибровка других систем, а также системы помощи при парковке (см. стр. Click here).

  • Перед выполнением следующей процедуры проверки проверьте предохранитель цепей, относящихся к данной системе.

ПОРЯДОК ВЫПОЛНЕНИЯ


  1. ПРОВЕРЬТЕ DTC


    1. Удалите коды DTC.

      Нажмите здесь Click here


      Chassis > IPA/Parking Assist Monitor > Clear DTCs
    2. Проверьте наличие кодов DTC.

      Нажмите здесь Click here


      Chassis > IPA/Parking Assist Monitor > Trouble Codes
      Результат
      Результат Перейти к
      Выводится DTC C1612 А
      Коды DTC не выводятся B

      Tech Tips

      Если при включении ЭБУ системы помощи при парковке не может считать сохраненную информацию, нормальная работа системы может восстановиться, если дать ему сохранить информацию еще раз.


    B
    А
  2. ПРОВЕРЬТЕ ЖГУТ ПРОВОДОВ И РАЗЪЕМ (НАПРЯЖЕНИЕ IG ЭБУ СИСТЕМЫ ПОМОЩИ ПРИ ПАРКОВКЕ)


    1. B001SJ1C03
      *a

      Вид спереди разъема со стороны жгута проводов:

      (к ЭБУ системы помощи при парковке)

      Отсоедините разъем I3 ЭБУ системы помощи при парковке.

    2. Измерьте напряжение в соответствии со значениями, приведенными в таблице.

      Номинальное напряжение
      Подключение диагностического прибора Положение переключателя Заданные условия
      I3-7 (IG) - I3-3 (GND1) Зажигание включено (IG) 11 - 14 В
      Результат
      Результат
      OK
      NG

    OK
    NG