NAVIGATION SYSTEM (for DVD), Diagnostic DTC:B159E, B1568

DTC Code DTC Name
B159E No Response from Clock Device
B1568 Clock Device Disconnected

DESCRIPTION

The display and navigation module display and center cluster module circuit are connected by the AVC-LAN communication line.

When an AVC-LAN communication error occurs between the display and navigation module display and center cluster module circuit, these DTCs will be stored.

DTC No. DTC Detection Condition Trouble Area
B159E No response to the diagnostic memory request from the master unit.
  • Center cluster module circuit power source circuit

  • AVC-LAN circuit between display and navigation module display and center cluster module circuit

  • Center cluster module circuit

  • Display and navigation module display

B1568*1 A device that is listed in the AVC-LAN connected device record of the master unit is missing.

Tech Tips


  • *1: Even if no fault is present, this DTC may be stored depending on the auxiliary battery condition or hybrid system start voltage.

  • The display and navigation module display is the master unit.

WIRING DIAGRAM

A003WVAE23

INSPECTION PROCEDURE

Note

Inspect the fuses for circuits related to this system before performing the following inspection procedure.

PROCEDURE


  1. CHECK OPTIONAL COMPONENTS (INCLUDING ASSOCIATED WIRING)


    1. Check for optional components


      1. Check that optional components (including associated wiring) which generate radio waves are not installed.

        Result
        Result Proceed to
        Optional components (including associated wiring) are installed. A
        Optional components (including associated wiring) are not installed. B

        Tech Tips


        • Electrical noise from radio waves generated by optional components or the wiring for those components may affect AVC-LAN communication.

        • These DTCs may be stored when an AVC-LAN communication error occurs due to electrical noise.


    B
    A
  2. REMOVE OPTIONAL COMPONENTS (INCLUDING ASSOCIATED WIRING)


    1. Remove optional components (including associated wiring).

      Note

      Do not remove optional components or associated wiring without the permission of the customer.


    NEXT
  3. CHECK DTC


    1. Clear the DTCs Click here.

    2. Recheck for DTCs and check if the same DTC is output again.

      OK
      No DTCs are output.

    NG
    OK
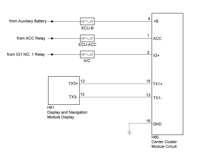
  4. CHECK HARNESS AND CONNECTOR (CENTER CLUSTER MODULE CIRCUIT POWER SOURCE)


    1. Disconnect the H80 center cluster module circuit connector.

    2. Measure the resistance according to the value(s) in the table below.

      Standard Resistance
      Tester Connection Condition Specified Condition
      H80-16 (GND) - Body ground Always Below 1 Ω
    3. Measure the voltage according to the value(s) in the table below.

      Standard Voltage
      Tester Connection Condition Specified Condition
      H80-4 (+B) - H80-16 (GND) Power switch off 11 to 14 V
      H80-1 (ACC) - H80-16 (GND) Power switch on (ACC) 11 to 14 V
      H80-2 (IG+) - H80-16 (GND) Power switch on (IG) 11 to 14 V

    NG
    OK
  5. CHECK HARNESS AND CONNECTOR


    1. Disconnect the H80 center cluster module circuit connector.

    2. Disconnect the H61 display and navigation module display connector.

    3. Measure the resistance according to the value(s) in the table below.

      Standard Resistance
      Tester Connection Condition Specified Condition
      H80-15 (TX1+) - H61-12 (TX3+) Always Below 1 Ω
      H80-13 (TX1-) - H61-13 (TX3-) Always Below 1 Ω
      H80-15 (TX1+) - Body ground Always 10 kΩ or higher
      H80-13 (TX1-) - Body ground Always 10 kΩ or higher

    NG
    OK
  6. REPLACE CENTER CLUSTER MODULE CIRCUIT


    1. Replace the center cluster module circuit Click here.

    2. Clear the DTCs Click here.

    3. Recheck for DTCs and check if the same DTC is output again.

      OK
      No DTCs are output.

    NG
    OK