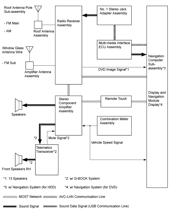
AUDIO AND VISUAL SYSTEM (w/ Navigation System) SYSTEM DIAGRAM

A003Y5LE02