CAN COMMUNICATION SYSTEM, Diagnostic DTC:U1002

DTC Code DTC Name
U1002 Lost Communication with Gateway Module (Power Management2)

DESCRIPTION


DTC No. DTC Detection Condition Trouble Area
U1002 Power management control ECU cannot receive signals from all ECUs that have been memorized as those connected to the power management bus.
  • Open or short in power management bus main wire or connector

  • Open or short in power management bus branch wire or connector

  • Power management control ECU

  • ECM

  • Air conditioning amplifier assembly

  • Skid control ECU (Brake booster with master cylinder assembly)

  • CAN No. 4 junction connector

Tech Tips

The diagnosis procedure is for when DTC U1002 is output by the power management control ECU (Intelligent tester display: Power Management2).

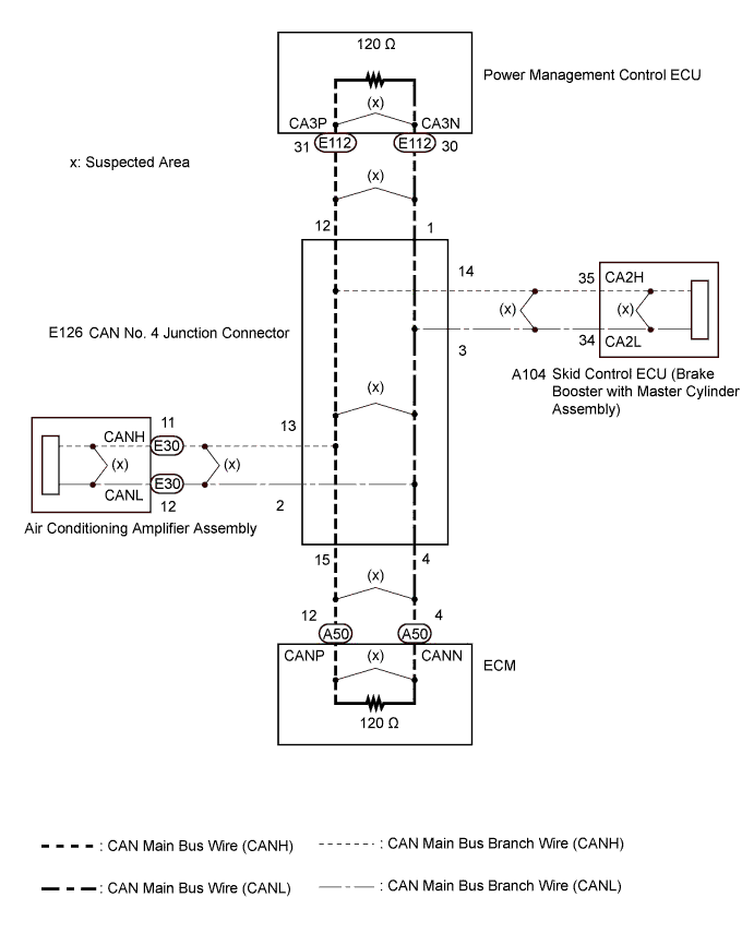
WIRING DIAGRAM

A003TFKE01

INSPECTION PROCEDURE

Note


  • Turn the power switch off before measuring the resistances between CAN main bus wires and between CAN main bus branch wires.

  • Turn the power switch off before inspecting CAN bus wires for a ground short.

  • After the power switch is turned off, check that the key reminder warning system and light reminder warning system are not operating.

  • Before measuring the resistance, leave the vehicle as is for at least 1 minute and do not operate the power switch, any other switches or the doors. If any doors need to be opened in order to check connectors, open the doors and leave them open.

Tech Tips


  • Operating the power switch, any other switches or a door triggers related ECU and sensor communication on the CAN. This communication will cause the resistance value to change.

  • Even after DTCs are cleared, if a DTC is stored again after driving the vehicle for a while, the malfunction may be occurring due to vibration of the vehicle. In such a case, wiggling the ECUs or wire harness while performing the inspection below may help determine the cause of the malfunction.

PROCEDURE


  1. CHECK CAN BUS WIRE


    1. Turn the power switch off.

    2. A003TI4E61
      Text in Illustration
      *a

      Component with harness connector

      (Power Management Control ECU)

      Measure the resistance according to the value(s) in the table below.

      Standard Resistance
      Tester Connection Switch Condition Specified Condition Result
      E112-31 (CA3P) - E112-30 (CA3N) Power switch off 54 to 69 Ω

      Below 54 Ω:

      Short circuit between bus lines

      70 Ω or higher:

      Open circuit in a main bus line

      E112-31 (CA3P) - E112-4 (E12) Power switch off 200 Ω or higher

      Below 200 Ω:

      CANH ground short

      E112-30 (CA3N) - E112-4 (E12) Power switch off 200 Ω or higher

      Below 200 Ω:

      CANL ground short

    3. Disconnect the cable from the negative (-) battery terminal.

    4. Measure the resistance according to the value(s) in the table below.

      Standard Resistance
      Tester Connection Condition Specified Condition Result
      E112-31 (CA3P) - E112-7 (AM21) Cable disconnected from negative (-) battery terminal 6 kΩ or higher

      Below 6 kΩ:

      CANH +B short

      E112-30 (CA3N) - E112-7 (AM21) Cable disconnected from negative (-) battery terminal 6 kΩ or higher

      Below 6 kΩ:

      CANL +B short

      Result
      Result Proceed to
      OK A
      Open circuit in CAN main bus wire B
      Short circuit between bus lines C

      • Ground short

      • +B short

      D

    B
    C
    D
    A
  2. CHECK DTC OUTPUT


    1. Clear the DTCs.

    2. Turn the power switch off.

    3. Turn the power switch on (IG), recheck for DTCs.

      Result
      Result Proceed to

      U1002 is output from power management control ECU

      (Intelligent tester display/Power Management2)

      A
      Other DTCs are output B

    B
    A
  3. CHECK FOR OPEN IN CAN BUS WIRE (POWER MANAGEMENT CONTROL ECU)


    1. A003UKVE17
      Text in Illustration
      *a

      Rear view of wire harness connector

      (to Power Management Control ECU)

      Disconnect the power management control ECU connector.

    2. Measure the resistance according to the value(s) in the table below.

      Standard Resistance
      Tester Connection Switch Condition Specified Condition
      E112-31 (CA3P) - E112-30 (CA3N) Power switch off 108 to 132 Ω

    NG
    OK
  4. CHECK FOR OPEN IN CAN BUS WIRE (ECM)


    1. Reconnect the power management control ECU connector.

    2. A003UJ4E43
      Text in Illustration
      *a

      Front view of wire harness connector

      (to ECM)

      Disconnect the ECM connector.

    3. Measure the resistance according to the value(s) in the table below.

      Standard Resistance
      Tester Connection Switch Condition Specified Condition
      A50-12 (CANP) - A50-4 (CANN) Power switch off 108 to 132 Ω

    NG
    OK
  5. CHECK FOR OPEN IN CAN BUS WIRE (CAN NO. 4 J/C MAIN WIRE)


    1. Reconnect the ECM connector.

    2. A003RMAE01
      Text in Illustration
      *a

      Front view of wire harness connector

      (to CAN No. 4 Junction Connector)

      *b to Power Management Control ECU
      *c to ECM

      Disconnect the CAN No. 4 junction connector.

    3. Measure the resistance according to the value(s) in the table below.

      Standard Resistance
      Tester Connection Switch Condition Specified Condition Connected to
      E126-12 (CANH) - E126-1 (CANL) Power switch off 108 to 132 Ω Power management control ECU
      E126-15 (CANH) - E126-4 (CANL) Power switch off 108 to 132 Ω ECM
      Result
      Result Proceed to
      OK A
      NG (to power management ECU main wire) B
      NG (to ECM main wire) C

    B
    C
    A
  6. CHECK FOR SHORT IN CAN BUS WIRES (POWER MANAGEMENT CONTROL ECU)


    1. A003UKVE17
      Text in Illustration
      *a

      Rear view of wire harness connector

      (to Power Management Control ECU)

      Disconnect the power management control ECU connector.

    2. Measure the resistance according to the value(s) in the table below.

      Standard Resistance
      Tester Connection Switch Condition Specified Condition
      E112-31 (CA3P) - E112-30 (CA3N) Power switch off 108 to 132 Ω

    NG
    OK
  7. CHECK FOR SHORT IN CAN BUS WIRES (ECM)


    1. Reconnect the power management control ECU connector.

    2. A003UJ4E43
      Text in Illustration
      *a

      Front view of wire harness connector

      (to ECM)

      Disconnect the ECM connector.

    3. Measure the resistance according to the value(s) in the table below.

      Standard Resistance
      Tester Connection Switch Condition Specified Condition
      A50-12 (CANP) - A50-4 (CANN) Power switch off 108 to 132 Ω

    NG
    OK
  8. CHECK FOR SHORT IN CAN BUS WIRES (CAN NO. 4 J/C MAIN WIRE)


    1. Reconnect the ECM connector.

    2. A003RMAE01
      Text in Illustration
      *a

      Front view of wire harness connector

      (to CAN No. 4 Junction Connector)

      *b to Power Management Control ECU
      *c to ECM

      Disconnect the CAN No. 4 junction connector.

    3. Measure the resistance according to the value(s) in the table below.

      Standard Resistance
      Tester Connection Switch Condition Specified Condition Connected to
      E126-12 (CANH) - E126-1 (CANL) Power switch off 108 to 132 Ω Power management control ECU
      E126-15 (CANH) - E126-4 (CANL) Power switch off 108 to 132 Ω ECM
      Result
      Result Proceed to
      OK A
      NG (to Power management ECU main wire) B
      NG (to ECM main wire) C

    B
    C
    A
  9. CHECK FOR SHORT IN CAN BUS WIRES (CAN NO. 4 J/C - SKID CONTROL ECU)


    1. A003UTKE50
      Text in Illustration
      *a

      Front view of wire harness connector

      (to Skid Control ECU)

      Disconnect the skid control ECU (brake booster with master cylinder assembly) connector.

    2. A003RMAE02
      Text in Illustration
      *a

      Front view of wire harness connector

      (to CAN No. 4 Junction Connector)

      *b to Skid Control ECU

      Measure the resistance according to the value(s) in the table below.

      Standard Resistance
      Tester Connection Switch Condition Specified Condition
      E126-14 (CANH) - E126-3 (CANL) Power switch off 1 MΩ or higher

    NG
    OK
  10. CHECK FOR SHORT IN CAN BUS WIRES (CAN NO. 4 J/C - AIR CONDITIONING AMPLIFIER ASSEMBLY)


    1. A003RT3E62
      Text in Illustration
      *a

      Front view of wire harness connector

      (to Air Conditioning Amplifier Assembly)

      Disconnect the air conditioning amplifier assembly connector.

    2. A003RMAE25
      Text in Illustration
      *a

      Front view of wire harness connector

      (to CAN No. 4 Junction Connector)

      *b to Air Conditioning Amplifier Assembly

      Measure the resistance according to the value(s) in the table below.

      Standard Resistance
      Tester Connection Switch Condition Specified Condition
      E126-13 (CANH) - E126-2 (CANL) Power switch off 1 MΩ or higher

    NG
    OK
  11. CHECK FOR SHORT IN CAN BUS WIRES (CAN NO. 4 J/C)


    1. Reconnect the CAN No. 4 junction connector.

    2. A003UKVE17
      Text in Illustration
      *a

      Rear view of wire harness connector

      (to Power Management Control ECU)

      Measure the resistance according to the value(s) in the table below.

      Standard Resistance
      Tester Connection Switch Condition Specified Condition
      E112-31 (CA3P) - E112-30 (CA3N) Power switch off 108 to 132 Ω

      Note


      • The resistance must be measured after the ECM and CAN No. 4 J/C wire harness connectors are reconnected.

      • The resistance must be measured after the skid control ECU and air conditioning amplifier assembly connectors are disconnected.


    NG
    OK
  12. CHECK FOR SHORT IN CAN BUS WIRES (AIR CONDITIONING AMPLIFIER ASSEMBLY)


    1. Reconnect the air conditioning amplifier connector.

    2. A003UKVE17
      Text in Illustration
      *a

      Rear view of wire harness connector

      (to Power Management Control ECU)

      Measure the resistance according to the value(s) in the table below.

      Standard Resistance
      Tester Connection Switch Condition Specified Condition
      E112-31 (CA3P) - E112-30 (CA3N) Power switch off 108 to 132 Ω

      Note


      • The resistance must be measured after the air conditioning amplifier assembly connector is reconnected.

      • The resistance must be measured after the skid control ECU connector is disconnected.

      Result
      Result Proceed to
      OK (for LHD) A
      OK (for RHD) B
      NG C

    B
    C
    A
  13. CHECK FOR SHORT IN CAN BUS WIRES (CAN NO. 4 J/C)


    1. Disconnect the CAN No. 4 junction connector.

    2. Measure the resistance according to the value(s) in the table below.

      A003RH2E44
      Standard Resistance
      Tester Connection Condition Specified Condition Purpose Connected to
      E126-12 (CANH) - E11-4 (CG) Power switch off 200 Ω or higher Inspection for CANH ground short Power management control ECU
      E126-1 (CANL) - E11-4 (CG) Power switch off 200 Ω or higher Inspection for CANL ground short
      E126-13 (CANH) - E11-4 (CG) Power switch off 200 Ω or higher Inspection for CANH ground short Air conditioning amplifier assembly
      E126-2 (CANL) - E11-4 (CG) Power switch off 200 Ω or higher Inspection for CANL ground short
      E126-14 (CANH) - E11-4 (CG) Power switch off 200 Ω or higher Inspection for CANH ground short Skid control ECU (Brake booster with master cylinder assembly)
      E126-3 (CANL) - E11-4 (CG) Power switch off 200 Ω or higher Inspection for CANL ground short
      E126-15 (CANH) - E11-4 (CG) Power switch off 200 Ω or higher Inspection for CANH ground short ECM
      E126-4 (CANL) - E11-4 (CG) Power switch off 200 Ω or higher Inspection for CANL ground short
      E126-12 (CANH) - E11-16 (BAT) Cable disconnected from negative (-) battery terminal 6 kΩ or higher Inspection for CANH +B short Power management control ECU
      E126-1 (CANL) - E11-16 (BAT) Cable disconnected from negative (-) battery terminal 6 kΩ or higher Inspection for CANL +B short
      E126-13 (CANH) - E11-16 (BAT) Cable disconnected from negative (-) battery terminal 6 kΩ or higher Inspection for CANH +B short Air conditioning amplifier assembly
      E126-2 (CANL) - E11-16 (BAT) Cable disconnected from negative (-) battery terminal 6 kΩ or higher Inspection for CANL +B short
      E126-14 (CANH) - E11-16 (BAT) Cable disconnected from negative (-) battery terminal 6 kΩ or higher Inspection for CANH +B short Skid control ECU (Brake booster with master cylinder assembly)
      E126-3 (CANL) - E11-16 (BAT) Cable disconnected from negative (-) battery terminal 6 kΩ or higher Inspection for CANL +B short
      E126-15 (CANH) - E11-16 (BAT) Cable disconnected from negative (-) battery terminal 6 kΩ or higher Inspection for CANH +B short ECM
      E126-4 (CANL) - E11-16 (BAT) Cable disconnected from negative (-) battery terminal 6 kΩ or higher Inspection for CANL +B short

      Tech Tips


      • It is only necessary to perform the inspection in the above table for the result (short circuit) that was obtained in the Check CAN Bus Wire inspection.

      • Find the necessary inspection from the Purpose column that matches the result in the Result column from the Check CAN Bus Wire inspection.

      Text in Illustration
      *1 DLC3 - -
      *a

      Front view of wire harness connector

      (to CAN No. 4 Junction Connector)

      *b to Power Management Control ECU
      *c to Air Conditioning Amplifier Assembly *d to Skid Control ECU (Brake Booster with Master Cylinder Assembly)
      *e to ECM - -

    NG
    OK
  14. CHECK FOR SHORT IN CAN BUS WIRES (ECU)


    1. Disconnect the connector that includes terminals CANH and CANL from the ECU to which the bus wire shorted to B+ or shorted to GND is connected Click here.

    2. A003TI4E61
      Text in Illustration
      *a

      Component with harness connector

      (Power Management Control ECU)

      Measure the resistance according to the value(s) in the table below.

      Standard Resistance
      Tester Connection Switch Condition Specified Condition Purpose
      E112-31 (CA3P) - E112-4 (E12) Power switch off 200 Ω or higher

      Below 200 Ω:

      CANH ground short

      E112-30 (CA3N) - E112-4 (E12) Power switch off 200 Ω or higher

      Below 200 Ω:

      CANL ground short

      E112-31 (CA3P) - E112-7 (AM21) Cable disconnected from negative (-) battery terminal 6 kΩ or higher

      Below 6 kΩ:

      CANH +B short

      E112-30 (CA3N) - E112-7 (AM21) Cable disconnected from negative (-) battery terminal 6 kΩ or higher

      Below 6 kΩ:

      CANL +B short

      Tech Tips


      • It is only necessary to perform the inspection in the above table for the result (open or short circuit) that was obtained in the Check CAN Bus Wire inspection.

        Find the necessary inspection from the Purpose column that matches the result in the Result column from the Check CAN Bus Wire inspection.

      • If the resistance changes to normal when the connector is disconnected from the ECU, there may be a short in the ECU.


    NG
    OK