METER / GAUGE SYSTEM Odo/Trip Switch Malfunction

DESCRIPTION

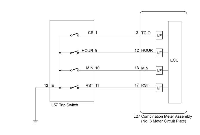
The meter ECU (meter circuit plate No.3) receives trip switch signals from the trip switch via the direct line in this circuit.

WIRING DIAGRAM

A01JBITE06

INSPECTION PROCEDURE

PROCEDURE


  1. INSPECT TRIP SWITCH


    1. A01JAZZE01
      Text in Illustration
      *1 Trip Switch (for RHD)
      *2 Trip Switch (for LHD)
      *1

      Component without harness connected

      (Trip Switch)

      Remove the trip switch.

    2. Measure the resistance according to the value(s) in the table below.

      Standard Resistance
      Tester Connection Condition Specified Condition
      1 (CS) - 12 (E) Unit change switch pressed Below 1 Ω
      1 (CS) - 12 (E) Unit change switch not pressed 10 kΩ or higher
      9 (HOUR) - 12 (E) Hour adjust switch pressed Below 1 Ω
      9 (HOUR) - 12 (E) Hour adjust switch not pressed 10 kΩ or higher
      10 (MIN) - 12 (E) Minute adjust switch pressed Below 1 Ω
      10 (MIN) - 12 (E) Minute adjust switch not pressed 10 kΩ or higher
      11 (RST) - 12 (E) Set switch pressed Below 1 Ω
      11 (RST) - 12 (E) Set switch not pressed 10 kΩ or higher

    NG
    OK
  2. CHECK HARNESS AND CONNECTOR (NO. 3 METER CIRCUIT PLATE - TRIP SWITCH)


    1. Disconnect the L27 and L57 connectors.

    2. Measure the resistance according to the value(s) in the table below.

      Standard Resistance
      Tester Connection Condition Specified Condition
      L27-2 (TC O) - L57-1 (CS) Always Below 1 Ω
      L27-2 (TC O) - Body ground Always 10 kΩ or higher
      L27-12 (HOUR) - L57-9 (HOUR) Always Below 1 Ω
      L27-12 (HOUR) - Body ground Always 10 kΩ or higher
      L27-13 (MIN) - L57-10 (MIN) Always Below 1 Ω
      L27-13 (MIN) - Body ground Always 10 kΩ or higher
      L27-17 (RST) - L57-11 (RST) Always Below 1 Ω
      L27-17 (RST) - Body ground Always 10 kΩ or higher

    NG
    OK