CAN COMMUNICATION SYSTEM, Diagnostic DTC:U1002

DTC Code DTC Name
U1002 Lost Communication with Gateway Module (Power Management1)

DESCRIPTION


DTC No. DTC Detection Condition Trouble Area
U1002 Power management control ECU cannot receive signals from all ECUs that have been memorized as those connected to the CAN No. 2 bus.
  • Open or short in CAN No. 2 bus main wire or connector

  • Open or short in CAN No. 2 bus branch wire or connector

  • Power management control ECU

  • Driving support ECU

  • Seat belt control ECU

  • Parking assist ECU

  • CAN No. 3 junction connector

Tech Tips

The diagnosis procedure is for when DTC U1002 is output by the power management control ECU (Intelligent tester display: Power Management1).

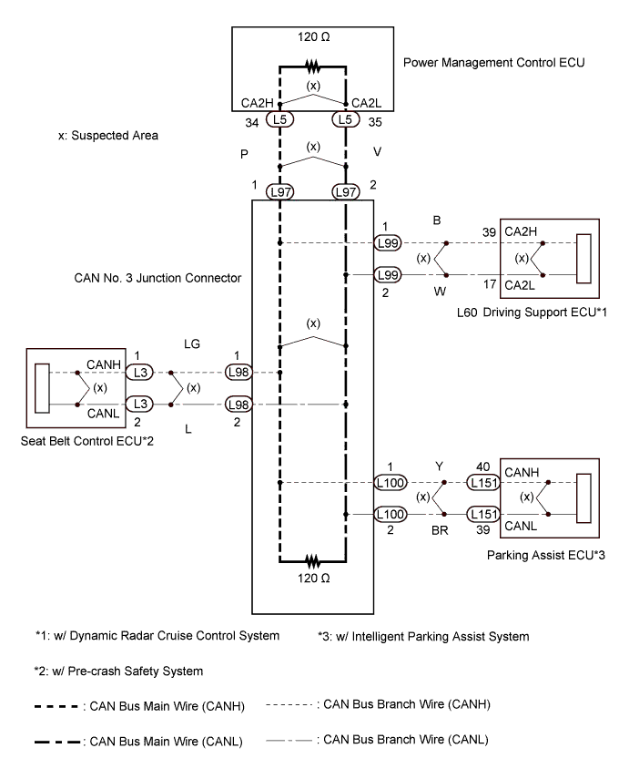
WIRING DIAGRAM

A01J9EME01

INSPECTION PROCEDURE

Note


  • Turn the power switch off before measuring the resistances between CAN bus main wires and between CAN bus branch wires.

  • Turn the power switch off before inspecting CAN bus wires for a ground short.

  • After the power switch is turned off, check that the key reminder warning system and light reminder warning system are not operating.

  • Before measuring the resistance, leave the vehicle as is for at least 1 minute and do not operate the power switch, any other switches or the doors. If any doors need to be opened in order to check connectors, open the doors and leave them open.

Tech Tips


  • Operating the power switch, any other switches or a door triggers related ECU and sensor communication on the CAN. This communication will cause the resistance value to change.

  • Even after DTCs are cleared, if a DTC is stored again after driving the vehicle for a while, the malfunction may be occurring due to vibration of the vehicle. In such a case, wiggling the ECUs or wire harness while performing the inspection below may help determine the cause of the malfunction.

PROCEDURE


  1. CHECK CAN NO. 2 BUS WIRE


    1. Turn the power switch off.

    2. A01JAKSE21
      Text in Illustration
      *1

      Component with harness connected

      (Power Management Control ECU)

      Measure the resistance according to the value(s) in the table below.

      Standard Resistance
      Tester Connection Switch Condition Specified Condition Result
      L5-34 (CA2H) - L5-35 (CA2L) Power switch off 54 to 69 Ω

      Below 54 Ω:

      Short circuit between bus lines

      70 Ω or higher:

      Open circuit in a main bus line

      L5-34 (CA2H) - L5-6 (E1) Power switch off 200 Ω or higher

      Below 200 Ω:

      CANH ground short

      L5-35 (CA2L) - L5-6 (E1) Power switch off 200 Ω or higher

      Below 200 Ω:

      CANL ground short

    3. Disconnected the cable from the negative (-) battery terminal.

    4. Measure the resistance according to the value(s) in the table below.

      Standard Resistance
      Tester Connection Condition Specified Condition Result
      L5-34 (CA2H) - L5-1 (AM22) Cable disconnected from negative (-) battery terminal 6 kΩ or higher

      Below 6 kΩ:

      CANH +B short

      L5-35 (CA2L) - L5-1 (AM22) Cable disconnected from negative (-) battery terminal 6 kΩ or higher

      Below 6 kΩ:

      CANL +B short

      Result
      Result Proceed to
      OK A
      Open circuit in CAN main bus line B
      Short circuit between bus lines C

      • Ground short

      • +B short

      D

    B
    C
    D
    A
  2. CHECK CAN BUS BRANCH WIRE

    Tech Tips

    For vehicles with the dynamic radar cruise control system, go to the next step.


    1. For vehicles without the dynamic radar cruise control system:


      1. Check for the parking assist ECU branch wire and ECU power source circuit Click here.


    NG
    OK
  3. CHECK DTC OUTPUT


    1. Clear the DTC.

    2. Turn the power switch off.

    3. Turn the power switch on (IG), recheck the DTC.

      Result
      Result Proceed to

      U1002 is output from power management control ECU

      (Intelligent tester display/ Power Management1)

      A
      Other DTC is output B

    B
    A
  4. CHECK FOR OPEN IN CAN NO. 2 BUS MAIN WIRE (POWER MANAGEMENT CONTROL ECU MAIN WIRE)


    1. A01JCXFE03
      Text in Illustration
      *1

      Rear view of wire harness connector

      (to Power Management Control ECU)

      Disconnect the power management control ECU connector.

    2. Measure the resistance according to the value(s) in the table below.

      Standard Resistance
      Tester Connection Switch Condition Specified Condition
      L5-34 (CA2H) - L5-35 (CA2L) Power switch off 108 to 132 Ω

    NG
    OK
  5. CHECK FOR OPEN IN CAN NO. 2 BUS MAIN WIRE (CAN NO. 3 J/C)


    1. Reconnect the power management control ECU connector.

    2. A01JCWTE01
      Text in Illustration
      *1

      Rear view of wire harness connector

      (to CAN No. 3 Junction Connector)

      *2 to Power Management Control ECU

      Disconnect the power management control ECU main wire connector from the CAN No. 3 junction connector.

    3. Measure the resistance according to the value(s) in the table below.

      Standard Resistance
      Tester Connection Switch Condition Specified Condition Connected to
      L97-1 (CANH) - L97-2 (CANL) Power switch off 108 to 132 Ω Power management control ECU

    NG
    OK
  6. CHECK FOR SHORT IN CAN NO. 2 BUS WIRE (POWER MANAGEMENT CONTROL ECU)


    1. A01JCXFE03
      Text in Illustration
      *1

      Rear view of wire harness connector

      (to Power Management Control ECU)

      Disconnect the power management control ECU connector.

    2. Measure the resistance according to the value(s) in the table below.

      Standard Resistance
      Tester Connection Switch Condition Specified Condition
      L5-34 (CA2H) - L5-35 (CA2L) Power switch off 108 to 132 Ω

    NG
    OK
  7. CHECK FOR SHORT IN CAN NO. 2 BUS WIRE (CAN NO. 3 J/C - POWER MANAGEMENT CONTROL ECU)


    1. Reconnect the power management control ECU connector.

    2. A01JCWTE01
      Text in Illustration
      *1

      Rear view of wire harness connector

      (to CAN No. 3 Junction Connector)

      *2 to Power Management Control ECU

      Disconnect the power management control ECU main wire connector from the CAN No. 3 junction connector.

    3. Measure the resistance according to the value(s) in the table below.

      Standard Resistance
      Tester Connection Switch Condition Specified Condition Connected to
      L97-1 (CANH) - L97-2 (CANL) Power switch off 108 to 132 Ω Power management control ECU

    NG
    OK
  8. CHECK FOR SHORT IN CAN NO. 2 BUS WIRE (CAN NO. 3 J/C)


    1. Reconnect the power management control ECU main wire connector to the CAN No. 3 junction connector.

    2. A01JAKSE22
      Text in Illustration
      *1

      Component with harness connector

      (Power Management Control ECU)

      Connect the probes of an ohmmeter to terminals 34 (CA2H) and 35 (CA2L) of the power management control ECU.

    3. While observing the resistance value shown on the ohmmeter, disconnect branch wire connectors (except L97) from the CAN No. 3 junction connector until the resistance becomes normal (between 54 and 69 Ω).

      A01JBIAE01
      Text in Illustration
      *1 CAN No. 3 Junction Connector *2 Junction Connector B Side
      *3 Junction Connector A Side *4 Earth Terminal
      *5

      Front view of wire harness connector

      (to CAN No. 3 Junction Connector)

      - -
      Terminal No. (Symbol) Wiring Color Connected to
      L97-1 (CANH) P Power management control ECU
      L97-2 (CANL) V
      L98-1 (CANH) LG Seat belt control ECU
      L98-2 (CANL) L
      L99-1 (CANH) B Driving support ECU
      L99-2 (CANL) W
      L100-1 (CANH) Y Parking assist ECU
      L100-2 (CANL) BR

      Tech Tips


      • The connectors connected to the CAN junction connector can be distinguished by the colors of the bus wire.

      • Reconnecting the connectors to non-specified positions on the CAN junction connector does not affect system operation.

        Result
        Result Proceed to

        The resistance is still below 54 Ω when all the specified connectors are disconnected.

        (There is no short in the branch wires.)

        A

        The resistance becomes normal (between 54 and 69 Ω) when a connector is disconnected.

        (There is a short in one or more of the branch wires.)

        B

    B
    A
  9. CHECK FOR SHORT IN CAN NO. 2 BUS WIRE (ECUS)


    1. Reconnect the connector for the short-circuited branch wire to the CAN junction connector (the connector that caused the bus wire resistance to become normal (between 54 and 69 Ω) when it was disconnected).

    2. Disconnect the connector that includes terminals CANH and CANL from the ECU to which the short-circuited branch wire is connected.

    3. A01JAKSE22
      Text in Illustration
      *1

      Component with harness connector

      (Power Management Control ECU)

      Measure the resistance according to the value(s) in the table below.

      Standard Resistance
      Tester Connection Switch Condition Specified Condition
      L5-34 (CA2H) - L5-35 (CA2L) Power switch off 54 to 69 Ω

      Tech Tips

      If the resistance becomes normal (between 54 and 69 Ω) when the connector is disconnected from the ECU, there may be a short in the ECU.


    NG
    OK
  10. CHECK FOR SHORT IN CAN NO. 2 BUS WIRE (POWER MANAGEMENT CONTROL ECU)


    1. A01JCXFE02
      Text in Illustration
      *1

      Rear view of wire harness connector

      (to Power Management Control ECU)

      Disconnect the power management control ECU connector.

    2. Measure the resistance according to the value(s) in the table below.

      Standard Resistance
      Tester Connection Condition Specified Condition Purpose
      L5-34 (CA2H) - L5-6 (E1) Power switch off 200 Ω or higher Inspection for CANH ground short
      L5-35 (CA2L) - L5-6 (E1) Power switch off 200 Ω or higher Inspection for CANL ground short
      L5-34 (CA2H) - L5-1 (AM22) Cable disconnected from negative (-) battery terminal 6 kΩ or higher Inspection for CANH +B short
      L5-35 (CA2L) - L5-1 (AM22) Cable disconnected from negative (-) battery terminal 6 kΩ or higher Inspection for CANL +B short

      Tech Tips

      It is only necessary to perform the inspection in the above table for the result (short circuit) that was obtained in the Check CAN No. 2 Bus Wire inspection.

      Find the necessary inspection from the Purpose column that matches the result in the Result column from the Check CAN No. 2 Bus Wire inspection.


    NG
    OK
  11. CHECK FOR SHORT IN CAN NO. 2 BUS WIRE (CAN NO. 3 J/C - POWER MANAGEMENT CONTROL ECU)


    1. A01JCWTE01
      Text in Illustration
      *1

      Rear view of wire harness connector

      (to CAN No. 3 Junction Connector)

      *2 to Power Management Control ECU

      Disconnect the power management control ECU main wire connector from the CAN No. 3 junction connector.

    2. A01JCXFE02
      Text in Illustration
      *1

      Rear view of wire harness connector

      (to Power Management Control ECU)

      Measure the resistance according to the value(s) in the table below.

      Standard Resistance
      Tester Connection Condition Specified Condition Purpose
      L5-34 (CA2H) - L5-6 (E1) Power switch off 200 Ω or higher Inspection for CANH ground short
      L5-35 (CA2L) - L5-6 (E1) Power switch off 200 Ω or higher Inspection for CANL ground short
      L5-34 (CA2H) - L5-1 (AM22) Cable disconnected from negative (-) battery terminal 6 kΩ or higher Inspection for CANH +B short
      L5-35 (CA2L) - L5-1 (AM22) Cable disconnected from negative (-) battery terminal 6 kΩ or higher Inspection for CANL +B short

      Tech Tips

      It is only necessary to perform the inspection in the above table for the result (short circuit) that was obtained in the Check CAN No. 2 Bus Wire inspection.

      Find the necessary inspection from the Purpose column that matches the result in the Result column from the Check CAN No. 2 Bus Wire inspection.


    NG
    OK
  12. CHECK FOR SHORT IN CAN NO. 2 BUS WIRE (CAN NO. 3 J/C)


    1. Reconnect the power management control ECU main wire connector to the CAN No. 3 junction connector.

    2. A01JCXFE02
      Text in Illustration
      *1

      Rear view of wire harness connector

      (to Power Management Control ECU)

      Connect the probes of an ohmmeter to terminals CANH or CANL and GND or +B (AM22) of the power management control ECU.

      Tech Tips

      It is only necessary to perform the inspection for the result (short circuit) that was obtained in the Check CAN No. 2 Bus Wire inspection.

    3. While observing the resistance value shown on the ohmmeter, disconnect branch wire connector (except L97) from the CAN No. 3 junction connector until the resistance becomes normal (6 kΩ or higher (for +B short) or 200 Ω or higher (for ground short)).

      A01JBIAE01
      Text in Illustration
      *1 CAN No. 3 Junction Connector *2 Junction Connector B Side
      *3 Junction Connector A Side *4 Earth Terminal
      *5

      Front view of wire harness connector

      (to CAN No. 3 Junction Connector)

      - -
      Terminal No. (Symbol) Wiring Color Connected to
      L97-1 (CANH) P Power management control ECU
      L97-2 (CANL) V
      L98-1 (CANH) LG Seat belt control ECU
      L98-2 (CANL) L
      L99-1 (CANH) B Driving support ECU
      L99-2 (CANL) W
      L100-1 (CANH) Y Parking assist ECU
      L100-2 (CANL) BR

      Tech Tips


      • The connectors connected to the CAN junction connector can be distinguished by the colors of the bus wire.

      • Reconnecting the connectors to non-specified positions on the CAN junction connector does not affect system operation.

        Result
        Result Proceed to

        The resistance between terminals CANP and BAT, or the resistance between terminals CANN and BAT is still below 6 kΩ when all the specified connectors are disconnected from the CAN junction connector.

        (There is no short to +B in the branch wires.)

        A

        The resistance between terminals CANP and GND, or the resistance between terminals CANN and GND is still below 200 Ω when all the specified connectors are disconnected from the CAN junction connector.

        (There is no short to GND in the branch wires.)

        The resistance between terminals CANP and BAT, or the resistance between terminals CANN and BAT becomes normal (6 kΩ or higher) when a connector is disconnected from the CAN junction connector.

        (There is a short to +B in one of the areas related to one or more of the disconnected branch wires.)

        B

        The resistance between terminals CANP and GND, or the resistance between terminals CANN and GND becomes normal (200 Ω or higher) when a connector is disconnected from the CAN junction connector.

        There is a short to GND in one of the areas related to one or more of the disconnected branch wires.)


    B
    A
  13. CHECK FOR SHORT IN CAN NO. 2 BUS WIRE (ECUS)


    1. Reconnect the connector for the bus wire that is shorted to +B or GND to the CAN junction connector (the connector that caused the bus wire resistance to change to 6 kΩ or higher (for +B short) or 200 Ω or higher (for ground short) when it was disconnected).

    2. Disconnect the connector that includes terminals CANH and CANL from the ECU to which the bus wire shorted to +B or GND is connected.

    3. A01JCXFE02
      Text in Illustration
      *1

      Rear view of wire harness connector

      (to Power Management Control ECU)

      Measure the resistance according to the value(s) in the table below.

      Standard Resistance
      Tester Connection Condition Specified Condition Purpose
      L5-34 (CA2H) - L5-6 (E1) Power switch off 200 Ω or higher Inspection for CANH ground short
      L5-35 (CA2L) - L5-6 (E1) Power switch off 200 Ω or higher Inspection for CANL ground short
      L5-34 (CA2H) - L5-1 (AM22) Cable disconnected from negative (-) battery terminal 6 kΩ or higher Inspection for CANH +B short
      L5-35 (CA2L) - L5-1 (AM22) Cable disconnected from negative (-) battery terminal 6 kΩ or higher Inspection for CANL +B short

      Tech Tips

      It is only necessary to perform the inspection in the above table for the result (short circuit) that was obtained in the Check CAN No. 2 Bus Wire inspection.

      Find the necessary inspection from the Purpose column that matches the result in the Result column from the Check CAN No. 2 Bus Wire inspection.


    NG
    OK