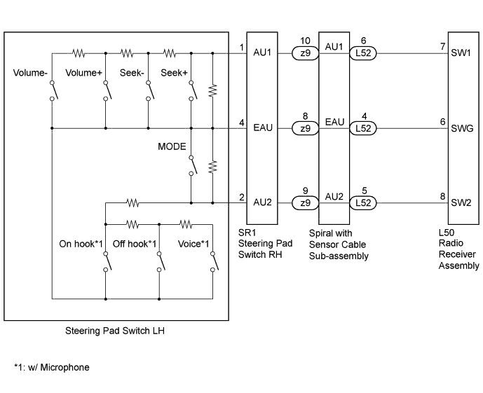
AUDIO AND VISUAL SYSTEM Steering Pad Switch Circuit

DESCRIPTION

This circuit sends an operation signal from the steering pad switch assembly to the radio receiver assembly.

If there is an open in the circuit, the audio system cannot be operated using the steering pad switch assembly.

If there is a short in the circuit, the same condition as to when a switch is continuously depressed occurs.

Therefore, the radio receiver assembly cannot be operated using the steering pad switch assembly, and also the radio receiver assembly itself cannot function.

WIRING DIAGRAM

A01JBTSE04

INSPECTION PROCEDURE

Note

The vehicle is equipped with an Supplemental Restraint System (SRS) which includes components such as airbags. Before servicing (including removal or installation of parts), be sure to read the precaution for Supplemental Restraint System Click here.

PROCEDURE


  1. INSPECT RADIO RECEIVER ASSEMBLY


    1. A01JAB4E30
      Text in Illustration
      *1

      Front view of wire harness connector

      (to Radio Receiver Assembly)

      Disconnect the radio receiver assembly connector.

    2. Measure the resistance according to the value(s) in the table below.

      Standard Resistance
      Tester Connection Condition Specified Condition
      L50-7 (SW1) - L50-6 (SWG) No switch pushed 95 to 105 kΩ
      L50-7 (SW1) - L50-6 (SWG) Seek+ switch pushed Below 2.5 Ω
      L50-7 (SW1) - L50-6 (SWG) Seek- switch pushed 323 to 335 Ω
      L50-7 (SW1) - L50-6 (SWG) Volume+ switch pushed 980 to 1020 Ω
      L50-7 (SW1) - L50-6 (SWG) Volume- switch pushed 3048 to 3172 Ω
      L50-8 (SW2) - L50-6 (SWG) No switch pushed 95 to 105 kΩ
      L50-8 (SW2) - L50-6 (SWG) MODE switch pushed Below 2.5 Ω
      L50-8 (SW2) - L50-6 (SWG)*2 Voice switch pushed 3048 to 3172 Ω
      L50-8 (SW2) - L50-6 (SWG)*2 On hook switch pushed 323 to 335 Ω
      L50-8 (SW2) - L50-6 (SWG)*2 Off hook switch pushed 980 to 1020 Ω

      • *2: w/ Microphone


    NG
    OK
  2. INSPECT STEERING PAD SWITCH ASSEMBLY


    1. Disconnect the steering pad switch assembly connector.

    2. Measure the resistance according to the value(s) in the table below.

      A01J9B3E03
      Standard Resistance
      Tester Connection Condition Specified Condition
      z9-10 (AU1) - z9-8 (EAU) No switch pushed 95 to 105 kΩ
      z9-10 (AU1) - z9-8 (EAU) Seek+ switch pushed Below 2.5 Ω
      z9-10 (AU1) - z9-8 (EAU) Seek- switch pushed 323 to 335 Ω
      z9-10 (AU1) - z9-8 (EAU) Volume+ switch pushed 980 to 1020 Ω
      z9-10 (AU1) - z9-8 (EAU) Volume- switch pushed 3048 to 3172 Ω
      z9-9 (AU2) - z9-8 (EAU) No switch pushed 95 to 105 kΩ
      z9-9 (AU2) - z9-8 (EAU) MODE switch pushed Below 2.5 Ω
      z9-9 (AU2) - z9-8 (EAU)*10 Voice switch pushed 3048 to 3172 Ω
      z9-9 (AU2) - z9-8 (EAU)*10 On hook switch pushed 323 to 335 Ω
      z9-9 (AU2) - z9-8 (EAU)*10 Off hook switch pushed 980 to 1020 Ω
      Text in Illustration
      *1

      Component without harness connected

      (Steering Pad Switch Assembly)

      *2 Volume-
      *3 Volume+ *4 Seek-
      *5 Seek+ *6 MODE
      *7 Off hook*10 *8 On hook*10
      *9 Voice*10 - -

      • *10: w/ Microphone

    3. Proceed to the next step based on the inspection result.

      Result
      Result Proceed to
      NG A
      OK B

    B
    A
  3. INSPECT STEERING PAD SWITCH RH


    1. Disconnect the steering pad switch RH connectors.

      A01JBRZE01
    2. Measure the resistance according to the value(s) in the table below.

      Standard Resistance
      Tester Connection Condition Specified Condition
      SR1-1 (AU1) - z9-10 (AU1) Always Below 1 Ω
      SR1-2 (AU2) - z9-9 (AU2) Always Below 1 Ω
      SR1-4 (EAU) - z9-8 (EAU) Always Below 1 Ω
      Text in Illustration
      *a

      Component without harness connected

      (Steering Pad Switch RH)

      - -

    NG
    OK
  4. INSPECT SPIRAL WITH SENSOR CABLE SUB-ASSEMBLY


    1. A01JCX9E07
      Text in Illustration
      *1

      Component without harness connected

      (Spiral with Sensor Cable Sub-assembly)

      *2 Steering Pad Switch Assembly Side
      *3 Vehicle Side

      Disconnect the steering pad switch assembly and spiral with sensor cable sub-assembly connectors.

    2. Measure the resistance according to the value(s) in the table below.

      Standard Resistance
      Tester Connection Condition Specified Condition
      z9-8 (EAU) - L52-4 (EAU) Center Below 1 Ω
      2.5 rotations to the left
      2.5 rotations to the right
      z9-10 (AU1) - L52-6 (AU1) Center Below 1 Ω
      2.5 rotations to the left
      2.5 rotations to the right
      z9-9 (AU2) - L52-5 (AU2) Center Below 1 Ω
      2.5 rotations to the left
      2.5 rotations to the right

      Note

      The spiral with sensor cable sub-assembly is an important part of the SRS airbag system. Incorrect removal or installation of the spiral with sensor cable sub-assembly may prevent the airbag from deploying. Be sure to read the pages shown in the brackets.

      Tech Tips



    NG
    OK