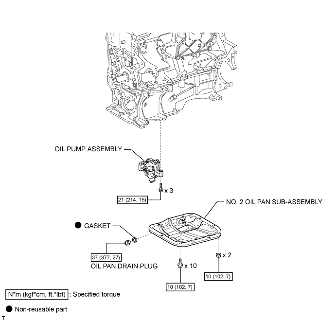
OIL PUMP COMPONENTS

ILLUSTRATION

A010L6NE01

ILLUSTRATION

A010LYHE01

ILLUSTRATION

A010H4LE06

ILLUSTRATION

A010I1HE10

ILLUSTRATION

A010GS5E07