СИСТЕМА КРУИЗ-КОНТРОЛЯ, Diagnostic DTC:P0571

Код DTC Наименование DTC
P0571 Неисправность в цепи выключателя стоп-сигналов

ОПИСАНИЕ

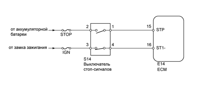
При нажатии педали тормоза выключатель стоп-сигналов передает в ECM сигнал. После получения данного сигнала ECM отключает круиз-контроль. Функция работы в аварийном режиме обеспечивает нормальное вождение даже при наличии неисправности в цепи выключателя стоп-сигналов. Условия отключения возникают при подаче положительного напряжения аккумуляторной батареи на контакт STP. При включении тормозов напряжение подается через предохранитель STOP и выключатель стоп-сигналов на контакт STP блока ECM, и ECM отключает систему круиз-контроля.

Код DTC Условие обнаружения DTC Неисправный участок
P0571 Напряжение на контактах STP и ST1- ECM составляет менее 1 В в течение не менее 0,5 с.
  • Выключатель стоп-сигналов в сборе

  • Цепь выключателя стоп-сигналов

  • ECM

СХЕМА ЭЛЕКТРИЧЕСКИХ СОЕДИНЕНИЙ

A01J5D5E06

ПОСЛЕДОВАТЕЛЬНОСТЬ ПРОВЕРКИ

ПОРЯДОК ВЫПОЛНЕНИЯ


  1. СНИМИТЕ ПОКАЗАНИЯ ПОРТАТИВНОГО ДИАГНОСТИЧЕСКОГО ПРИБОРА (ВЫКЛЮЧАТЕЛЬ СТОП-СИГНАЛОВ)


    1. Считайте данные в режиме Data List портативного диагностического прибора.

      Cruise Control
      Информация на дисплее прибора Измеряемая величина / диапазон измерения Нормальное состояние Замечание по диагностике
      Stop Light SW M-CPU Сигнал выключателя стоп-сигнала (главный процессор) / ON (ВКЛ) или OFF (ВЫКЛ)

      ON (ВКЛ): педаль тормоза нажата

      OFF (ВЫКЛ): педаль тормоза отпущена

      -
      OK
      Показания на дисплее изменяются в соответствии с состоянием педали тормоза, как описано в приведенной выше таблице.

    NG
    OK
  2. ПРОВЕРЬТЕ ПРЕДОХРАНИТЕЛЬ (STOP, IGN)


    1. Извлеките плавкие предохранители STOP и IGN из распределительного блока со стороны водителя.

    2. Измерьте сопротивление в соответствии со значениями, приведенными в таблице ниже.

      Номинальное сопротивление
      Подключение диагностического прибора Условие Заданные условия
      Предохранитель STOP Всегда Менее 1 Ом
      Предохранитель IGN

    NG
    OK
  3. ПРОВЕРЬТЕ ВЫКЛЮЧАТЕЛЬ СТОП-СИГНАЛОВ В СБОРЕ


    1. A01J392E01

      Снимите выключатель стоп-сигналов.

    2. Измерьте сопротивление в соответствии со значениями, приведенными в таблице ниже.

      Номинальное сопротивление
      Подключение диагностического прибора Положение переключателя Заданные условия
      1 - 2 Штырь нажат 10 кОм или более
      Штырь не нажат Менее 1 Ом
      3 - 4 Штырь нажат Менее 1 Ом
      Штырь не нажат 10 кОм или более

    NG
    OK
  4. ПРОВЕРЬТЕ ЖГУТ ПРОВОДОВ И РАЗЪЕМ (АККУМУЛЯТОРНАЯ БАТАРЕЯ – ВЫКЛЮЧАТЕЛЬ СТОП-СИГНАЛОВ)

    A01J3QJE11

    1. Отсоедините разъем S14 выключателя стоп-сигналов.

    2. Измерьте напряжение в соответствии со значениями, приведенными в таблице.

      Номинальное напряжение
      Подключение диагностического прибора Положение переключателя Заданные условия
      S14-2 - масса Всегда 11 - 14 В
      S14-3 - масса Зажигание включено

    NG
    OK
  5. ПРОВЕРЬТЕ ЖГУТ ПРОВОДОВ И РАЗЪЕМ (ВЫКЛЮЧАТЕЛЬ СТОП-СИГНАЛОВ – ECM)

    A01J3XOE01

    1. Отсоедините разъем S14 выключателя стоп-сигналов.

    2. Отсоедините разъем E14 ECM.

    3. Измерьте сопротивление в соответствии со значениями, приведенными в таблице ниже.

      Номинальное сопротивление
      Подключение диагностического прибора Условие Заданные условия
      S14-1 - E14-15 (STP) Всегда Менее 1 Ом
      S14-1 - масса Всегда 10 кОм или более
      S14-4 - E14-16 (ST1-) Всегда Менее 1 Ом
      S14-4 - масса Всегда 10 кОм или более

    NG
    OK