TIRE PRESSURE WARNING SYSTEM DIAGNOSIS SYSTEM


  1. CHECK WARNING LIGHT

    Note


    • When there is a problem with the tire pressure warning system, the tire pressure warning light blinks at 0.5 second intervals, and illuminates after 1 minute.

    • When the malfunction has been corrected, the tire pressure warning light goes off.

    • When the tire pressure warning light illuminates, immediately check the tire pressure of the tires and adjust them to the specified value.

    • After the power switch is turned on (IG), the tire pressure warning light illuminates for 3 seconds and then goes off. If the warning light does not illuminate for 3 seconds, proceed to the troubleshooting for the tire pressure warning light circuit Click here.


    1. A0042UAE02
      Text in Illustration
      *1 Tire Pressure Warning Light

      Turn the power switch on (IG).

    2. Check that the tire pressure warning light illuminates for 3 seconds.

  2. WHAT TO CONSIDER WHEN TIRE PRESSURE WARNING LIGHT ILLUMINATES


    1. When the tire pressure warning light does not go off, or when it illuminates during driving, check the tire pressure. If the tire pressure warning light illuminates within several hours after adjusting the tire pressure, a tire may have a slow air leak.

    2. The system is disabled under the following conditions (when the condition returns to normal, the system will work properly).


      1. When all of the tire and wheel assemblies that have tire pressure warning valve and transmitters registered with the tire pressure warning ECU and receiver have not been installed.

      2. When all of the transmitter ID codes are not registered with the tire pressure warning ECU and receiver.

      3. When the tire pressure is abnormally high (absolute pressure: 480 kPa (4.9 kgf/cm2, 70 psi) or more; relative pressure: 380 kPa (3.9 kgf/cm2, 55 psi) or more).

      4. When the tire pressure warning valve and transmitter battery is depleted.

    3. The system may become disabled under the following conditions (when the condition returns to normal, the system will work properly).


      1. When electric devices or facilities using similar radio frequencies are nearby.

      2. When a wireless device or other equipment operating at a similar frequency is in use in the vehicle.

      3. When a window tint that affects radio wave signals is installed.

      4. When there is a lot of snow or ice on the vehicle, in particular, around the wheels or wheel housing.

      5. When non-genuine wheels are used.

      6. When tire chains are used.

      7. When aftermarket tire repair sealant is used.

        CAUTION:

        After use of tire repair sealant, replacement of the tire pressure warning valve and transmitter is required to ensure normal system operation. (Normal system operation cannot be ensured by only repairing or replacing the tire.)

  3. TIRE PRESSURE WARNING LIGHT AND INDICATOR CHART

    Tech Tips

    The table below indicates the state of the tire pressure warning light after the power switch is turned on (IG).

    Immediately after turning the power switch on (IG) Always
    Warning light output pattern
    Illuminates for 3 sec. Goes off Illuminates Blinks*1 Blinks*2 Blinks*3 Blinks*4 Blinks*5 Outputs DTC
    Normal - - - - - - -
    Low tire pressure - - - - - - -
    System failure - - - - - - -
    Test mode (signal check mode) - - - - - - -
    Initialization - - - - - - -
    ECU connector poorly connected - - - - - - - -
    TC grounded (DTCs are output) - - - - - - -
    TC grounded (DTCs are not output) - - - - - - -

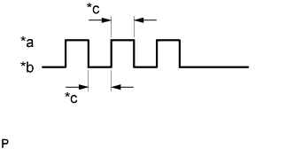
    • A003ZXJE06
      Text in Illustration
      *a ON
      *b OFF
      *c 0.5 sec.
      *d 1 minute

      *1: Blinks at 0.5 second intervals, and remains illuminated after 1 minute.

    • A0041CGE15
      Text in Illustration
      *a ON
      *b OFF
      *c 0.125 sec.

      *2: Blinks at 0.125 second intervals.

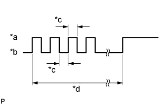
    • A00434JE11
      Text in Illustration
      *a ON
      *b OFF
      *c 1 sec.

      *3: Blinks 3 times at 1 second intervals.

    • A0043DIE05
      Text in Illustration
      *a ON
      *b OFF
      *c 0.25 sec.

      *4: Blinks at 0.25 second intervals.

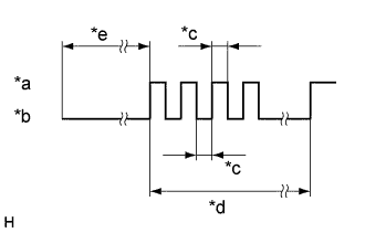
    • A0043RXE01
      Text in Illustration
      *a ON
      *b OFF
      *c 0.5 sec.
      *d 1 minute
      *e 10 sec.

      *5: Goes off for 10 seconds to check the connection of the ECU connector, and then blinks at 0.5 second intervals, and remains illuminated after 1 minute.

  4. NORMAL MODE DTC


    1. DTCs are stored in the tire pressure warning ECU and receiver and output by blinking the tire pressure warning light or by using the GTS Click here.

  5. TEST MODE (SIGNAL CHECK MODE) DTC


    1. By switching from normal mode into test mode (signal check mode), you can inspect the tire pressure warning ECU and receiver, each tire pressure warning valve and transmitter, tire pressure warning reset switch and vehicle speed signal Click here.

  6. FAIL-SAFE FUNCTION


    1. When a malfunction occurs in the tire pressure warning system, the tire pressure warning light illuminates after blinking for 1 minute to inform the driver of the system failure.

    2. As a result of this, tire pressure monitoring is disabled and a DTC is stored in the tire pressure warning ECU and receiver.