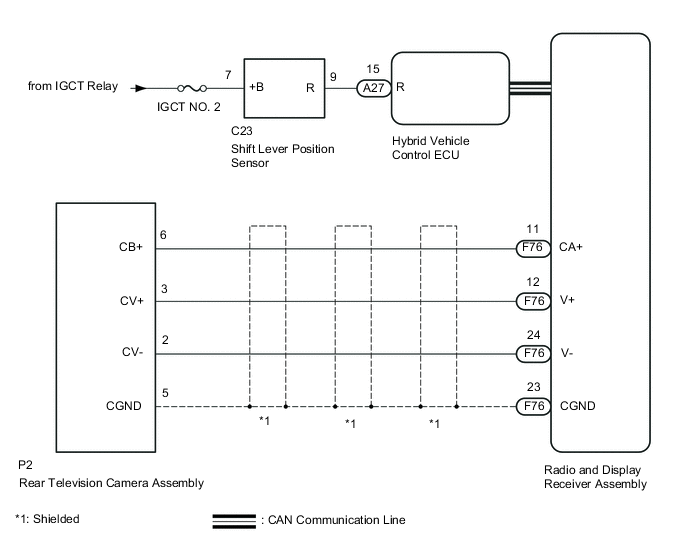
REAR VIEW MONITOR SYSTEM SYSTEM DIAGRAM

A01UYE2E04