POWER STEERING SYSTEM, Diagnostic DTC:C1551

DTC Code DTC Name
C1551 IG Power Supply Voltage Malfunction

DESCRIPTION

The power steering ECU assembly distinguishes the ignition switch status as ON (IG) or off through the IG power source circuit.

DTC No. DTC Detection Condition Trouble Area
C1551 Open or short in IG power source circuit with ignition switch ON (IG).
  • ECU-IG NO. 2 fuse

  • IG power source circuit

  • Power steering ECU assembly

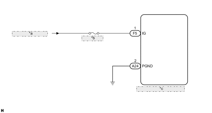
WIRING DIAGRAM

A004EOGE53
*a from IG1 No. 1 Relay
*b ECU-IG No. 2
*c Power Steering ECU Assembly

CAUTION / NOTICE / HINT

Note


  • If the power steering ECU assembly has been replaced with a new one, perform assist map writing and the torque sensor zero point calibration Click here.

  • Inspect the fuses for circuits related to this system before performing the following inspection procedure.

PROCEDURE


  1. READ VALUE USING GTS (IG POWER SUPPLY)


    1. Turn the ignition switch off.

    2. Connect the GTS to the DLC3.

    3. Turn the ignition switch to ON (IG).

    4. Turn the GTS on.

    5. Enter the following menus: Chassis / EMPS / Data List.

    6. Select the item IG Power Supply in the Data List and read the value displayed on the GTS.

      EMPS
      GTS Display Measurement Item/Range Normal Condition Diagnostic Note
      IG power supply

      ECU power source voltage/

      Min.: 0.0000 V

      Max.: 20.1531 V

      9 to 16 V Ignition switch is ON (IG)

    OK
    NG
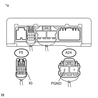
  2. CHECK HARNESS AND CONNECTOR (POWER STEERING ECU ASSEMBLY - IG CIRCUIT AND BODY GROUND)


    1. A004EDHE02
      Text in Illustration
      *a

      Rear view of wire harness connector

      (to Power Steering ECU Assembly)

      Disconnect the power steering ECU assembly connectors.

    2. Measure the voltage according to the value(s) in the table below.

      Standard Voltage
      Tester Connection Switch Condition Specified Condition
      F5-1 (IG) - Body ground Ignition switch ON (IG) 9 to 16 V
    3. Measure the resistance according to the value(s) in the table below.

      Standard Resistance
      Tester Connection Condition Specified Condition
      A24-2 (PGND) - Body ground Always Below 1 Ω
      Result
      Result Proceed to
      NG A
      OK (for LHD) B
      OK (for RHD) C

    A
    B
    C