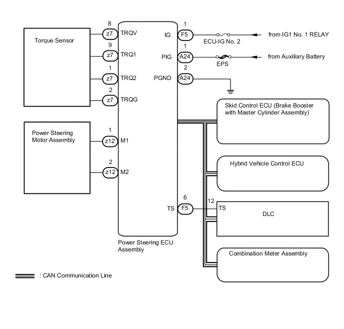
POWER STEERING SYSTEM SYSTEM DIAGRAM

A01UYOCE06