АУДИОВИЗУАЛЬНАЯ СИСТЕМА Цепь динамика

ОПИСАНИЕ

Если радиоприемник оснащен встроенным усилителем, по этой цепи передаются звуковые сигналы от радиоприемника к динамикам.

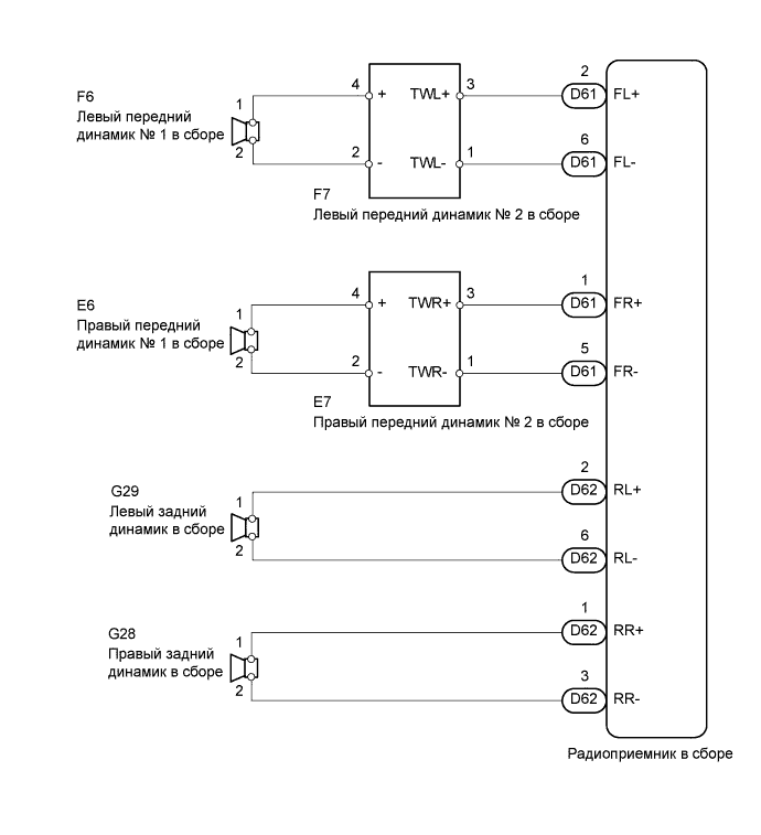
СХЕМА СОЕДИНЕНИЙ

A0119T5E01

ПОСЛЕДОВАТЕЛЬНОСТЬ ПРОВЕРКИ

ПОРЯДОК ВЫПОЛНЕНИЯ


  1. ПРОВЕРЬТЕ ДИНАМИКИ


    1. Проверьте, воспроизводят ли все динамики звук.

      Результат
      Результат Следующий шаг
      Неисправны передние динамики № 1 или передние динамики № 2 А
      Неисправны задние динамики B

    B
    А
  2. ПРОВЕРЬТЕ ПЕРЕДНИЙ ДИНАМИК № 2 В СБОРЕ


    1. A011AUDE01
      Обозначения на рисунке
      *1

      Устройство с неподсоединенным жгутом проводов

      (Передний динамик № 2)

      *2 Для правой стороны
      *3 Для левой стороны

      Отсоедините разъем E7 или F7 переднего динамика № 2.

    2. Измерьте сопротивление в соответствии со значениями, приведенными в таблице ниже.

      Номинальное сопротивление:
      Для правой стороны
      Контакты для подключения диагностического прибора Условие Заданные условия
      E7-1 (TWR-) - E7-3 (TWR+) Всегда Примерно 4 Ом
      E7-3 (TWR+) - E7-4 (+) Всегда Менее 1 Ом
      E7-1 (TWR-) - E7-2 (-)
      Для левой стороны
      Контакты для подключения диагностического прибора Условие Заданные условия
      F7-1 (TWL-) - F7-3 (TWL+) Всегда Примерно 4 Ом
      F7-3 (TWL+) - F7-4 (+) Всегда Менее 1 Ом
      F7-1 (TWL-) - F7-2 (-)
    3. Подсоедините разъем переднего динамика № 2.


    NG
    OK
  3. ПРОВЕРЬТЕ ЖГУТ ПРОВОДОВ И РАЗЪЕМ (РАДИОПРИЕМНИК - ПЕРЕДНИЙ ДИНАМИК № 2)


    1. A01182TE01
      Обозначения на рисунке
      *1

      Вид спереди разъема со стороны жгута проводов:

      (радиоприемник в сборе)

      *2

      Вид спереди разъема со стороны жгута проводов:

      (к переднему динамику № 2)

      *3 Для правой стороны
      *4 Для левой стороны

      Отсоедините разъем D61 радиоприемника.

    2. Отсоедините разъем E7 или F7 переднего динамика № 2.

    3. Измерьте сопротивление в соответствии со значениями, приведенными в таблице ниже.

      Номинальное сопротивление:
      Для правой стороны
      Контакты для подключения диагностического прибора Условие Заданные условия
      D61-1 (FR+) - E7-3 (TWR+) Всегда Менее 1 Ом
      D61-5 (FR-) - E7-1 (TWR-) Всегда Менее 1 Ом
      D61-1 (FR+) - масса Всегда 10 кОм или более
      D61-5 (FR-) - масса Всегда 10 кОм или более
      Для левой стороны
      Контакты для подключения диагностического прибора Условие Заданные условия
      D61-2 (FL+) - F7-3 (TWL+) Всегда Менее 1 Ом
      D61-6 (FL-) - F7-1 (TWL-) Всегда Менее 1 Ом
      D61-2 (FL+) - масса Всегда 10 кОм или более
      D61-6 (FL-) - масса Всегда 10 кОм или более
    4. Снова подсоедините разъем радиоприемника в сборе.

    5. Подсоедините разъем переднего динамика № 2.


    NG
    OK
  4. ПРОВЕРЬТЕ ПЕРЕДНИЙ ДИНАМИК № 1 В СБОРЕ


    1. A01174QE01
      Обозначения на рисунке
      *1

      Устройство с неподсоединенным жгутом проводов

      (Передний динамик № 1)

      *2 Для правой стороны
      *3 Для левой стороны

      Отсоедините разъем E6 или F6 переднего динамика № 1.

    2. Измерьте сопротивление в соответствии со значениями, приведенными в таблице ниже.

      Номинальное сопротивление:
      Для правой стороны
      Контакты для подключения диагностического прибора Условие Заданные условия
      E6-1 - E6-2 Всегда Примерно 4 Ом
      Для левой стороны
      Контакты для подключения диагностического прибора Условие Заданные условия
      F6-1 - F6-2 Всегда Примерно 4 Ом
    3. Подсоедините разъем переднего динамика № 1.


    NG
    OK
  5. ПРОВЕРЬТЕ ЖГУТ ПРОВОДОВ И РАЗЪЕМ (ПЕРЕДНИЙ ДИНАМИК № 1 - ПЕРЕДНИЙ ДИНАМИК № 2)


    1. A0116Z4E01
      Обозначения на рисунке
      *1

      Вид спереди разъема со стороны жгута проводов:

      (к переднему динамику № 1)

      *2

      Вид спереди разъема со стороны жгута проводов:

      (к переднему динамику № 2)

      *3 Для правой стороны
      *4 Для левой стороны

      Отсоедините разъем E6 или F6 переднего динамика № 1.

    2. Отсоедините разъем E7 или F7 переднего динамика № 2.

    3. Измерьте сопротивление в соответствии со значениями, приведенными в таблице ниже.

      Номинальное сопротивление:
      Для правой стороны
      Контакты для подключения диагностического прибора Условие Заданные условия
      E6-1 - E7-4 (+) Всегда Менее 1 Ом
      E6-2 - E7-2 (-)
      E6-1 - масса Всегда 10 кОм или более
      E6-2 - масса
      Для левой стороны
      Контакты для подключения диагностического прибора Условие Заданные условия
      F6-1 - F7-4 (+) Всегда Менее 1 Ом
      F6-2 - F7-2 (-)
      F6-1 - масса Всегда 10 кОм или более
      F6-2 - масса
    4. Подсоедините разъем переднего динамика № 1.

    5. Подсоедините разъем переднего динамика № 2.


    NG
    OK
  6. ПРОВЕРЬТЕ ЗАДНИЙ ДИНАМИК В СБОРЕ


    1. A01174QE02
      Обозначения на рисунке
      *1

      Устройство с неподсоединенным жгутом проводов

      (задний динамик)

      *2 Для правой стороны
      *3 Для левой стороны

      Отсоедините разъемы G28 или G29 заднего динамика.

    2. Измерьте сопротивление в соответствии со значениями, приведенными в таблице ниже.

      Номинальное сопротивление:
      Для правой стороны
      Контакты для подключения диагностического прибора Условие Заданные условия
      G28-1 - G28-2 Всегда Примерно 4 Ом
      Для левой стороны
      Контакты для подключения диагностического прибора Условие Заданные условия
      G29-1 - G29-2 Всегда Примерно 4 Ом
    3. Подсоедините разъем заднего динамика.


    NG
    OK
  7. ПРОВЕРЬТЕ ЖГУТ ПРОВОДОВ И РАЗЪЕМ (РАДИОПРИЕМНИК - ЗАДНИЙ ДИНАМИК)


    1. A0117YPE01
      Обозначения на рисунке
      *1

      Вид спереди разъема со стороны жгута проводов:

      (к радиоприемнику в сборе)

      *2

      Вид спереди разъема со стороны жгута проводов:

      (к заднему динамику)

      *3 Для правой стороны
      *4 Для левой стороны

      Отсоедините разъем D62 радиоприемника.

    2. Отсоедините разъемы G28 или G29 заднего динамика.

    3. Измерьте сопротивление в соответствии со значениями, приведенными в таблице ниже.

      Номинальное сопротивление:
      Для правой стороны
      Контакты для подключения диагностического прибора Условие Заданные условия
      D62-1 (RR+) - G28-1 Всегда Менее 1 Ом
      D62-3 (RR-) - G28-2
      D62-1 (RR+) - масса Всегда 10 кОм или более
      D62-3 (RR-) - масса
      Для левой стороны
      Контакты для подключения диагностического прибора Условие Заданные условия
      D62-2 (RL+) - G29-1 Всегда Менее 1 Ом
      D62-6 (RL-) - G29-2
      D62-2 (RL+) - масса Всегда 10 кОм или более
      D62-6 (RL-) - масса
    4. Снова подсоедините разъем радиоприемника в сборе.

    5. Подсоедините разъем заднего динамика.


    NG
    OK