SEAT BELT WARNING SYSTEM Front Passenger Side Seat Belt Warning Light Malfunction

DESCRIPTION

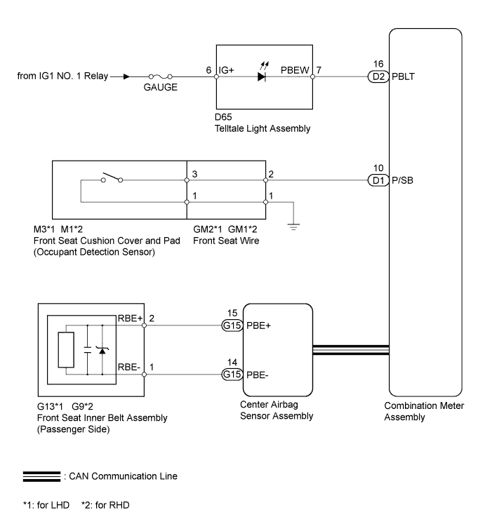
The center airbag sensor assembly detects the state of the front seat inner belt when the front passenger seat is occupied with the ignition switch ON. The center airbag sensor assembly transmits the front passenger seat belt state signal to the combination meter. If the front passenger seat belt is not fastened, the combination meter blinks the front seat belt warning light on the telltale light. If the seat belt is fastened, the warning light goes off.

WIRING DIAGRAM

A0117BKE01

INSPECTION PROCEDURE

Note


  • Since the seat belt warning system has functions that use CAN communication, first confirm that there is no malfunction in the communication system by inspecting the CAN communication functions in accordance with How to Proceed with Troubleshooting. Then conduct the following troubleshooting procedure.

  • Inspect the fuses for circuits related to this system before performing the following inspection procedure.

PROCEDURE


  1. CHECK DTC OUTPUT


    1. Check for DTCs.

      Result
      Result Proceed to
      B1656/38 is not output A
      B1656/38 is output B

    B
    A
  2. PERFORM ACTIVE TEST USING INTELLIGENT TESTER


    1. Connect the intelligent tester to the DLC3.

    2. Turn the ignition switch to ON.

    3. Turn the tester on.

    4. Enter the following menus: Body / Combination Meter / Active Test.

    5. According to the display on the tester, perform the Active Test.

      Combination Meter
      Item Test Part Control Range Diagnostic Note
      Front Passenger Side Seat Belt Front passenger side seat belt warning light ON/OFF -
      OK
      Passenger seat belt warning light condition can be switched by Active Test.

    NG
    OK
  3. CHECK HARNESS AND CONNECTOR (FRONT SEAT WIRE - COMBINATION METER AND BODY GROUND)


    1. A011A8LE01
      Text in Illustration
      *1

      Front view of wire harness connector

      (to Front Seat Wire)

      *2

      Front view of wire harness connector

      (to Combination Meter Assembly)

      *3 for LHD
      *4 for RHD

      Disconnect the GM2 or GM1 front seat wire connector.

    2. Disconnect the D1 combination meter assembly connector.

    3. Measure the resistance according to the value(s) in the table below.

      Standard Resistance
      for LHD
      Tester Connection Condition Specified Condition
      GM2-2 - D1-10 (P/SB) Always Below 1 Ω
      GM2-2 or D1-10 (P/SB) - Body ground Always 10 kΩ or higher
      GM2-1 - Body ground Always Below 1 Ω
      for RHD
      Tester Connection Condition Specified Condition
      GM1-2 - D1-10 (P/SB) Always Below 1 Ω
      GM1-2 or D1-10 (P/SB) - Body ground Always 10 kΩ or higher
      GM1-1 - Body ground Always Below 1 Ω
    4. Reconnect the front seat wire connector.

    5. Reconnect the combination meter assembly connector.


    NG
    OK
  4. INSPECT FRONT SEAT WIRE


    1. A011BOZE01
      Text in Illustration
      *1

      Component without harness connected

      (Front Seat Wire)

      *2 Connector A
      *3 Connector B

      Remove the front seat wire.

    2. Measure the resistance according to the value(s) in the table below.

      Standard Resistance
      Tester Connection Condition Specified Condition
      A2 - B3 Always Below 1 Ω
      A2 or B3 - Body ground Always 10 kΩ or higher
      A1 - B1 Always Below 1 Ω
    3. Reinstall the front seat wire.


    NG
    OK
  5. INSPECT FRONT SEAT CUSHION PAD SUB-ASSEMBLY (OCCUPANT DETECTION SENSOR)


    1. A011A03E02
      Text in Illustration
      *1

      Component without harness connected

      (Occupant Detection Sensor)

      Disconnect the occupant detection sensor connector.

    2. Measure the resistance according to the value(s) in the table below.

      Standard Resistance
      Tester Connection Condition Specified Condition
      1 - 3 Passenger seat is occupied Below 100 Ω
      Passenger seat is not occupied 1 MΩ or higher
    3. Reconnect the occupant detection sensor connector.


    NG
    OK
  6. CHECK HARNESS AND CONNECTOR (COMBINATION METER ASSEMBLY - TELLTALE LIGHT ASSEMBLY)


    1. A0119XYE01
      Text in Illustration
      *1

      Front view of wire harness connector

      (to Telltale Light Assembly)

      *2

      Front view of wire harness connector

      (to Combination Meter Assembly)

      Disconnect the D2 combination meter assembly connector.

    2. Disconnect the D65 telltale light assembly connector.

    3. Measure the resistance according to the value(s) in the table below.

      Standard Resistance
      Tester Connection Condition Specified Condition
      D2-16 (PBLT) - D65-7 (PBEW) Always Below 1 Ω
      D2-16 (PBLT) or D65-7 (PBEW) - Body ground Always 10 kΩ or higher
    4. Reconnect the combination meter assembly connector.

    5. Reconnect the telltale light assembly connector.


    NG
    OK
  7. INSPECT TELLTALE LIGHT ASSEMBLY


    1. A011AM9E01
      Text in Illustration
      *1

      Component without harness connected

      (Telltale Light Assembly)

      Remove the telltale light assembly.

    2. Apply battery voltage to the terminals and check that the front passenger seat belt warning light illuminates.

      OK
      Measurement Condition Specified Condition

      Positive battery - Terminal 6 (lG+)

      Negative battery - Terminal 7 (PBEW)

      Front passenger seat belt warning light Illuminates
    3. Reinstall the telltale light assembly.


    NG
    OK