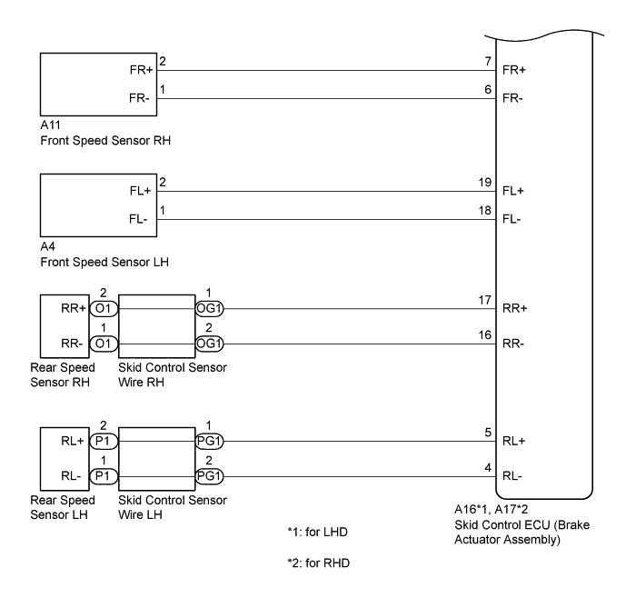
VEHICLE STABILITY CONTROL SYSTEM SYSTEM DIAGRAM

A0118RGE02
A011BD2E01
A011B2DE01
Transmitting ECU (Transmitter) Receiving ECU Signal Communication Method
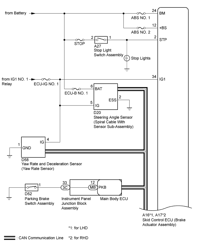
Skid control ECU Steering angle sensor Steering angle sensor request signal CAN communication
Skid control ECU Yaw rate and deceleration sensor Yaw rate and deceleration request signal CAN communication
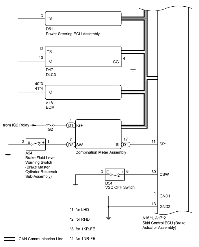
Skid control ECU ECM
  • Wheel speed signal

  • VSC data signal

CAN communication
ECM Skid control ECU
  • Shift position signal

  • Throttle position signal

  • Engine speed signal

  • Intake air temperature signal

  • Engine torque request signal

  • Accelerator pedal position signal

CAN communication
Main body ECU Skid control ECU Parking brake switch signal CAN communication
Skid control ECU Combination meter
  • ABS warning light signal

  • Brake warning light signal

  • TRC OFF indicator light signal

  • VSC OFF indicator light signal

  • SLIP indicator light signal

CAN communication
Wheel speed signal Serial communication