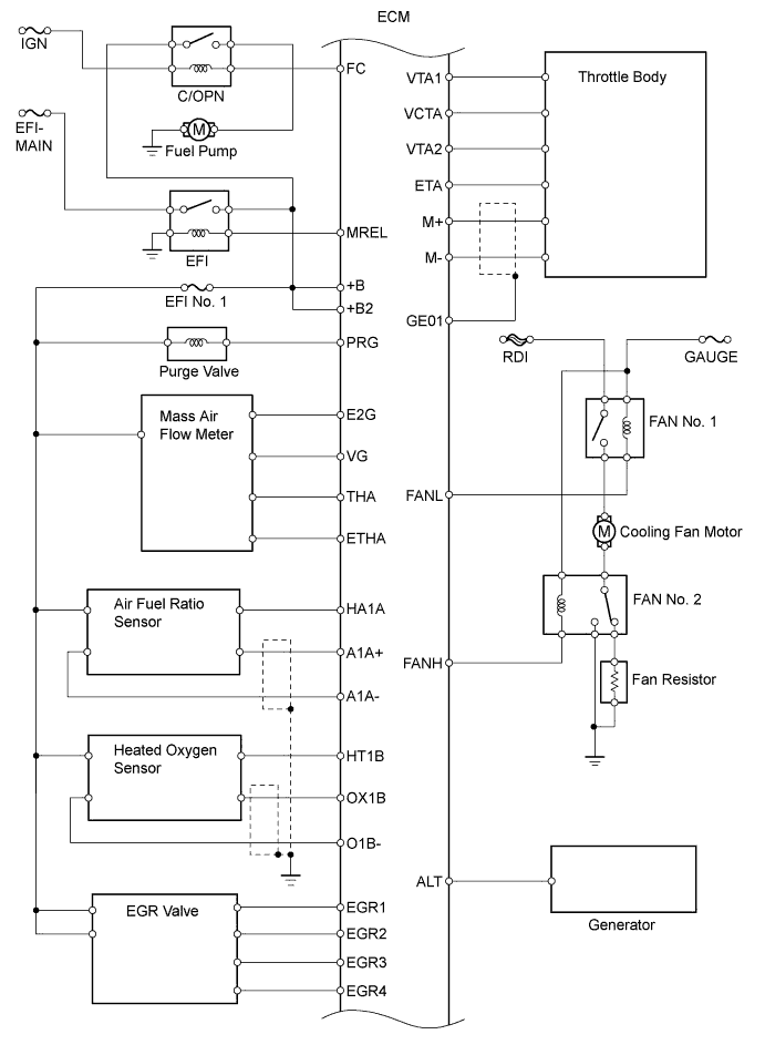
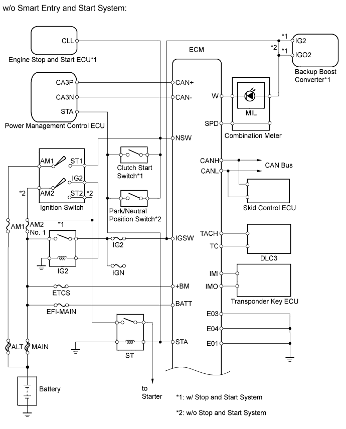
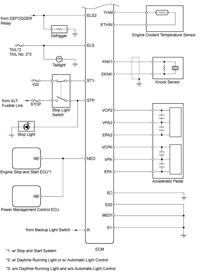
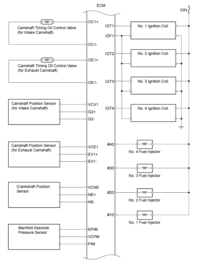
SFI SYSTEM SYSTEM DIAGRAM

A011AUYE01
A0119QKE01
A011BXWE01
A0117NDE01
A011BRME01