EMISSION CONTROL SYSTEM SYSTEM DIAGRAM


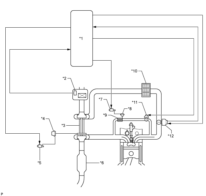
  1. EGR FLOW DIAGRAM

    A010P4FE01
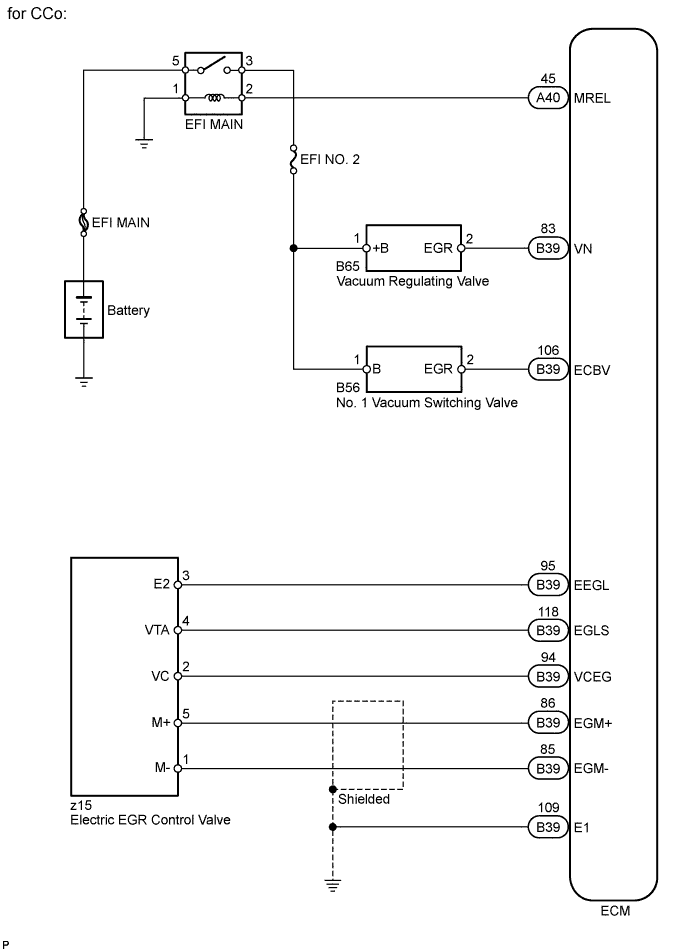
    Text in Illustration (for CCo)
    *1 ECM *2 Mass Air Flow Meter
    *3 Turbocharger *4 Turbocharger Actuator
    *5 Vacuum Regulating Valve *6 Manifold Converter
    *7 No. 1 Vacuum Switching Valve *8 No. 2 EGR Valve
    *9 EGR Cooler *10 Intercooler
    *11 EGR Valve *12 Diesel Throttle Body
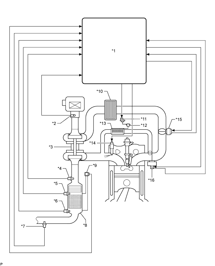
    A010R5GE01
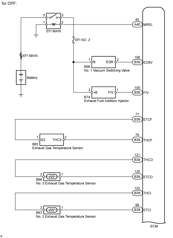
    Text in Illustration (for DPF)
    *1 ECM *2 Mass Air Flow Meter
    *3 Turbocharger *4 Exhaust Gas Temperature Sensor
    *5 No. 2 Exhaust Gas Temperature Sensor *6 No. 3 Exhaust Gas Temperature Sensor
    *7 Air Fuel Ratio Sensor *8 Manifold Converter
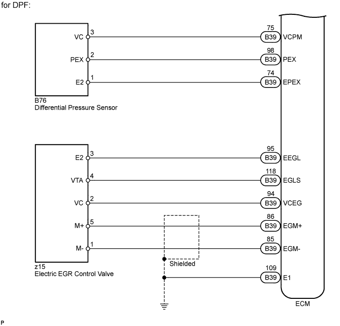
    *9 Differential Pressure Sensor *10 Intercooler
    *11 No. 1 Vacuum Switching Valve *12 No. 2 EGR Valve
    *13 EGR Cooler *14 Exhaust Fuel Addition Injector
    *15 Diesel Throttle Body *16 EGR Valve
    A010SA0E01
    A010NS8E01
    A010PQXE03