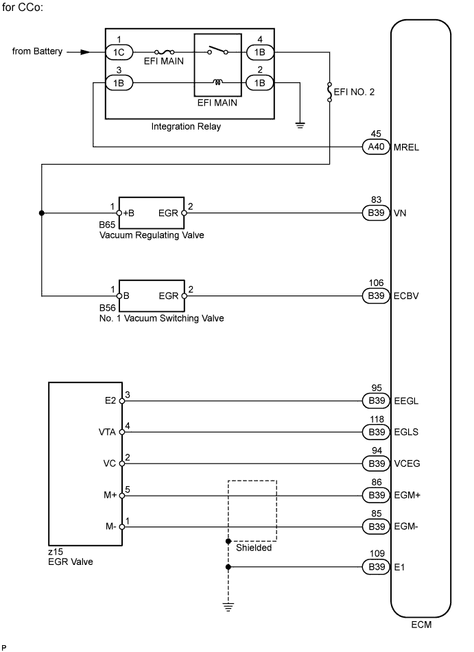
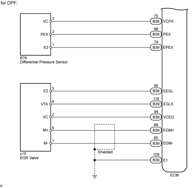
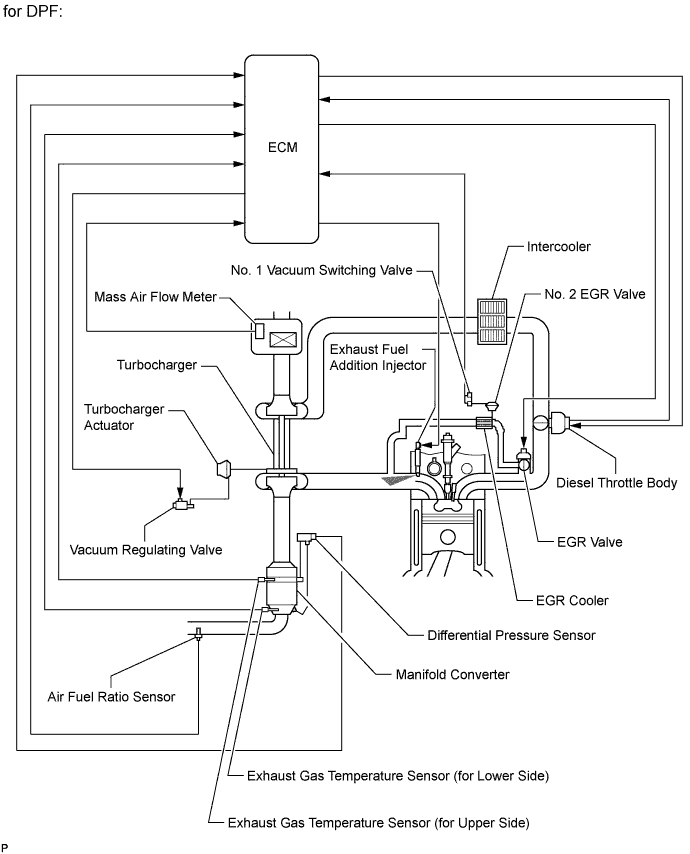
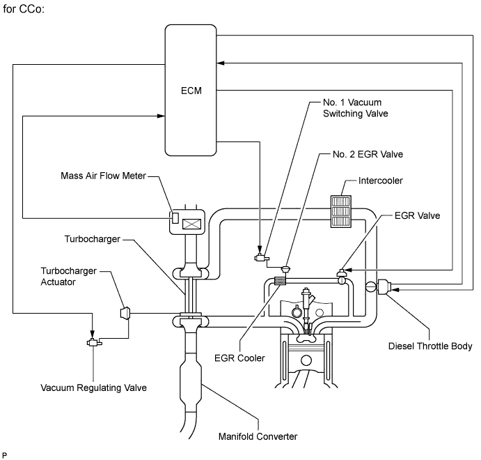
EMISSION CONTROL SYSTEM SYSTEM DIAGRAM


  1. EGR FLOW DIAGRAM

    A003EGBE02
    A003AKGE02
    A003C63E01
    A003DK9E02
    A003B31E02