СИСТЕМА SFI ECM Power Source Circuit

DESCRIPTION

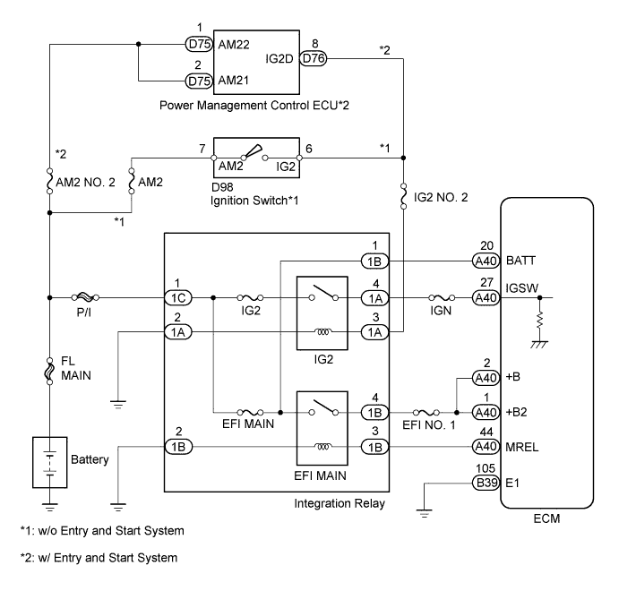
When the ignition switch is turned to ON, battery voltage is applied to terminal IGSW of the ECM. The output signal from the MREL terminal of the ECM causes current to flow to the coil, closing the contacts of the integration relay (EFI MAIN relay) and supplying power to either terminal +B or +B2 of the ECM.

WIRING DIAGRAM

A00DRPUE01

INSPECTION PROCEDURE

Note

Inspect the fuses for circuits related to this system before performing the following inspection procedure.

PROCEDURE

  1. CHECK HARNESS AND CONNECTOR (ECM - BODY GROUND)

    1. Disconnect the ECM connector.

      A00DTN0E58
    2. Measure the resistance according to the value(s) in the table below.

      Standard Resistance
      Tester Connection Condition Specified Condition
      B39-105 (E1) - Body ground Always Below 1 Ω
      Text in Illustration
      *1

      Front view of wire harness connector

      (to ECM)

    3. Reconnect the ECM connector.

    NG
    OK
  2. INSPECT ECM (IGSW VOLTAGE)

    1. Disconnect the ECM connector.

      A00DRI4E25
    2. Measure the voltage according to the value(s) in the table below.

      Standard Voltage
      Tester Connection Switch Condition Specified Condition
      A40-27 (IGSW) - Body ground Ignition switch ON 11 to 14 V
      Text in Illustration
      *1

      Front view of wire harness connector

      (to ECM)

    3. Reconnect the ECM connector.

    NG
    OK
  3. INSPECT INTEGRATION NO.1 RELAY (EFI MAIN RELAY)

    1. Remove the integration relay from the engine room No. 1 relay block.

      A00DUJTE11
    2. Disconnect the integration relay connector.

    3. Measure the EFI MAIN relay resistance.

      Standard Resistance
      Tester Connection Condition Specified Condition
      1C-1 - 1B-4 Battery voltage not applied to terminal 1B-2 and 1B-3 10 kΩ or higher
      Battery voltage applied to terminal 1B-2 and 1B-3 Below 1 Ω
      Text in Illustration
      *1 Engine Room No. 1 Relay Block
      *2

      Component without harness connected

      (Integration Relay)

    4. Reconnect the integration relay connector.

    5. Reinstall the integration relay.

    NG
    OK
  4. CHECK HARNESS AND CONNECTOR (INTEGRATION RELAY [EFI MAIN RELAY] - ECM)

    1. Remove the integration relay from the engine room No. 1 relay block.

      A00DTCZE05
    2. Disconnect the integration relay connector.

    3. Disconnect the ECM connector.

    4. Measure the resistance according to the value(s) in the table below.

      Standard Resistance (Check for Open)
      Tester Connection Condition Specified Condition
      1B-4 - A40-2 (+B) Always Below 1 Ω
      1B-4 - A40-1 (+B2) Always Below 1 Ω
      Standard Resistance (Check for Short)
      Tester Connection Condition Specified Condition
      1B-4 or A40-2 (+B) - Body ground Always 10 kΩ or higher
      1B-4 or A40-1 (+B2) - Body ground Always 10 kΩ or higher
      Text in Illustration
      *1 Engine Room No. 1 Relay Block
      *2

      Front view of wire harness connector

      (to Integration Relay)

      *3

      Front view of wire harness connector

      (to ECM)

    5. Reconnect the ECM connector.

    6. Reconnect the integration relay connector.

    7. Reinstall the integration relay.

    NG
    OK
  5. CHECK HARNESS AND CONNECTOR (INTEGRATION RELAY [EFI MAIN RELAY] - BATTERY)

    1. Remove the integration relay from the engine room No. 1 relay block.

      A00DTSWE08
    2. Disconnect the integration relay connector.

    3. Disconnect the cable from the negative (-) battery terminal.

    4. Disconnect the cable from the positive (+) battery terminal.

    5. Measure the resistance according to the value(s) in the table below.

      Standard Resistance (Check for Open)
      Tester Connection Condition Specified Condition
      1C-1 - Positive battery terminal Always Below 1 Ω
      Standard Resistance (Check for Short)
      Tester Connection Condition Specified Condition
      1C-1 or Positive battery terminal - Body ground Always 10 kΩ or higher
      Text in Illustration
      *1 Engine Room No. 1 Relay Block
      *2

      Front view of wire harness connector

      (to Integration Relay)

    6. Reconnect the integration relay connector.

    7. Reinstall the integration relay.

    8. Reconnect the cable to the positive (+) battery terminal.

    9. Reconnect the cable to the negative (-) battery terminal.

    NG
    OK
  6. CHECK HARNESS AND CONNECTOR (INTEGRATION RELAY [EFI MAIN RELAY] - BODY GROUND)

    1. Remove the integration relay from the engine room No. 1 relay block.

      A00DR6FE06
    2. Disconnect the integration relay connector.

    3. Measure the resistance according to the value(s) in the table below.

      Standard Resistance
      Tester Connection Condition Specified Condition
      1B-2 - Body ground Always Below 1 Ω
      Text in Illustration
      *1 Engine Room No. 1 Relay Block
      *2

      Front view of wire harness connector

      (to Integration Relay)

    4. Reconnect the integration relay connector.

    5. Reinstall the integration relay.

    NG
    OK
  7. CHECK HARNESS AND CONNECTOR (INTEGRATION RELAY [EFI MAIN RELAY] - ECM)

    1. Disconnect the ECM connector.

      A00DTCZE06
    2. Remove the integration relay from the engine room No. 1 relay block.

    3. Disconnect the integration relay connector.

    4. Measure the resistance according to the value(s) in the table below.

      Standard Resistance (Check for Open)
      Tester Connection Condition Specified Condition
      1B-3 - A40-44 (MREL) Always Below 1 Ω
      Standard Resistance (Check for Short)
      Tester Connection Condition Specified Condition
      1B-3 or A40-44 (MREL) - Body ground Always 10 kΩ or higher
      Text in Illustration
      *1 Engine Room No. 1 Relay Block
      *2

      Front view of wire harness connector

      (to Integration Relay)

      *3

      Front view of wire harness connector

      (to ECM)

    5. Reconnect the ECM connector.

    6. Reconnect the integration relay connector.

    7. Reinstall the integration relay.

    NG
    OK
  8. INSPECT INTEGRATION NO.1 RELAY (IG2 RELAY)

    1. Remove the integration relay from the engine room No. 1 relay block.

      A00DUJTE11
    2. Disconnect the integration relay connector.

    3. Measure the resistance according to the value(s) in the table below.

      Standard Resistance
      Tester Connection Condition Specified Condition
      1C-1 - 1A-4 Battery voltage not applied to terminal 1A-2 and 1A-3 10 kΩ or higher
      Battery voltage applied to terminal 1A-2 and 1A-3 Below 1 Ω
      Text in Illustration
      *1 Engine Room No. 1 Relay Block
      *2

      Component without harness connected

      (Integration Relay)

    4. Reconnect the integration relay connector.

    5. Reinstall the integration relay.

    NG
    OK
  9. CHECK HARNESS AND CONNECTOR (INTEGRATION RELAY [IG2 RELAY] - ECM)

    1. Disconnect the ECM connector.

      A00DQT5E01
    2. Remove the integration relay from the engine room No. 1 relay block.

    3. Disconnect the integration relay connector.

    4. Measure the resistance according to the value(s) in the table below.

      Standard Resistance (Check for Open)
      Tester Connection Condition Specified Condition
      1A-4 - A40-27 (IGSW) Always Below 1 Ω
      Standard Resistance (Check for Short)
      Tester Connection Condition Specified Condition
      1A-4 or A40-27 (IGSW) - Body ground Always 10 kΩ or higher
      Text in Illustration
      *1 Engine Room No. 1 Relay Block
      *2

      Front view of wire harness connector

      (to Integration Relay)

      *3

      Front view of wire harness connector

      (to ECM)

    5. Reconnect the ECM connector.

    6. Reconnect the integration relay connector.

    7. Reinstall the integration relay.

    NG
    OK
  10. CHECK HARNESS AND CONNECTOR (INTEGRATION RELAY [IG2 RELAY] - BATTERY)

    1. Remove the integration relay from the engine room No. 1 relay block.

      A00DTSWE08
    2. Disconnect the integration relay connector.

    3. Disconnect the cable from the negative (-) battery terminal.

    4. Disconnect the cable from the positive (+) battery terminal.

    5. Measure the resistance according to the value(s) in the table below.

      Standard Resistance (Check for Open)
      Tester Connection Condition Specified Condition
      1C-1 - Positive battery terminal Always Below 1 Ω
      Standard Resistance (Check for Short)
      Tester Connection Condition Specified Condition
      1C-1 or Positive battery terminal - Body ground Always 10 kΩ or higher
      Text in Illustration
      *1 Engine Room No. 1 Relay Block
      *2

      Front view of wire harness connector

      (to Integration Relay)

    6. Reconnect the integration relay connector.

    7. Reinstall the integration relay.

    8. Reconnect the cable to the positive (+) battery terminal.

    9. Reconnect the cable to the negative (-) battery terminal.

    NG
    OK
  11. CHECK HARNESS AND CONNECTOR (INTEGRATION RELAY [IG2 RELAY] - BODY GROUND)

    1. Remove the integration relay from the engine room No. 1 relay block.

      A00DQ2EE03
    2. Disconnect the integration relay connector.

    3. Measure the resistance according to the value(s) in the table below.

      Standard Resistance
      Tester Connection Condition Specified Condition
      1A-2 - Body ground Always Below 1 Ω
      Text in Illustration
      *1 Engine Room No. 1 Relay Block
      *2

      Front view of wire harness connector

      (to Integration Relay)

    4. Reconnect the integration relay connector.

    5. Reinstall the integration relay.

    NG
    OK
  12. CHECK IF VEHICLE IS EQUIPPED WITH ENTRY AND START SYSTEM

    1. Check if vehicle is equipped with an entry and start system.

      Result
      Result Proceed to
      w/o Entry and Start System A
      w/ Entry and Start System B
    B
    A
  13. CHECK HARNESS AND CONNECTOR (INTEGRATION RELAY [IG2 RELAY] - IGNITION SWITCH)

    1. Disconnect the ignition switch connector.

      A00DU1QE01
    2. Remove the integration relay from the engine room No. 1 relay block.

    3. Disconnect the integration relay connector.

    4. Measure the resistance according to the value(s) in the table below.

      Standard Resistance (Check for Open)
      Tester Connection Condition Specified Condition
      1A-3 - D98-6 (IG2) Always Below 1 Ω
      Standard Resistance (Check for Short)
      Tester Connection Condition Specified Condition
      1A-3 or D98-6 (IG2) - Body ground Always 10 kΩ or higher
      Text in Illustration
      *1 Engine Room No. 1 Relay Block
      *2

      Front view of wire harness connector

      (to Integration Relay)

      *3

      Front view of wire harness connector

      (to Ignition Switch)

    5. Reconnect the ignition switch connector.

    6. Reconnect the integration relay connector.

    7. Reinstall the integration relay.

    NG
    OK
  14. INSPECT IGNITION SWITCH ASSEMBLY

    1. Inspect the ignition switch assembly Click here.

    NG
    OK
  15. CHECK HARNESS AND CONNECTOR (INTEGRATION RELAY - POWER MANAGEMENT CONTROL ECU)

    1. Disconnect the power management control ECU connector.

      A00DSCZE01
    2. Remove the integration relay from the engine room No. 1 relay block.

    3. Disconnect the integration relay connector.

    4. Measure the resistance according to the value(s) in the table below.

      Standard Resistance (Check for Open)
      Tester Connection Condition Specified Condition
      1A-3 - D76-8 (IG2D) Always Below 1 Ω
      Standard Resistance (Check for Short)
      Tester Connection Condition Specified Condition
      1A-3 or D76-8 (IG2D) - Body ground Always 10 kΩ or higher
      Text in Illustration
      *1 Engine Room No. 1 Relay Block
      *2

      Front view of wire harness connector

      (to Integration Relay)

      *3

      Rear view of wire harness connector

      (to Power Management Control ECU)

    5. Reconnect the power management control ECU connector.

    6. Reconnect the integration relay connector.

    7. Reinstall the integration relay.

    NG
    OK