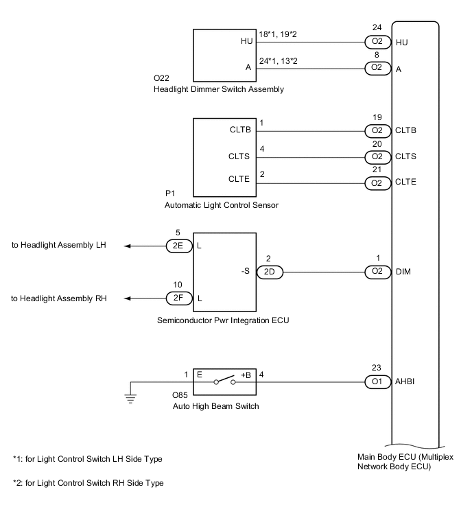
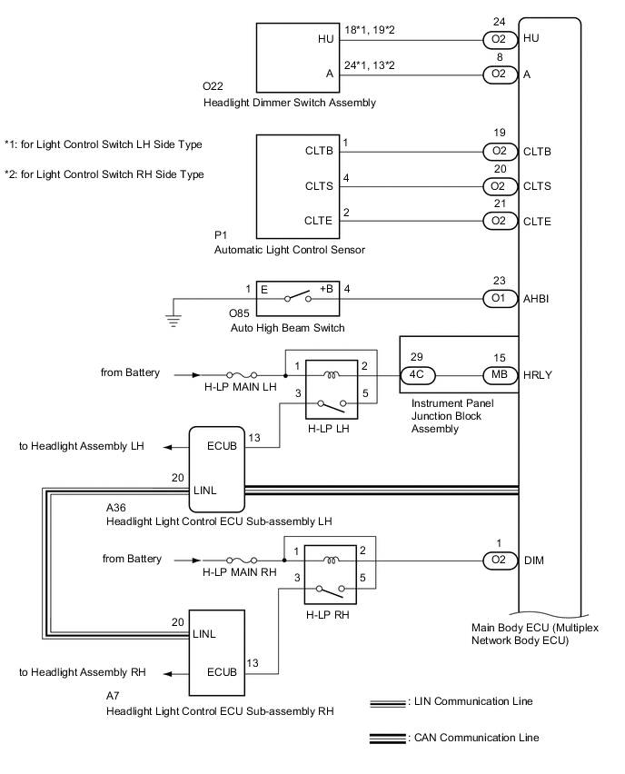
AUTOMATIC HIGH BEAM SYSTEM SYSTEM DIAGRAM


  1. for Triple Beam Headlight

    B0073OGE06
    B0075RCE14
  2. for Single Beam Headlight

    B00748KE03
    B0075RCE14