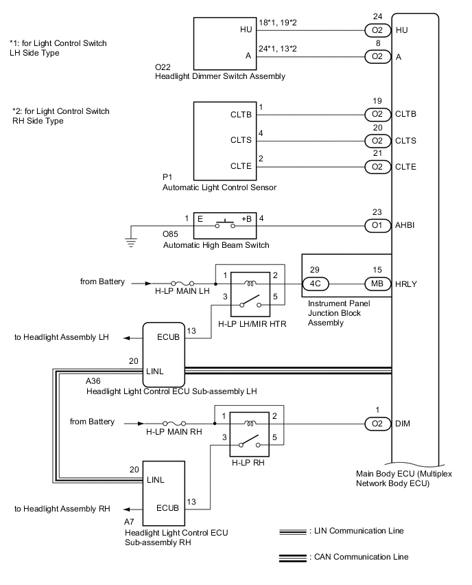
AUTOMATIC HIGH BEAM SYSTEM SYSTEM DIAGRAM

A01R3UKE15
B0075RCE02