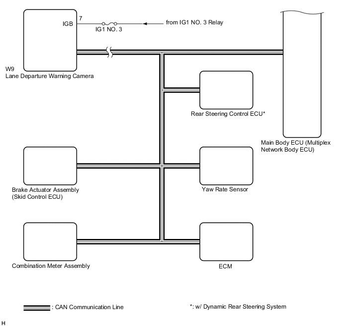
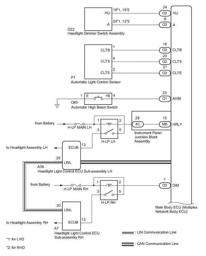
AUTOMATIC HIGH BEAM SYSTEM SYSTEM DIAGRAM

A01R3UKE05
B0075RCE02