WIPER AND WASHER SYSTEM SYSTEM DIAGRAM


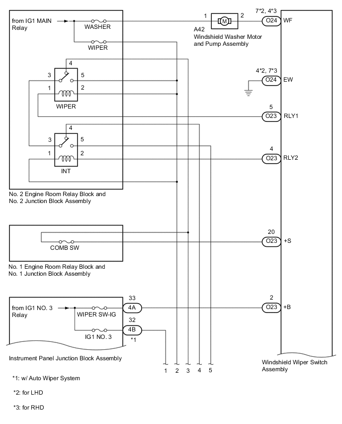
  1. WIPER AND WASHER SYSTEM

    A01VT3EE04
    A01VSP7E03
  2. HEADLIGHT CLEANER SYSTEM (w/ Headlight Cleaner System)

    A01VSQ0E04
    A01VRK1E07
  3. WASHER FLUID LEVEL WARNING SYSTEM

    A01VRI0E03