RELAY ON-VEHICLE INSPECTION

PROCEDURE


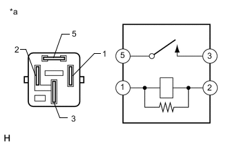
  1. INSPECT PTC HEATER RELAY


    1. A01R5MHC12
      *a

      Component without harness connected

      (PTC Heater Relay)

      Measure the resistance according to the value(s) in the table below.

      Standard Resistance
      Tester Connection Condition Specified Condition
      3 - 5 Battery voltage not applied between terminals 1 and 2 10 kΩ or higher
      3 - 5 Battery voltage applied between terminals 1 and 2 Below 1 Ω

      • If the result is not as specified, replace the PTC heater relay.

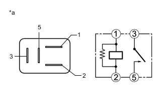
  2. INSPECT HEATER WATER PUMP RELAY


    1. B007430C72
      *a

      Component without harness connected

      (Heater Water Pump Relay)

      Measure the resistance according to the value(s) in the table below.

      Standard Resistance
      Tester Connection Condition Specified Condition
      3 - 5 Battery voltage not applied between terminals 1 and 2 10 kΩ or higher
      3 - 5 Battery voltage applied between terminals 1 and 2 Below 1 Ω

      • If the result is not as specified, replace the heater water pump relay.